Ток нагрузки в ШС, мА
17
Номинальный ток выхода, А
0,5 на каждый выход УО (3 шт.); 2 (для АСПТ - 2шт.)
Маркировка взрывозащиты
ExiаGaIIB
Количество зон
1 (подкл до 6 цепей)+1 (тампер вскрытия)
Исполнение
Искробезопасный
Номинальное сопротивление выносного резистора, кОм
1,5; 2,2; 8,2
Напряжение в ШС, В
16 - 18
Количество светодиодов, шт.
18
Подключение
2-х проводное
Реле выходы
3 (НО - сухой контакт)+1 (НО и НЗ - сухой контакт)
Количество клавиш управления
5
Максимально комутируемые напряжение/ток, В/А
60/0,25; 250/2
Минимальное напряжение срабатывания защиты, В
9
Время готовности к работе, с, не более
90
Протокол связи в сети
Modbus RTU
Интерфейс
RS-485
Возможность подключения неадресного оборудования
АСПТ, устр. оповещ (УО), АСУТП, извещ.
Датчик положения двери (да нет)
Возможно подкл.(НО или НЗ) - 1шт.
Управление прибором
Вручную, удалённо
Контроль линии оповещения
Есть
Тестирование (проверка) работы
Кнопкой - ТЕСТ
Материал
Металл, окрашенный порошковым методом
Клавиатура (или регистратор)
Механические кнопки с подсветкой
Тип установки
Накладной настенный
Дополнительное оборудование
Подкл.: до 4-х УДП и 2-х блок реле (БР) - приоб.
Тип изделия
Прибор управления пожаротушением
Рекомендованный кабель
С жилами не более 1,5 кв.мм
Цвет
Светло-серый
Индикация
Световая и звуковая
Напряжение питания, В
DC (10 - 14,2)/3A - от 2-х разных источников питания
Ток потребления. мА
200 (ППУ); 2000 (УДП)
Потребляемая мощность, Вт
1,7 (ППУ); 17 (УДП)
Диапазон рабочих температур, °С
-40...+60 (ППУ); -55...+70 (УДП)
Степень защиты, IP
20 (ППУ); 66/67 (УДП)
Габаритные размеры, мм
255х148х85
Масса, кг
2,5 (ППУ) + 1,2 (УДП)
Пульт управления
1 шт
Пульт управления Яхонт ППУ
| Количество | Ваша цена | Экономия |
|---|---|---|
| Опт от 2 шт. | 39 284 р./шт. | 3 416 р. |
| Запросить КП на крупный опт |
Яхонт ППУ - прибор искробезопасный управления (от выходного сигнала ППКОП) электрозапускаемой установкой газового, порошкового или аэрозольного пожаротушения 1-ой взрывоопасной зоны в автоматическом или ручном (дистанционном) режимах, взрывозащищённый (ExiаGaIIB), но с установкой вне взрывоопасной зоне, степенью защиты (IP20), напряжением 2-ух раздельных входов питания (10 - 14,2 В).
Искробезопасность обеспечивается только для шлейфов: дистанционного пуска или контроля дверей.
Остальные цепи, подключаемые к прибору, не являются искробезопасными.
К данному ППУ подключаются по 2-ух проводной линии связи от 1-го до 4-ёх взрывозащищённых (0ExiaIIBT6Ga) устройств дистанционного пуска (УДП - приобретаются отдельно), устанавливаемых во взрывоопасных зонах.
В искробезопасный шлейф контроля дверей могут подключаться серийные пассивные (нетокопотребляющие) охранные извещатели магнитоконтактного типа, либо иные датчики положения дверей (кнопки, переключатели и т.п.), разрешенные к применению во взрывоопасных зонах.
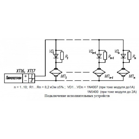
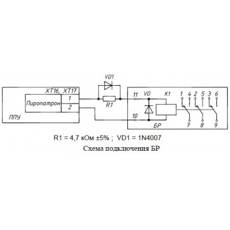
Для увеличения нагрузочной способности выхода тушения ППУ используется БР (увеличение количества подключаемых к ППУ исполнительных устройств - пиропатронов или электромагнитных клапанов).
К 1-ому ППУ можно подключить до 2-ух БР (приобретаются отдельно).
На выходе БР имеет 3-и независимые группы «сухих» контактов на переключение с максимально допустимым током коммутации - 10А.
Устройство подлежит обязательному заземлению.
Срок службы прибора - не менее 10 лет.
- Яхонт-ППУ (Взрыво Искро прибор упр пожаротуш до 4УДП RS-485 -40_55+60_70 IP20_66_67) руков 2014г
- Яхонт-ППУ (работа протокола обмена по RS-485) описание 2017г
- УКП (устр контроля пиропатрона запуска АСПТ -30+50 IP20 ) руков 2007г
Ввиду того, что изделие может быть модифицировано, сведения, представленные на данной странице (изображение, характеристики, документация и т.п.), могут отличаться от фактических особенностей товара. За дополнительной информацией обращайтесь в техническую поддержку.
-
Охранно-пожарная сигнализация
-
Адресные системы
-
Радиоканальные системы
-
Астра-Р (ТЕКО)
-
Астра-РИ (ТЕКО)
-
Астра-РИ-М (ТЕКО)
-
Астра-Прайм (ТЕКО)
-
Астра-Zитадель (ТЕКО)
-
Ладога-РК (Риэлта)
-
С2000Р (Болид)
-
ВЕКТОР-АР (Сибирский Арсенал)
-
ВЕТТА-2020 (Сибирский Арсенал)
-
ГРАНИТ-РК (Сибирский Арсенал)
-
Риф-Ринг-1 (Альтоника)
-
Риф-Ринг-2 (Альтоника)
-
Риф-Ринг-701 (Альтоника)
-
Риф-Ринг-200 (Альтоника)
-
Lonta Optima (Альтоника)
-
Lonta-202 (Альтоника)
-
ACS (GSN)
-
-
GSM системы
-
Приборы приемно-контрольные
-
Извещатели охранные для помещений
-
Извещатели магнитоконтактные
-
Извещатели тревожной сигнализации
-
Извещатели разбития стекла акустические
-
Извещатели разбития стекла ударноконтактные
-
Извещатели движения ультразвуковые
-
Извещатели движения инфракрасные объемные
-
Извещатели движения пассивные инфракрасные поверхностные (штора)
-
Извещатели движения пассивные инфракрасные линейные (коридор)
-
Извещатели движения пассивные инфракрасные потолочные
-
Извещатели движения комбинированные
-
Извещатели совмещенные
-
Извещатели вибрационные и емкостные
-
-
Извещатели охраны периметра
-
Извещатели охраны периметра линейные ИК-активные
-
Извещатели охраны периметра линейные радиоволновые для установки на открытых участках
-
Извещатели охраны периметра ИК-пассивные
-
Извещатели охраны периметра объемные радиоволновые
-
Извещатели охраны периметра комбинированные
-
Извещатели охраны периметра проводно-волновые
-
Извещатели охраны периметра вибрационные
-
-
Извещатели пожарные
-
Извещатели дымовые 2-х проводные
-
Извещатели дымовые 4-х проводные
-
Извещатели дымовые автономные
-
Извещатели дымовые линейные
-
Извещатели дымовые аспирационные
-
Извещатели тепловые максимальные (пороговые)
-
Извещатели тепловые максимально-дифференциальные
-
Извещатели линейные тепловые пожарные
-
Извещатели пламени
-
Извещатели ручные
-
Извещатели комбинированные
-
-
Извещатели аварийные
-
Оповещатели
-
Светильники и аварийное освещение
-
Системы активной защиты
-
Распродажа
-
-
Системы охранного телевидения
-
Системы контроля и управления доступом
-
Домофоны
-
IP-домофония
-
Идентификаторы
-
Кнопки выхода
-
Считыватели
-
Кодовые панели
-
Автономные устройства контроля доступа
-
Сетевые системы контроля доступа
-
Биометрический контроль доступа
-
Системы обратной и диспетчерской связи
-
Замки
-
Электрозащелки
-
Доводчики
-
Турникеты
-
Калитки
-
Ограждения
-
Шлагбаумы
-
Автоматика для ворот
-
Досмотровое оборудование
-
-
Системы оповещения
и управление эвакуацией-
СОУЭ Тромбон
-
СОУЭ Ария (Электротехника и Автоматика)
-
СОУЭ Соната (ВИСТЛ)
-
СОУЭ С (ИП Раченков)
-
СОУЭ МЕТА
-
СОУЭ Октава (Полисервис)
-
СОУЭ Рокот (Сибирский Арсенал)
-
СОУЭ РЕЧОР (РУССБЫТ)
-
СОУЭ РЕЧОР-АТ (АНТИТЕРРОР) (РУССБЫТ)
-
СОУЭ ПКИ-Р (СпецКомИнтегРо)
-
Системы оповещения о пожаре Asenware
-
СОУЭ ROXTON
-
Звуковое оборудование RORSYS
-
СОУЭ JDM
-
СОУЭ MKV
-
СОУЭ ZVON
-
СОУЭ INTER-М
-
-
Взрывозащищенное оборудование
-
Извещатели пожарные взрывозащищенные
-
Извещатели пожарные тепловые резервуарные
-
Извещатели пожарные тепловые точечные
-
Извещатели пожарные тепловые максимально-дифференциальные
-
Извещатели пожарные дымовые
-
Извещатели пожарные комбинированные
-
Извещатели пожарные ручные взрывозащищенные
-
Извещатели пожарные пламени взрывозащищенные
-
Комплектующие к пожарным извещателям
-
-
Извещатели пожарные линейные взрывозащищенные
-
Извещатели охранные взрывозащищенные
-
Извещатели аварийные взрывозащищенные
-
Оповещатели взрывозащищенные
-
Табло оповещения взрывозащищённое
-
Приборы приемно-контрольные и пульты управления взрывозащищенные
-
Адресные взрывозащищенные системы
-
Посты управления взрывозащищенные
-
Системы видеонаблюдения взрывозащищенные
-
Системы контроля доступа взрывозащищенные
-
Громкоговорители взрывозащищенные
-
Коробки коммутационные взрывозащищенные
-
Барьеры искрозащиты
-
Кабельные вводы взрывозащищенные
-
-
Источники вторичного электропитания
-
Расходные и монтажные материалы
-
Средства пожаротушения
-
Первичные средства пожаротушения
-
Порошковое пожаротушение
-
Водяное пожаротушение
-
Аэрозольное пожаротушение
-
Газовое пожаротушение
-
Автономные установки пожаротушения
-
Клапан сброса избыточного давления КСИД
-
Водопенное оборудование
-
Шкафы пожарные
-
Дымоудаление
-
Средства защиты и спасения
-
Знаки безопасности и плакаты
-
-
Сетевое оборудование