Количество ШС
1+1 (тампер вскрытия)
Ток нагрузки в ШС, мА
1,5
Маркировка взрывозащиты
ExiаGaIIC/ExiaMaI
Исполнение
Искробезопасный
Частота мигания светового сигнала, Гц
0,5 (внешнее свет УО прерывисто)
Рабочая частота
0,5 Гц (звук оповещ прерывисто)
Напряжение в ШС, В
10,3 - 11,7
Номинальное сопротивление выносного резистора, кОм
1; 1,5; 2,2; 3; 4,7; 6,8; 8,2
Максимально комутируемые напряжение/ток, В/А
250/0,5; 48/0,2
Количество светодиодов, шт.
4
Количество гермовводов
4
Реле выходы
5 (НО - сухой контакт)
Управление прибором
DIP - переключателями (5 шт.), магнитом
Протокол связи в сети
Modbus RTU
Интерфейс
RS-485
Возможность подключения неадресного оборудования
АСПТ, устр. оповещ (УО), АСУТП
Тип установки
Накладной настенный
Материал
Пластмасса
Цвет
Светло-серый + прозрачный
Индикация
Световая и звуковая
Тип изделия
Устройство приемно-контрольное охранно-пожарное взрывозащищённое
Напряжение питания, В
DC (10 - 30)/0,1
Ток потребления. мА
65
Потребляемая мощность, Вт
1,2
Диапазон рабочих температур, °С
-30…+55
Степень защиты, IP
65
Габаритные размеры, мм
220х125х55
Масса, кг
0,5
Прибор приемно-контрольный
1 шт
- Главная
- Каталог
- Взрывозащищенное оборудование
- Приборы приемно-контрольные и пульты управления взрывозащищенные
- Приборы приемно-контрольные Яхонт
- Прибор приемно-контрольный Яхонт 1И-02
Прибор приемно-контрольный Яхонт 1И-02
| Количество | Ваша цена | Экономия |
|---|---|---|
| Опт от 5 шт. | 9 989.36 р./шт. | 868.64 р. |
| Запросить КП на крупный опт |
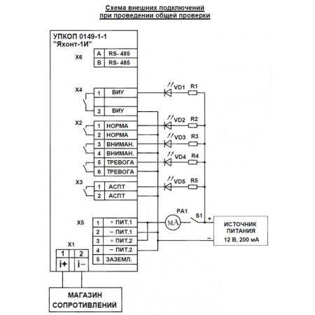
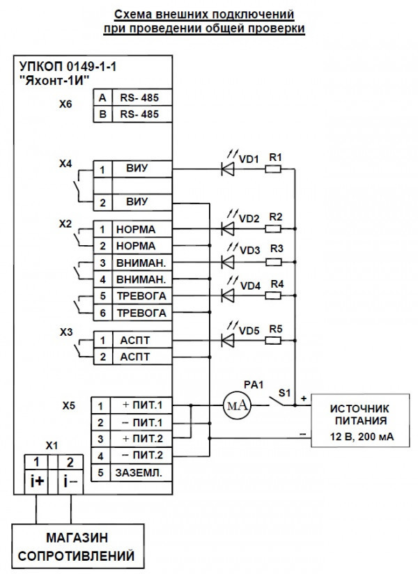
Яхонт 1И-02 - устройство искробезопасное приёмно-контрольное настенное охранно-пожарное на 1ШС взрывозащищённое (ExiаGaIIC и ExiaMaI), степенью защиты (IP65), напряжением питания (10 - 30 В) для автономной и централизованной охраны объектов, расположенных во взрывоопасных зонах.
Устройство обеспечивает связь по протоколу (Modbus RTU) через интерфейс (RS-485) с автоматическими системами управления технологическими процессами (АСУТП).
Данный прибор установливается вне взрывоопасных зон помещений и наружных установок, а также вне взрывоопасных зон рудников и шахт, опасных по рудничному газу и горючей пыли.
Устройство осуществляет непрерывный контроль состояния шлейфа сигнализации (ШС), электропитание и прием сигналов от пожарных и охранных извещателей, выдачу информации на пульт централизованного наблюдения (ПЦН), либо на другой приемно-контрольный прибор, а также выдачу сигналов управления на автоматические средства пожаротушения (АСПТ) и устройства оповещения (УО).
Особенности:
- контроль состояния ШС по величине его сопротивления;
- контроль исправности ШС по всей их длине с автоматическим выявлением обрыва или короткого замыкания в них;
- контроль несанкционированного доступа внутрь корпуса прибора;
- возможность программирования тактики формирования тревожного и других извещений;
- автоматическую передачу на ПЦН раздельных извещений о тревоге, внимании, а также о неисправностях ШС, прибора и доступе внутрь корпуса прибора;
- местную световую и звуковую сигнализацию раздельных извещений о норме, о неисправности ШС, о внимании и о тревоге;
- включение устройств оповещения (УО) на время 4 минуты при регистрации тревоги;
- формирование стартового импульса запуска средств АСПТ без задержки или с задержкой на 30 секунд после регистрации тревоги.
Срок службы устройства - не менее 10 лет.
- ППКОП Яхонт-1И (Взрыво Искро ППКОП, 1ШС) руков 2021г
- ППКОП Яхонт-1И (работа протокола обмена по RS-485) описание 2017г
Ввиду того, что изделие может быть модифицировано, сведения, представленные на данной странице (изображение, характеристики, документация и т.п.), могут отличаться от фактических особенностей товара. За дополнительной информацией обращайтесь в техническую поддержку.
-
Охранно-пожарная сигнализация
-
Адресные системы
-
Радиоканальные системы
-
Астра-Р (ТЕКО)
-
Астра-РИ (ТЕКО)
-
Астра-РИ-М (ТЕКО)
-
Астра-Прайм (ТЕКО)
-
Астра-Zитадель (ТЕКО)
-
Ладога-РК (Риэлта)
-
С2000Р (Болид)
-
ВЕКТОР-АР (Сибирский Арсенал)
-
ВЕТТА-2020 (Сибирский Арсенал)
-
ГРАНИТ-РК (Сибирский Арсенал)
-
Риф-Ринг-1 (Альтоника)
-
Риф-Ринг-2 (Альтоника)
-
Риф-Ринг-701 (Альтоника)
-
Риф-Ринг-200 (Альтоника)
-
Lonta Optima (Альтоника)
-
Lonta-202 (Альтоника)
-
ACS (GSN)
-
-
GSM системы
-
Приборы приемно-контрольные
-
Извещатели охранные для помещений
-
Извещатели магнитоконтактные
-
Извещатели тревожной сигнализации
-
Извещатели разбития стекла акустические
-
Извещатели разбития стекла ударноконтактные
-
Извещатели движения ультразвуковые
-
Извещатели движения инфракрасные объемные
-
Извещатели движения пассивные инфракрасные поверхностные (штора)
-
Извещатели движения пассивные инфракрасные линейные (коридор)
-
Извещатели движения пассивные инфракрасные потолочные
-
Извещатели движения комбинированные
-
Извещатели совмещенные
-
Извещатели вибрационные и емкостные
-
-
Извещатели охраны периметра
-
Извещатели охраны периметра линейные ИК-активные
-
Извещатели охраны периметра линейные радиоволновые для установки на открытых участках
-
Извещатели охраны периметра ИК-пассивные
-
Извещатели охраны периметра объемные радиоволновые
-
Извещатели охраны периметра комбинированные
-
Извещатели охраны периметра проводно-волновые
-
Извещатели охраны периметра вибрационные
-
-
Извещатели пожарные
-
Извещатели дымовые 2-х проводные
-
Извещатели дымовые 4-х проводные
-
Извещатели дымовые автономные
-
Извещатели дымовые линейные
-
Извещатели дымовые аспирационные
-
Извещатели тепловые максимальные (пороговые)
-
Извещатели тепловые максимально-дифференциальные
-
Извещатели линейные тепловые пожарные
-
Извещатели пламени
-
Извещатели ручные
-
Извещатели комбинированные
-
-
Извещатели аварийные
-
Оповещатели
-
Светильники и аварийное освещение
-
Системы активной защиты
-
Распродажа
-
-
Системы охранного телевидения
-
Системы контроля и управления доступом
-
Домофоны
-
IP-домофония
-
Идентификаторы
-
Кнопки выхода
-
Считыватели
-
Кодовые панели
-
Автономные устройства контроля доступа
-
Сетевые системы контроля доступа
-
Биометрический контроль доступа
-
Системы обратной и диспетчерской связи
-
Замки
-
Электрозащелки
-
Доводчики
-
Турникеты
-
Калитки
-
Ограждения
-
Шлагбаумы
-
Автоматика для ворот
-
Досмотровое оборудование
-
-
Системы оповещения
и управление эвакуацией-
СОУЭ Тромбон
-
СОУЭ Ария (Электротехника и Автоматика)
-
СОУЭ Соната (ВИСТЛ)
-
СОУЭ С (ИП Раченков)
-
СОУЭ МЕТА
-
СОУЭ Октава (Полисервис)
-
СОУЭ Рокот (Сибирский Арсенал)
-
СОУЭ РЕЧОР (РУССБЫТ)
-
СОУЭ РЕЧОР-АТ (АНТИТЕРРОР) (РУССБЫТ)
-
СОУЭ ПКИ-Р (СпецКомИнтегРо)
-
Системы оповещения о пожаре Asenware
-
СОУЭ ROXTON
-
Звуковое оборудование RORSYS
-
СОУЭ JDM
-
СОУЭ MKV
-
СОУЭ ZVON
-
СОУЭ INTER-М
-
-
Взрывозащищенное оборудование
-
Извещатели пожарные взрывозащищенные
-
Извещатели пожарные тепловые резервуарные
-
Извещатели пожарные тепловые точечные
-
Извещатели пожарные тепловые максимально-дифференциальные
-
Извещатели пожарные дымовые
-
Извещатели пожарные комбинированные
-
Извещатели пожарные ручные взрывозащищенные
-
Извещатели пожарные пламени взрывозащищенные
-
Комплектующие к пожарным извещателям
-
-
Извещатели пожарные линейные взрывозащищенные
-
Извещатели охранные взрывозащищенные
-
Извещатели аварийные взрывозащищенные
-
Оповещатели взрывозащищенные
-
Табло оповещения взрывозащищённое
-
Приборы приемно-контрольные и пульты управления взрывозащищенные
-
Адресные взрывозащищенные системы
-
Посты управления взрывозащищенные
-
Системы видеонаблюдения взрывозащищенные
-
Системы контроля доступа взрывозащищенные
-
Громкоговорители взрывозащищенные
-
Коробки коммутационные взрывозащищенные
-
Барьеры искрозащиты
-
Кабельные вводы взрывозащищенные
-
-
Источники вторичного электропитания
-
Расходные и монтажные материалы
-
Средства пожаротушения
-
Первичные средства пожаротушения
-
Порошковое пожаротушение
-
Водяное пожаротушение
-
Аэрозольное пожаротушение
-
Газовое пожаротушение
-
Автономные установки пожаротушения
-
Клапан сброса избыточного давления КСИД
-
Водопенное оборудование
-
Шкафы пожарные
-
Дымоудаление
-
Средства защиты и спасения
-
Знаки безопасности и плакаты
-
-
Сетевое оборудование