Расстояние считывания(Срабатывания),см
Зависит от считывателей
Буфер событий
8192
Выходное напряжение, В
12
Номинальный ток выхода, А
1
Исполнение
Автономный, сетевой (для проезда авто)
Номинальное сечение жилы,кв.мм
0,22 - 0,75
Время срабатывания, сек, не более
1 (реле)
Максимальная длина линии связи, м
1200 (RS-485)
Рабочая скорость передачи, Бит/с
19200
Батарейка
1хСR2032 (3В; 0,225 А/ч)
Количество поддерживаемых считывателей
2
Количество светодиодов, шт.
2
Реле выходы
2 (НО или НЗ) прогр.+4 (ОК) прогр.
Количество контроллеров в системе
255
Максимально комутируемые напряжение/ток, В/А
30/3
Максимальное количество ключей
8167
Тип считывателя (без считывателя-о ключи ТМ-тм карты-к)
HID,Em-Marine,Mifare, моб.устр.
Интерфейс
RS-485, Wiegand-26, 48; радиоканал 433,92 МГц и GSM (через считыватель)
Рекомендованный кабель
UTP cat 5e
Дополнительное оборудование
Есть: встр. часы, счётчик событий, ИБП
Материал
Металл, окрашенный порошковым методом
Крепление
На горизонтальную и вертикальную поверхности
Управление прибором
По WEB-интерфейсу, ПК, переключателями
Режим работы
Постоянный
Подключение
Проводное
Цвет
Светло-серый
Индикация
Световая
Тип изделия
Сетевой контроллер радиоканальных и проводных устройств считывания кода для проезда авто
Возможность подключения неадресного оборудования
Шлагбаум, привод ворот, светофор
Напряжение питания, В
11,4 - 14
Ток потребления. мА
150
Потребляемая мощность, Вт
1,5
Разъем
Клеммы винтовые
Диапазон рабочих температур, °С
-30...+50
Степень защиты, IP
52
Габаритные размеры, мм
310х265х130
Масса, кг
2,8
Сетевая системы контроля доступа GATE
1 шт
- Главная
- Каталог
- Средства и системы контроля и управления доступом
- Сетевые системы контроля доступа
- GATE
- Сетевая системы контроля доступа GATE Gate-8000-Паркинг
Сетевая системы контроля доступа GATE Gate-8000-Паркинг
| Количество | Ваша цена | Экономия |
|---|---|---|
| Опт от 2 шт. | 33 240 р./шт. | 1 662 р. |
| Запросить КП на крупный опт |
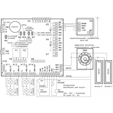
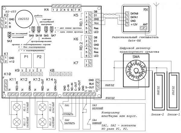
Gate-8000-Паркинг Вер.2 - сетевой (в т.ч. автономный) с интерфейсом RS-485 контроллер в металлическом корпусе c 1-им источником бесперебойного питания (вх. ~220В, вых. - 12В/1А), защитным автоматическим выключателем (220В/6А) для организации удобной и безопасной работы однополосной двунаправленной точки проезда транспорта, регулированием светофорами, контролем и учетом направления проезда.
Главными отличиями контроллера Паркинг Версии 2 от предыдущей Версии 1 являются отсутствие встроенного радиоканального считывателя, а также наличие 2-ух режимов работы со своей схемой подключения и логикой проезда.
Выбор режима работы осуществляется положением джампера - SA7 на плате.
Начиная с версии 8160/019 контроллеры Паркинг, благодаря интерфейсу Wiegand-48 (Wiegand-Автомат), обеспечивают полнофункциональную работу со считывателем Gate-RX-Duo в режиме чтения телефонных номеров и с системами распознавания автономеров (Автомаршал.Gate).
Для корректного отображения и обработки телефонных номеров и автономеров в общей системе необходимо использовать ПО Gate-Server-Terminal версии 1.22.57 и выше.
В интерфейсе Wiegand-48 (Wiegand-Автомат) поддерживаются иные Wiegand-считыватели любой битности, но код ключа при обработке и хранении в контроллере выравнивается до 48 бит.
Ввиду того, что изделие может быть модифицировано, сведения, представленные на данной странице (изображение, характеристики, документация и т.п.), могут отличаться от фактических особенностей товара. За дополнительной информацией обращайтесь в техническую поддержку.
-
Охранно-пожарная сигнализация
-
Адресные системы
-
Радиоканальные системы
-
Астра-Р (ТЕКО)
-
Астра-РИ (ТЕКО)
-
Астра-РИ-М (ТЕКО)
-
Астра-Прайм (ТЕКО)
-
Астра-Zитадель (ТЕКО)
-
Ладога-РК (Риэлта)
-
С2000Р (Болид)
-
ВЕКТОР-АР (Сибирский Арсенал)
-
ВЕТТА-2020 (Сибирский Арсенал)
-
ГРАНИТ-РК (Сибирский Арсенал)
-
Риф-Ринг-1 (Альтоника)
-
Риф-Ринг-2 (Альтоника)
-
Риф-Ринг-701 (Альтоника)
-
Риф-Ринг-200 (Альтоника)
-
Lonta Optima (Альтоника)
-
Lonta-202 (Альтоника)
-
ACS (GSN)
-
-
GSM системы
-
Приборы приемно-контрольные
-
Извещатели охранные для помещений
-
Извещатели магнитоконтактные
-
Извещатели тревожной сигнализации
-
Извещатели разбития стекла акустические
-
Извещатели разбития стекла ударноконтактные
-
Извещатели движения ультразвуковые
-
Извещатели движения инфракрасные объемные
-
Извещатели движения пассивные инфракрасные поверхностные (штора)
-
Извещатели движения пассивные инфракрасные линейные (коридор)
-
Извещатели движения пассивные инфракрасные потолочные
-
Извещатели движения комбинированные
-
Извещатели совмещенные
-
Извещатели вибрационные и емкостные
-
-
Извещатели охраны периметра
-
Извещатели охраны периметра линейные ИК-активные
-
Извещатели охраны периметра линейные радиоволновые для установки на открытых участках
-
Извещатели охраны периметра ИК-пассивные
-
Извещатели охраны периметра объемные радиоволновые
-
Извещатели охраны периметра комбинированные
-
Извещатели охраны периметра проводно-волновые
-
Извещатели охраны периметра вибрационные
-
-
Извещатели пожарные
-
Извещатели дымовые 2-х проводные
-
Извещатели дымовые 4-х проводные
-
Извещатели дымовые автономные
-
Извещатели дымовые линейные
-
Извещатели дымовые аспирационные
-
Извещатели тепловые максимальные (пороговые)
-
Извещатели тепловые максимально-дифференциальные
-
Извещатели линейные тепловые пожарные
-
Извещатели пламени
-
Извещатели ручные
-
Извещатели комбинированные
-
-
Извещатели аварийные
-
Оповещатели
-
Светильники и аварийное освещение
-
Системы активной защиты
-
Распродажа
-
-
Системы охранного телевидения
-
Системы контроля и управления доступом
-
Домофоны
-
IP-домофония
-
Идентификаторы
-
Кнопки выхода
-
Считыватели
-
Кодовые панели
-
Автономные устройства контроля доступа
-
Сетевые системы контроля доступа
-
Биометрический контроль доступа
-
Системы обратной и диспетчерской связи
-
Замки
-
Электрозащелки
-
Доводчики
-
Турникеты
-
Калитки
-
Ограждения
-
Шлагбаумы
-
Автоматика для ворот
-
Досмотровое оборудование
-
-
Системы оповещения
и управление эвакуацией-
СОУЭ Тромбон
-
СОУЭ Ария (Электротехника и Автоматика)
-
СОУЭ Соната (ВИСТЛ)
-
СОУЭ С (ИП Раченков)
-
СОУЭ МЕТА
-
СОУЭ Октава (Полисервис)
-
СОУЭ Рокот (Сибирский Арсенал)
-
СОУЭ РЕЧОР (РУССБЫТ)
-
СОУЭ РЕЧОР-АТ (АНТИТЕРРОР) (РУССБЫТ)
-
СОУЭ ПКИ-Р (СпецКомИнтегРо)
-
Системы оповещения о пожаре Asenware
-
СОУЭ ROXTON
-
Звуковое оборудование RORSYS
-
СОУЭ JDM
-
СОУЭ MKV
-
СОУЭ ZVON
-
СОУЭ INTER-М
-
-
Взрывозащищенное оборудование
-
Извещатели пожарные взрывозащищенные
-
Извещатели пожарные тепловые резервуарные
-
Извещатели пожарные тепловые точечные
-
Извещатели пожарные тепловые максимально-дифференциальные
-
Извещатели пожарные дымовые
-
Извещатели пожарные комбинированные
-
Извещатели пожарные ручные взрывозащищенные
-
Извещатели пожарные пламени взрывозащищенные
-
Комплектующие к пожарным извещателям
-
-
Извещатели пожарные линейные взрывозащищенные
-
Извещатели охранные взрывозащищенные
-
Извещатели аварийные взрывозащищенные
-
Оповещатели взрывозащищенные
-
Табло оповещения взрывозащищённое
-
Приборы приемно-контрольные и пульты управления взрывозащищенные
-
Адресные взрывозащищенные системы
-
Посты управления взрывозащищенные
-
Системы видеонаблюдения взрывозащищенные
-
Системы контроля доступа взрывозащищенные
-
Громкоговорители взрывозащищенные
-
Коробки коммутационные взрывозащищенные
-
Барьеры искрозащиты
-
Кабельные вводы взрывозащищенные
-
-
Источники вторичного электропитания
-
Расходные и монтажные материалы
-
Средства пожаротушения
-
Первичные средства пожаротушения
-
Порошковое пожаротушение
-
Водяное пожаротушение
-
Аэрозольное пожаротушение
-
Газовое пожаротушение
-
Автономные установки пожаротушения
-
Клапан сброса избыточного давления КСИД
-
Водопенное оборудование
-
Шкафы пожарные
-
Дымоудаление
-
Средства защиты и спасения
-
Знаки безопасности и плакаты
-
-
Сетевое оборудование