Количество абонентов
6 (до 24 через 3 шт. BS-306-6)
Разрешение
0,8 МП (1024х768)=700 ТВЛ
Дальность ИК-подсветки, м, до
0,5
Угол обзора,град.
90
Чувствительность, лк
0 (ИК)
Встроенная камера
Да
Реле выходы
1 (НО)
Максимально комутируемые напряжение/ток, В/А
20/1
Подключение
4-х проводное
Количество клавиш управления
6
Количество карт
960
Встроенный считыватель
Mifare
Система
PAL
Тип считывателя (без считывателя-о ключи ТМ-тм карты-к)
VIZIT-RF3.x, VIZIT-RF4.x (13,56 MГц, Mifare)
День/Ночь
Авто
Тип изделия
Блок вызова
Встроенная ИК подсветка
Да
Материал
Металл
Тип установки
Накладной
Цвет
Серый
Напряжение питания, В
19 - 26
Ток потребления. мА
260
Потребляемая мощность, Вт
5
Диапазон рабочих температур, °С
-30...+45
Степень защиты, IP
54
Габаритные размеры, мм
179х77х36
Масса, кг
0,35
Вызывная панель к видеодомофону
1 шт
- Главная
- Каталог
- Средства и системы контроля и управления доступом
- Домофоны
- Вызывные панели к видеодомофонам
- Вызывная панель к видеодомофону БВД-306FCP-6
Вызывная панель к видеодомофону БВД-306FCP-6
Артикул: 85799
9181.92 р./шт.
(с НДС)
0 р.
| Количество | Ваша цена | Экономия |
|---|---|---|
| Опт от 6 шт. | 8 799.34 р./шт. | 382.58 р. |
| Запросить КП на крупный опт |
Блок вызова на 6 абонентов. Возможность увеличения количества абонентов до 24 при подключении до 3-х кнопочных панелей BS-306-6. Встроенная телекамера цветного изображения с функцией День-ночь (700 tvl, PAL, 0 Lux / ИК подсветка для телекамеры, объектив PINHOLE 90 ). Встроенный контроллер до 960 ключей VIZIT-RF3 (RFID-13.56МГц).
Характеристики:
Производитель:
Модус-Н
Описание:
БВД-306CP-6 - блок вызова накладного типа на 6 абонентов для видеодомофона, с встроенной камерой цветного изображения и разрешением 700 ТВЛ, встроенным считывателем RFID-13,56 МГц(Mifare), возможностью увеличения количества абонентов до 24 с подключением 3-ёх кнопочных панелей BS-306-6.
Особенности:
- Персональная кнопка вызова для каждого абонента.
- Видеоконтроль обстановки перед телекамерой блока вызова.
- Дуплексная связь между посетителем и абонентом (до 80 секунд).
- Отпирание замка входной двери:
- при нажатии кнопки отпирания замка на абонентском устройстве;
- при нажатии кнопки для выхода;
- ключами VIZIT-RF3.x, VIZIT-RF4.x (13.56 МГц).
- Возможность записи ключей «квартирным» (до 40 ключей для каждой квартиры) и «сплошным» списком (до 960 ключей).
- Возможность автоматической записи ключей - режим «Акцепт» (доступен только при установке «сплошного» списка записи ключей).
- Удаление ключей.
- Общее включение/выключение сигнализации (короткий звуковой сигнал) в абонентских устройствах квартир при использовании ключей (для всех квартир).
- Включение/выключение сигнализации (короткий звуковой сигнал) в абонентском устройстве соответствующей квартиры при использовании ключей (для каждой квартиры).
- Обновление базы ключей и изменение установок с помощью бесконтактного модуля памяти VIZIT-RFM4.
- Программируемая продолжительность отпирания замка (от 1 до 20 секунд).
- Параллельная работа до 2-х блоков вызова.
- Работа с пультом консьержа.
- Связь “Консьерж - Посетитель” по инициативе консьержа.
- Сигнал вызова в абонентском устройстве и дублирование сигнала в блоке вызова на время нажатия кнопки.
- Регулировка громкости служебных сигналов.
- Регулировка громкости дуплексной связи.
- Звуковая и световая сигнализация режимов работы.
- Подсветка кнопок вызова и именных табличек.
- Автоматическая компенсация сопротивления линии, повышающая устойчивость разговорного тракта.
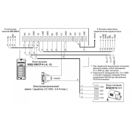
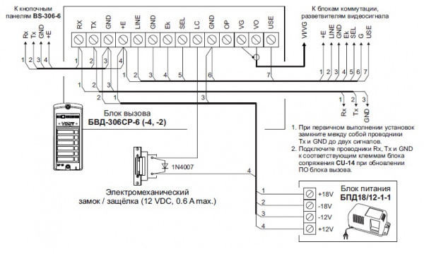
- Возможность обновления ПО на объекте (с использованием блока сопряжения CU-14).
Техническая документация
- -306x_OI_разные (вызывные панели на 2,4,6 абонен)
- CU-14_OI (блок сопряжения домофона с ПК)
- по занулению БВД-306CP-2_4_6
- BS-306-6 (кнопочная панель)
Сертификаты
Ввиду того, что изделие может быть модифицировано, сведения, представленные на данной странице (изображение, характеристики, документация и т.п.), могут отличаться от фактических особенностей товара. За дополнительной информацией обращайтесь в техническую поддержку.
Каталог товаров
-
Охранно-пожарная сигнализация
-
Адресные системы
-
Радиоканальные системы
-
Астра-Р (ТЕКО)
-
Астра-РИ (ТЕКО)
-
Астра-РИ-М (ТЕКО)
-
Астра-Прайм (ТЕКО)
-
Астра-Zитадель (ТЕКО)
-
Ладога-РК (Риэлта)
-
С2000Р (Болид)
-
ВЕКТОР-АР (Сибирский Арсенал)
-
ВЕТТА-2020 (Сибирский Арсенал)
-
ГРАНИТ-РК (Сибирский Арсенал)
-
Риф-Ринг-1 (Альтоника)
-
Риф-Ринг-2 (Альтоника)
-
Риф-Ринг-701 (Альтоника)
-
Риф-Ринг-200 (Альтоника)
-
Lonta Optima (Альтоника)
-
Lonta-202 (Альтоника)
-
ACS (GSN)
-
-
GSM системы
-
Приборы приемно-контрольные
-
Извещатели охранные для помещений
-
Извещатели магнитоконтактные
-
Извещатели тревожной сигнализации
-
Извещатели разбития стекла акустические
-
Извещатели разбития стекла ударноконтактные
-
Извещатели движения ультразвуковые
-
Извещатели движения инфракрасные объемные
-
Извещатели движения пассивные инфракрасные поверхностные (штора)
-
Извещатели движения пассивные инфракрасные линейные (коридор)
-
Извещатели движения пассивные инфракрасные потолочные
-
Извещатели движения комбинированные
-
Извещатели совмещенные
-
Извещатели вибрационные и емкостные
-
-
Извещатели охраны периметра
-
Извещатели охраны периметра линейные ИК-активные
-
Извещатели охраны периметра линейные радиоволновые для установки на открытых участках
-
Извещатели охраны периметра ИК-пассивные
-
Извещатели охраны периметра объемные радиоволновые
-
Извещатели охраны периметра комбинированные
-
Извещатели охраны периметра проводно-волновые
-
Извещатели охраны периметра вибрационные
-
-
Извещатели пожарные
-
Извещатели дымовые 2-х проводные
-
Извещатели дымовые 4-х проводные
-
Извещатели дымовые автономные
-
Извещатели дымовые линейные
-
Извещатели дымовые аспирационные
-
Извещатели тепловые максимальные (пороговые)
-
Извещатели тепловые максимально-дифференциальные
-
Извещатели линейные тепловые пожарные
-
Извещатели пламени
-
Извещатели ручные
-
Извещатели комбинированные
-
-
Извещатели аварийные
-
Оповещатели
-
Светильники и аварийное освещение
-
Системы активной защиты
-
Распродажа
-
-
Системы охранного телевидения
-
Системы контроля и управления доступом
-
Домофоны
-
IP-домофония
-
Идентификаторы
-
Кнопки выхода
-
Считыватели
-
Кодовые панели
-
Автономные устройства контроля доступа
-
Сетевые системы контроля доступа
-
Биометрический контроль доступа
-
Системы обратной и диспетчерской связи
-
Замки
-
Электрозащелки
-
Доводчики
-
Турникеты
-
Калитки
-
Ограждения
-
Шлагбаумы
-
Автоматика для ворот
-
Досмотровое оборудование
-
-
Системы оповещения
и управление эвакуацией-
СОУЭ Тромбон
-
СОУЭ Ария (Электротехника и Автоматика)
-
СОУЭ Соната (ВИСТЛ)
-
СОУЭ С (ИП Раченков)
-
СОУЭ МЕТА
-
СОУЭ Октава (Полисервис)
-
СОУЭ Рокот (Сибирский Арсенал)
-
СОУЭ РЕЧОР (РУССБЫТ)
-
СОУЭ РЕЧОР-АТ (АНТИТЕРРОР) (РУССБЫТ)
-
СОУЭ ПКИ-Р (СпецКомИнтегРо)
-
Системы оповещения о пожаре Asenware
-
СОУЭ ROXTON
-
Звуковое оборудование RORSYS
-
СОУЭ JDM
-
СОУЭ MKV
-
СОУЭ ZVON
-
СОУЭ INTER-М
-
-
Взрывозащищенное оборудование
-
Извещатели пожарные взрывозащищенные
-
Извещатели пожарные тепловые резервуарные
-
Извещатели пожарные тепловые точечные
-
Извещатели пожарные тепловые максимально-дифференциальные
-
Извещатели пожарные дымовые
-
Извещатели пожарные комбинированные
-
Извещатели пожарные ручные взрывозащищенные
-
Извещатели пожарные пламени взрывозащищенные
-
Комплектующие к пожарным извещателям
-
-
Извещатели пожарные линейные взрывозащищенные
-
Извещатели охранные взрывозащищенные
-
Извещатели аварийные взрывозащищенные
-
Оповещатели взрывозащищенные
-
Табло оповещения взрывозащищённое
-
Приборы приемно-контрольные и пульты управления взрывозащищенные
-
Адресные взрывозащищенные системы
-
Посты управления взрывозащищенные
-
Системы видеонаблюдения взрывозащищенные
-
Системы контроля доступа взрывозащищенные
-
Громкоговорители взрывозащищенные
-
Коробки коммутационные взрывозащищенные
-
Барьеры искрозащиты
-
Кабельные вводы взрывозащищенные
-
-
Источники вторичного электропитания
-
Расходные и монтажные материалы
-
Средства пожаротушения
-
Первичные средства пожаротушения
-
Порошковое пожаротушение
-
Водяное пожаротушение
-
Аэрозольное пожаротушение
-
Газовое пожаротушение
-
Автономные установки пожаротушения
-
Клапан сброса избыточного давления КСИД
-
Водопенное оборудование
-
Шкафы пожарные
-
Дымоудаление
-
Средства защиты и спасения
-
Знаки безопасности и плакаты
-
-
Сетевое оборудование