Звуковое давление,дБ
105
Маркировка взрывозащиты
1ExibmIIBТ6
Исполнение
Уличный, влагозащищённый, искробезопасный
Длина кабеля, м
1,5 (другой размер - до 15 под заказ)
Частота мигания светового сигнала, Гц
2
Способ крепления
2-мя винтами или шурупами (приоб)
По способу подключения
2-х проводный
Управление прибором
Автоматически
Дополнительное оборудование
Есть: кабель. ввод, резин. уплотнение
Крепление
Есть: крепеж. лапки
Режим работы
Звук. и свет. сигнал (подачей напряж.)
Возможность подключения неадресного оборудования
Коммутац. коробка (КСРВ) и УКЛО
по исполнению ввода
На 1-ин кабельный ввод
Тип изделия
Оповещатель светозвуковой взрывозащищённый
Материал
Пластмасса
Тип свечения лампы, светодиодов
Прерывистый
Рекомендованный кабель
С жилами не более 2,5 кв.мм
Тип оповещения
Световой и/или звуковой
Цвет
Свечение - красный по умолч. (жёлтый) - под заказ
Напряжение питания, В
165 - 253
Ток потребления. мА
48
Потребляемая мощность, Вт
4,8
Разъем
Выводы из корпуса
Диапазон рабочих температур, °С
-40...+55
Степень защиты, IP
67
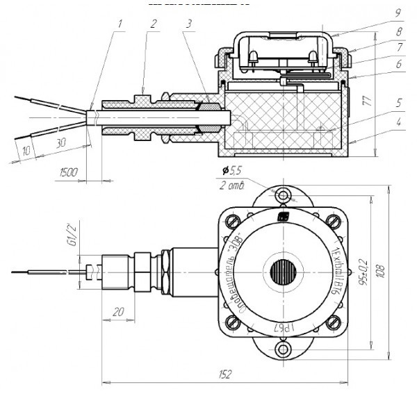
Габаритные размеры, мм
152х108х77
Масса, кг
0,75
Оповещатель комбинированный взрывозащищенный
1 шт
- Главная
- Каталог
- Взрывозащищенное оборудование
- Оповещатели взрывозащищенные
- Комбинированные
- Оповещатель комбинированный взрывозащищенный ЗОВ-220
Оповещатель комбинированный взрывозащищенный ЗОВ-220
| Количество | Ваша цена | Экономия |
|---|---|---|
| Опт от 3 шт. | 16 415.10 р./шт. | 1 396.90 р. |
| Запросить КП на крупный опт |
ЗОВ-220 - оповещатель искробезопасный пожарный взрывозащищенный (1ExibmIIBТ6), световой и/или звуковой (прерывистый - свет, 105 дБ - непрерывный звук по схеме: подачей напряжения), с проводным выводом длиной (1,5м; другая - до 15м под заказ) через кабельный ввод с присоединительной резьбой (G1/2"), напряжением питания (165 - 253 В), степенью защиты (IP67) предназначен для подачи светового и/или звукового сигнала в системах пожарной и охранной сигнализации при совместной работе с любыми приемно-контрольными устройствами и применяется на предприятиях химической, нефтегазодобывающей, нефтегазоперерабатывающей отраслей и взрывоопасных зонах (1 и ниже классов) других производств.
Особенности:
- выпускается в корпусе из пластмассы;
- виброустойчивость (заливка компаундом кроме внутренних электрических цепей);
- гальваническое разделение выходных цепей сигнализации от цепи питания;
- эксплуатация в жестких климатических условиях: от -40 до +55°С;
- цвет свечения - по умолчанию красный (жёлтый - под заказ).
Для подключения оповещателя в шлейф сигнализации производитель рекомендует использовать коробки соединительно - разветвительные (КСРВ) с маркировкой взрывозащиты (1ExdbIIBT6Gb) или аналогичные.
Для контроля исправности цепи линии питания, рекомендуется применять устройство - УКЛО (если устройство управления оповещением не выполняет данную функцию).
Крепление оповещателя осуществляется через встроенные лапки с помощью 2-ух винтов (М5) или шурупов.
Срок службы оповещателя - не менее 10 лет.
- ЗОВ разн (оповещ Взрыво свет_звук_комбинир до105дБ 180град 9-253в до150мА -55+55 IP67) руков 2016г
- КСРВ-i (коробки взрыво соедин-разветвит) руков 2018г
- УКЛО (устр контр линии оповещ)
- КСРВ разн (коробки взрыво соедин-разветвит) руков 2020г
Ввиду того, что изделие может быть модифицировано, сведения, представленные на данной странице (изображение, характеристики, документация и т.п.), могут отличаться от фактических особенностей товара. За дополнительной информацией обращайтесь в техническую поддержку.
-
Охранно-пожарная сигнализация
-
Адресные системы
-
Радиоканальные системы
-
Астра-Р (ТЕКО)
-
Астра-РИ (ТЕКО)
-
Астра-РИ-М (ТЕКО)
-
Астра-Прайм (ТЕКО)
-
Астра-Zитадель (ТЕКО)
-
Ладога-РК (Риэлта)
-
С2000Р (Болид)
-
ВЕКТОР-АР (Сибирский Арсенал)
-
ВЕТТА-2020 (Сибирский Арсенал)
-
ГРАНИТ-РК (Сибирский Арсенал)
-
Риф-Ринг-1 (Альтоника)
-
Риф-Ринг-2 (Альтоника)
-
Риф-Ринг-701 (Альтоника)
-
Риф-Ринг-200 (Альтоника)
-
Lonta Optima (Альтоника)
-
Lonta-202 (Альтоника)
-
ACS (GSN)
-
-
GSM системы
-
Приборы приемно-контрольные
-
Извещатели охранные для помещений
-
Извещатели магнитоконтактные
-
Извещатели тревожной сигнализации
-
Извещатели разбития стекла акустические
-
Извещатели разбития стекла ударноконтактные
-
Извещатели движения ультразвуковые
-
Извещатели движения инфракрасные объемные
-
Извещатели движения пассивные инфракрасные поверхностные (штора)
-
Извещатели движения пассивные инфракрасные линейные (коридор)
-
Извещатели движения пассивные инфракрасные потолочные
-
Извещатели движения комбинированные
-
Извещатели совмещенные
-
Извещатели вибрационные и емкостные
-
-
Извещатели охраны периметра
-
Извещатели охраны периметра линейные ИК-активные
-
Извещатели охраны периметра линейные радиоволновые для установки на открытых участках
-
Извещатели охраны периметра ИК-пассивные
-
Извещатели охраны периметра объемные радиоволновые
-
Извещатели охраны периметра комбинированные
-
Извещатели охраны периметра проводно-волновые
-
Извещатели охраны периметра вибрационные
-
-
Извещатели пожарные
-
Извещатели дымовые 2-х проводные
-
Извещатели дымовые 4-х проводные
-
Извещатели дымовые автономные
-
Извещатели дымовые линейные
-
Извещатели дымовые аспирационные
-
Извещатели тепловые максимальные (пороговые)
-
Извещатели тепловые максимально-дифференциальные
-
Извещатели линейные тепловые пожарные
-
Извещатели пламени
-
Извещатели ручные
-
Извещатели комбинированные
-
-
Извещатели аварийные
-
Оповещатели
-
Светильники и аварийное освещение
-
Системы активной защиты
-
Распродажа
-
-
Системы охранного телевидения
-
Системы контроля и управления доступом
-
Домофоны
-
IP-домофония
-
Идентификаторы
-
Кнопки выхода
-
Считыватели
-
Кодовые панели
-
Автономные устройства контроля доступа
-
Сетевые системы контроля доступа
-
Биометрический контроль доступа
-
Системы обратной и диспетчерской связи
-
Замки
-
Электрозащелки
-
Доводчики
-
Турникеты
-
Калитки
-
Ограждения
-
Шлагбаумы
-
Автоматика для ворот
-
Досмотровое оборудование
-
-
Системы оповещения
и управление эвакуацией-
СОУЭ Тромбон
-
СОУЭ Ария (Электротехника и Автоматика)
-
СОУЭ Соната (ВИСТЛ)
-
СОУЭ С (ИП Раченков)
-
СОУЭ МЕТА
-
СОУЭ Октава (Полисервис)
-
СОУЭ Рокот (Сибирский Арсенал)
-
СОУЭ РЕЧОР (РУССБЫТ)
-
СОУЭ РЕЧОР-АТ (АНТИТЕРРОР) (РУССБЫТ)
-
СОУЭ ПКИ-Р (СпецКомИнтегРо)
-
Системы оповещения о пожаре Asenware
-
СОУЭ ROXTON
-
Звуковое оборудование RORSYS
-
СОУЭ JDM
-
СОУЭ MKV
-
СОУЭ ZVON
-
СОУЭ INTER-М
-
-
Взрывозащищенное оборудование
-
Извещатели пожарные взрывозащищенные
-
Извещатели пожарные тепловые резервуарные
-
Извещатели пожарные тепловые точечные
-
Извещатели пожарные тепловые максимально-дифференциальные
-
Извещатели пожарные дымовые
-
Извещатели пожарные комбинированные
-
Извещатели пожарные ручные взрывозащищенные
-
Извещатели пожарные пламени взрывозащищенные
-
Комплектующие к пожарным извещателям
-
-
Извещатели пожарные линейные взрывозащищенные
-
Извещатели охранные взрывозащищенные
-
Извещатели аварийные взрывозащищенные
-
Оповещатели взрывозащищенные
-
Табло оповещения взрывозащищённое
-
Приборы приемно-контрольные и пульты управления взрывозащищенные
-
Адресные взрывозащищенные системы
-
Посты управления взрывозащищенные
-
Системы видеонаблюдения взрывозащищенные
-
Системы контроля доступа взрывозащищенные
-
Громкоговорители взрывозащищенные
-
Коробки коммутационные взрывозащищенные
-
Барьеры искрозащиты
-
Кабельные вводы взрывозащищенные
-
-
Источники вторичного электропитания
-
Расходные и монтажные материалы
-
Средства пожаротушения
-
Первичные средства пожаротушения
-
Порошковое пожаротушение
-
Водяное пожаротушение
-
Аэрозольное пожаротушение
-
Газовое пожаротушение
-
Автономные установки пожаротушения
-
Клапан сброса избыточного давления КСИД
-
Водопенное оборудование
-
Шкафы пожарные
-
Дымоудаление
-
Средства защиты и спасения
-
Знаки безопасности и плакаты
-
-
Сетевое оборудование