Прибор приемно-контрольный Яхонт 16И-01 с АКБ

Артикул: 213792
Спецприбор
53680 р./шт.
(с НДС)
Количество Ваша цена Экономия
Опт от 1 шт. 49 385.60 р./шт. 4 294.40 р.
Запросить КП на крупный опт
RUB
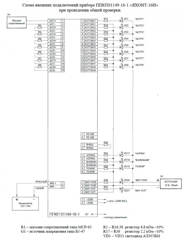
8 ШС, взрывозащита [Exia]IIB (пасс/акт, информативность -6, АСПТ 48В/0,2А, ПЦН, оповещ., архив 1500 соб., встр. РИП с аккум., интерфейс RS485)
Тинко-СБ
Характеристики:
Производитель: Спецприбор

Количество ШС 8+1 (тампер вскрытия)
Ток нагрузки в ШС, мА 1,5
Буфер событий 1500
Номинальный ток выхода, А 0,2 (для АСПТ)
Маркировка взрывозащиты ExiаGaIIB
Исполнение Искробезопасный
Дисплей ЖК
Время готовности к работе, с, не более 10
Минимальное напряжение срабатывания защиты, В 10
Время задержки на вход/выход, с 10 - 120 (с шагом 10 сек)
Реле выходы 13 (НО - сухой контакт)
Количество клавиш управления 18
Номинальное сопротивление выносного резистора, кОм 1; 1,2; 2; 2,2; 5,6; 8,2; 12
Встраиваемый АКБ 1х7 Ач
Максимально комутируемые напряжение/ток, В/А 250/0,5; 48/0,2
Напряжение в ШС, В 9 - 11
Протокол связи в сети Modbus RTU
Интерфейс RS-485, USB
Возможность подключения неадресного оборудования АСПТ, устр. оповещ (УО), АСУТП, ПК
Управление прибором Вручную, удалённо
Тестирование (проверка) работы Кнопкой - ТЕСТ
Материал Металл, окрашенный порошковым методом
Клавиатура (или регистратор) Механические кнопки
Количество светодиодов, шт. Много
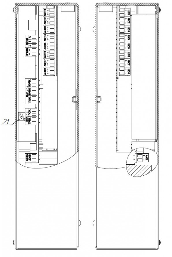
Тип установки Накладной настенный
Тип изделия Прибор приемно-контрольный охранно-пожарный и управления взрывозащищённый
Рекомендованный кабель С жилами не более 1,5 кв.мм
Цвет Светло-серый
Индикация Световая и звуковая
Контроль линии оповещения Через УКЛО (приоб)
Напряжение питания, В 11,4 - 13,6 (резерв); 187 - 242
Ток потребления. мА 300
Потребляемая мощность, Вт 13,2
Диапазон рабочих температур, °С -10...+50
Степень защиты, IP 20
Габаритные размеры, мм 294х216х76
Масса, кг 5,3
Прибор приемно-контрольный 1 шт

Описание:

Яхонт 16И-01 с АКБ - прибор на 8ШС приёмно-контрольный искробезопасный охранно-пожарный настенный взрывозащищённый (ExiаGaIIB), степенью защиты (IP20), напряжением питания (187 - 242 В) или резервного (11,4 - 13,6 В) от 1-ого встроенного АКБ (7Ач) предназначен для использования в системах пожарной, охранно-пожарной сигнализации и автоматического пожаротушения объектов, расположенных во взрывоопасных зонах.

Устройство обеспечивает связь только по 1-ому интерфейсу: по протоколу (Modbus RTU) через (RS-485) с автоматическими системами управления технологическими процессами (АСУТП) или через (USB) с ПК.

Шлейфы сигнализации могут конфигурироваться для работы как в пожарном, так и в охранном режиме с возможностью ручной постановки/снятия с охраны.

Данный прибор установливается вне взрывоопасных зон помещений и наружных установок, а также вне взрывоопасных зон рудников и шахт, опасных по рудничному газу и горючей пыли.

Устройство осуществляет непрерывный контроль состояния 8-и шлейфов сигнализации (8ШС), электропитание и прием сигналов от пожарных и охранных извещателей, выдачу информации на пульт централизованного наблюдения (ПЦН), а также выдачу сигналов управления на автоматические средства пожаротушения (АСПТ) и устройства оповещения (УО).

Особенности:

  • гальванически независимые выходы адресного управления АСПТ;
  • программирование тактики формирования извещения о пожаре («С ВНИМАНИЕМ», «С ПЕРЕЗАПРОСОМ»);
  • переключение любого шлейфа в ОХРАННЫЙ тип с функцией ручной постановки/снятия с охраны;
  • архив на 1500 событий с регистрацией времени и даты;
  • управление внешними устройствами оповещения большой мощности;
  • защита от несанкционированного доступа к органам управления и внутрь корпуса.

Срок службы прибора - не менее 10 лет.

Техническая документация
Сертификаты

Ввиду того, что изделие может быть модифицировано, сведения, представленные на данной странице (изображение, характеристики, документация и т.п.), могут отличаться от фактических особенностей товара. За дополнительной информацией обращайтесь в техническую поддержку.