Выходное напряжение, В
DC (48 - 55)
Номинальный ток выхода, А
8
Исполнение
Автономный, сетевой, уличный
Количество портов
8 (Ethernet и PoE) + 4 SFP
Скорость передачи данных, Гбит/с
1
Количество светодиодов, шт.
24
Суммарная мощность POE ,Вт
240
Мощность POE на порт,Вт
30
Рекомендуемый АКБ, А*ч
4х7
Стандарты
IEEE 802.3af/at (до 30Вт)
Система
IP
Дополнительное оборудование
Встр.тампер сигн.; блок упр.климат.(БУК-5); обогр.(ОТШ-40)
Обогрев/вентиляция
Есть/нет
Материал
Металл, окрашенный порошковым методом
Тип установки
Настенный и вертикаль. опору
Цвет
Светло-серый
Индикация
Световая
Тип изделия
Узел коммутации всепогодный
Напряжение питания, В
198 - 242
Ток потребления. мА
2400
Потребляемая мощность, Вт
60 (обогрев)/310 (шкаф)
Разъем
RJ45, клеммы, SC
Диапазон рабочих температур, °С
-60...+50
Степень защиты, IP
66
Габаритные размеры, мм
380х380х210
Масса, кг
18
Сетевой коммутатор
1 шт
- Главная
- Каталог
- Сетевое оборудование
- Сетевые коммутаторы
- Сетевой коммутатор ВУК-38У-РоЕ+ Р2
Сетевой коммутатор ВУК-38У-РоЕ+ Р2
Артикул: 320788
132720 р./шт.
(с НДС)
0 р.
| Количество | Ваша цена | Экономия |
|---|---|---|
| Опт от 1 шт. | 112 812 р./шт. | 19 908 р. |
| Запросить КП на крупный опт |
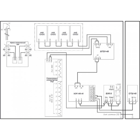
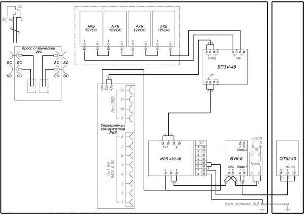
Всепогодный узел коммутации для обеспечения работы до 8-и IP-видеокамер с питанием по технологии РоЕ/PoE+, а также поддержания заданного температурного режима при эксплуатации. Оборудован комплектом бесперебойного питания (КБП-48/8 (7,2А ч)).
Характеристики:
Производитель:
Тахион
Описание:
ВУК-38У-РоЕ+ Р2 - всепогодный узел коммутации для обеспечения работы от 1-й до 8-и IP-видеокамер с питанием по технологии РоЕ/PoE+, организации группового канала передачи данных по волоконно-оптической сети, а также поддержания заданного температурного режима при эксплуатации задействованного оборудования.
Особенности:
- блок управления климатом (БУК-5), предназначенный для управление обогревом;
- обогреватель термошкафа (ОТШ-60), оборудованный встроенным биметаллическим выключателем,ограничивающим температуру поверхности радиатора до +90°С;
- комплект бесперебойного питания КБП -48/8 (7,2А·ч) в составе:
- AC/DC преобразователь NDR-480-48 MeanWell;
- блок переключения питания с зарядным устройством БПЗУ-48 предназначен для создания системы бесперебойного питания с использованием внешнего источника питания 48В DC и подключенных последовательно 12 В аккумуляторных батарей (АКБ типа DTM1207 - 4шт.);
- кронштейн для установки АКБ;
- тамперный контакт для сигнализации о несанкционированном доступе;
- степень защиты - IP 66;
- габаритные размеры (без гермовводов) - 380х380х210 мм;
- диапазон рабочих температур - от -60 до +500С;
- напряжение питания - 198 - 242 В, 50 Гц;
- максимальный ток нагрузки - 6,0 А;
- потребляемая мощность обогревателя - 60 Вт;
- 8 гермовводов PBA9-08 для кабеля 4,5-8 мм.;
- 2 гермоввода PBA11-10 для кабеля 6-10 мм.;
- 2 гермоввода PBA13,5-11 для кабеля 7-12 мм.
Дополнительно пробретаются:
- Устройства защиты от импульсных перенапряжений (УЗИП).
- SFP-модули.
- Комплект для крепления на стену.
- Замок для термошкафа.
- Система холодного запуска аппаратуры.
- Козырек - К-7.
- Комплект для крепления на опоры диаметром от 40 до 190мм (круглого сечения), от 50 до 150мм (прямоугольного сечения).
Техническая документация
Сертификаты
Ввиду того, что изделие может быть модифицировано, сведения, представленные на данной странице (изображение, характеристики, документация и т.п.), могут отличаться от фактических особенностей товара. За дополнительной информацией обращайтесь в техническую поддержку.
Каталог товаров
-
Охранно-пожарная сигнализация
-
Адресные системы
-
Радиоканальные системы
-
Астра-Р (ТЕКО)
-
Астра-РИ (ТЕКО)
-
Астра-РИ-М (ТЕКО)
-
Астра-Прайм (ТЕКО)
-
Астра-Zитадель (ТЕКО)
-
Ладога-РК (Риэлта)
-
С2000Р (Болид)
-
ВЕКТОР-АР (Сибирский Арсенал)
-
ВЕТТА-2020 (Сибирский Арсенал)
-
ГРАНИТ-РК (Сибирский Арсенал)
-
Риф-Ринг-1 (Альтоника)
-
Риф-Ринг-2 (Альтоника)
-
Риф-Ринг-701 (Альтоника)
-
Риф-Ринг-200 (Альтоника)
-
Lonta Optima (Альтоника)
-
Lonta-202 (Альтоника)
-
ACS (GSN)
-
-
GSM системы
-
Приборы приемно-контрольные
-
Извещатели охранные для помещений
-
Извещатели магнитоконтактные
-
Извещатели тревожной сигнализации
-
Извещатели разбития стекла акустические
-
Извещатели разбития стекла ударноконтактные
-
Извещатели движения ультразвуковые
-
Извещатели движения инфракрасные объемные
-
Извещатели движения пассивные инфракрасные поверхностные (штора)
-
Извещатели движения пассивные инфракрасные линейные (коридор)
-
Извещатели движения пассивные инфракрасные потолочные
-
Извещатели движения комбинированные
-
Извещатели совмещенные
-
Извещатели вибрационные и емкостные
-
-
Извещатели охраны периметра
-
Извещатели охраны периметра линейные ИК-активные
-
Извещатели охраны периметра линейные радиоволновые для установки на открытых участках
-
Извещатели охраны периметра ИК-пассивные
-
Извещатели охраны периметра объемные радиоволновые
-
Извещатели охраны периметра комбинированные
-
Извещатели охраны периметра проводно-волновые
-
Извещатели охраны периметра вибрационные
-
-
Извещатели пожарные
-
Извещатели дымовые 2-х проводные
-
Извещатели дымовые 4-х проводные
-
Извещатели дымовые автономные
-
Извещатели дымовые линейные
-
Извещатели дымовые аспирационные
-
Извещатели тепловые максимальные (пороговые)
-
Извещатели тепловые максимально-дифференциальные
-
Извещатели линейные тепловые пожарные
-
Извещатели пламени
-
Извещатели ручные
-
Извещатели комбинированные
-
-
Извещатели аварийные
-
Оповещатели
-
Светильники и аварийное освещение
-
Системы активной защиты
-
Распродажа
-
-
Системы охранного телевидения
-
Системы контроля и управления доступом
-
Домофоны
-
IP-домофония
-
Идентификаторы
-
Кнопки выхода
-
Считыватели
-
Кодовые панели
-
Автономные устройства контроля доступа
-
Сетевые системы контроля доступа
-
Биометрический контроль доступа
-
Системы обратной и диспетчерской связи
-
Замки
-
Электрозащелки
-
Доводчики
-
Турникеты
-
Калитки
-
Ограждения
-
Шлагбаумы
-
Автоматика для ворот
-
Досмотровое оборудование
-
-
Системы оповещения
и управление эвакуацией-
СОУЭ Тромбон
-
СОУЭ Ария (Электротехника и Автоматика)
-
СОУЭ Соната (ВИСТЛ)
-
СОУЭ С (ИП Раченков)
-
СОУЭ МЕТА
-
СОУЭ Октава (Полисервис)
-
СОУЭ Рокот (Сибирский Арсенал)
-
СОУЭ РЕЧОР (РУССБЫТ)
-
СОУЭ РЕЧОР-АТ (АНТИТЕРРОР) (РУССБЫТ)
-
СОУЭ ПКИ-Р (СпецКомИнтегРо)
-
Системы оповещения о пожаре Asenware
-
СОУЭ ROXTON
-
Звуковое оборудование RORSYS
-
СОУЭ JDM
-
СОУЭ MKV
-
СОУЭ ZVON
-
СОУЭ INTER-М
-
-
Взрывозащищенное оборудование
-
Извещатели пожарные взрывозащищенные
-
Извещатели пожарные тепловые резервуарные
-
Извещатели пожарные тепловые точечные
-
Извещатели пожарные тепловые максимально-дифференциальные
-
Извещатели пожарные дымовые
-
Извещатели пожарные комбинированные
-
Извещатели пожарные ручные взрывозащищенные
-
Извещатели пожарные пламени взрывозащищенные
-
Комплектующие к пожарным извещателям
-
-
Извещатели пожарные линейные взрывозащищенные
-
Извещатели охранные взрывозащищенные
-
Извещатели аварийные взрывозащищенные
-
Оповещатели взрывозащищенные
-
Табло оповещения взрывозащищённое
-
Приборы приемно-контрольные и пульты управления взрывозащищенные
-
Адресные взрывозащищенные системы
-
Посты управления взрывозащищенные
-
Системы видеонаблюдения взрывозащищенные
-
Системы контроля доступа взрывозащищенные
-
Громкоговорители взрывозащищенные
-
Коробки коммутационные взрывозащищенные
-
Барьеры искрозащиты
-
Кабельные вводы взрывозащищенные
-
-
Источники вторичного электропитания
-
Расходные и монтажные материалы
-
Средства пожаротушения
-
Первичные средства пожаротушения
-
Порошковое пожаротушение
-
Водяное пожаротушение
-
Аэрозольное пожаротушение
-
Газовое пожаротушение
-
Автономные установки пожаротушения
-
Клапан сброса избыточного давления КСИД
-
Водопенное оборудование
-
Шкафы пожарные
-
Дымоудаление
-
Средства защиты и спасения
-
Знаки безопасности и плакаты
-
-
Сетевое оборудование