Частота мигания светового сигнала, Гц
0,6 ± 0,1
Длительность работы от АКБ, час
До 8
Батарейка
Литиевая батарея CR123A, 3 В
Тип изделия
Оповещатель комбинированный
Уровень шума не более
От 85 до 100 дБ
Диапазон рабочих температур, °С
-30 ... +55
Степень защиты, IP
IP41
Габаритные размеры, мм
142х92х44
Масса, кг
0,40
ВОСХОД-034-АП
Артикул: 232067
2770 р./шт.
(с НДС)
0 р.
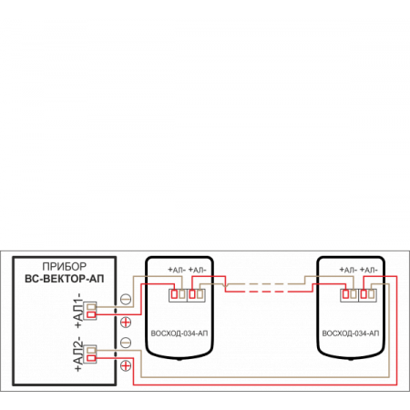
Оповещатель пожарный комбинированный свето - звуковой адресный питается от адресной линии и автономного источника питания. В тревожном режиме непрерывная выдача звука и мигание 1 раз в сек. Содержит 2 встроенных размыкателя – изолятра адресной линии. К адресной линии может быть подключено до 200 ВОСХОД-034-АП.
Характеристики:
Производитель:
Сибирский Арсенал
Описание:
Оповещатель предназначен для выдачи на объекте тревожных сообщений о пожаре или тревоге. Оповещатель мигающим красным светом и звуком сирены информирует окружающих о произошедшем тревожном событии. Оповещатель работает под управлением адресных приборов «ВС-ВЕКТОР-АП220» и «ВС-ВЕКТОР-АП250» и подключается к их двухпроводной адресной линии. В дежурном режиме оповещатель питается от адресной линии, а в режиме оповещения для питания дополнительно используется автономный источник питания – литиевая дополнительная батарея, которая входит в комплект поставки. Оповещатель имеет два встроенных изолятора короткого замыкания адресной линии.
Особенности
- В результате использования автономного источника питания в режиме оповещения, оповещение продолжается не зависимо от целостности адресной линии.
- Длительность непрерывного оповещения до 8 час.
- Срок службы батареи при ежемесячном тестовом воспроизведении сообщения в течение 5 минут до 10 лет.
- Возможность задания на устройстве режимов работы: «Охранно-пожарный оповещатель, «Пожарный оповещатель», «Охранный оповещатель».
- Контроль заряда батареи, выдача предупреждающих сообщений о необходимости замены батареи.
- Контроль короткого замыкания адресной линии в обоих направлениях от оповещателя, два встроенных изолятора короткого замыкания, отключение закороченного участка АЛ.
- Измерение напряжения и сопротивления адресной линии в месте подключения оповещателя.
- К адресной линии прибора «ВС-ВЕКТОР-АП250» может быть подключено до 200 оповещателей «ВОСХОД-034-АП».
- Расширенная индикация состояний оповещателя, упрощающая эксплуатацию адресной системы.
- Воспроизведение тестовых сообщений ручным способом и по команде от прибора
Техническая документация
Сертификаты
Ввиду того, что изделие может быть модифицировано, сведения, представленные на данной странице (изображение, характеристики, документация и т.п.), могут отличаться от фактических особенностей товара. За дополнительной информацией обращайтесь в техническую поддержку.
Каталог товаров
-
Охранно-пожарная сигнализация
-
Адресные системы
-
Радиоканальные системы
-
Астра-Р (ТЕКО)
-
Астра-РИ (ТЕКО)
-
Астра-РИ-М (ТЕКО)
-
Астра-Прайм (ТЕКО)
-
Астра-Zитадель (ТЕКО)
-
Ладога-РК (Риэлта)
-
С2000Р (Болид)
-
ВЕКТОР-АР (Сибирский Арсенал)
-
ВЕТТА-2020 (Сибирский Арсенал)
-
ГРАНИТ-РК (Сибирский Арсенал)
-
Риф-Ринг-1 (Альтоника)
-
Риф-Ринг-2 (Альтоника)
-
Риф-Ринг-701 (Альтоника)
-
Риф-Ринг-200 (Альтоника)
-
Lonta Optima (Альтоника)
-
Lonta-202 (Альтоника)
-
ACS (GSN)
-
-
GSM системы
-
Приборы приемно-контрольные
-
Извещатели охранные для помещений
-
Извещатели магнитоконтактные
-
Извещатели тревожной сигнализации
-
Извещатели разбития стекла акустические
-
Извещатели разбития стекла ударноконтактные
-
Извещатели движения ультразвуковые
-
Извещатели движения инфракрасные объемные
-
Извещатели движения пассивные инфракрасные поверхностные (штора)
-
Извещатели движения пассивные инфракрасные линейные (коридор)
-
Извещатели движения пассивные инфракрасные потолочные
-
Извещатели движения комбинированные
-
Извещатели совмещенные
-
Извещатели вибрационные и емкостные
-
-
Извещатели охраны периметра
-
Извещатели охраны периметра линейные ИК-активные
-
Извещатели охраны периметра линейные радиоволновые для установки на открытых участках
-
Извещатели охраны периметра ИК-пассивные
-
Извещатели охраны периметра объемные радиоволновые
-
Извещатели охраны периметра комбинированные
-
Извещатели охраны периметра проводно-волновые
-
Извещатели охраны периметра вибрационные
-
-
Извещатели пожарные
-
Извещатели дымовые 2-х проводные
-
Извещатели дымовые 4-х проводные
-
Извещатели дымовые автономные
-
Извещатели дымовые линейные
-
Извещатели дымовые аспирационные
-
Извещатели тепловые максимальные (пороговые)
-
Извещатели тепловые максимально-дифференциальные
-
Извещатели линейные тепловые пожарные
-
Извещатели пламени
-
Извещатели ручные
-
Извещатели комбинированные
-
-
Извещатели аварийные
-
Оповещатели
-
Светильники и аварийное освещение
-
Системы активной защиты
-
Распродажа
-
-
Системы охранного телевидения
-
Системы контроля и управления доступом
-
Домофоны
-
IP-домофония
-
Идентификаторы
-
Кнопки выхода
-
Считыватели
-
Кодовые панели
-
Автономные устройства контроля доступа
-
Сетевые системы контроля доступа
-
Биометрический контроль доступа
-
Системы обратной и диспетчерской связи
-
Замки
-
Электрозащелки
-
Доводчики
-
Турникеты
-
Калитки
-
Ограждения
-
Шлагбаумы
-
Автоматика для ворот
-
Досмотровое оборудование
-
-
Системы оповещения
и управление эвакуацией-
СОУЭ Тромбон
-
СОУЭ Ария (Электротехника и Автоматика)
-
СОУЭ Соната (ВИСТЛ)
-
СОУЭ С (ИП Раченков)
-
СОУЭ МЕТА
-
СОУЭ Октава (Полисервис)
-
СОУЭ Рокот (Сибирский Арсенал)
-
СОУЭ РЕЧОР (РУССБЫТ)
-
СОУЭ РЕЧОР-АТ (АНТИТЕРРОР) (РУССБЫТ)
-
СОУЭ ПКИ-Р (СпецКомИнтегРо)
-
Системы оповещения о пожаре Asenware
-
СОУЭ ROXTON
-
Звуковое оборудование RORSYS
-
СОУЭ JDM
-
СОУЭ MKV
-
СОУЭ ZVON
-
СОУЭ INTER-М
-
-
Взрывозащищенное оборудование
-
Извещатели пожарные взрывозащищенные
-
Извещатели пожарные тепловые резервуарные
-
Извещатели пожарные тепловые точечные
-
Извещатели пожарные тепловые максимально-дифференциальные
-
Извещатели пожарные дымовые
-
Извещатели пожарные комбинированные
-
Извещатели пожарные ручные взрывозащищенные
-
Извещатели пожарные пламени взрывозащищенные
-
Комплектующие к пожарным извещателям
-
-
Извещатели пожарные линейные взрывозащищенные
-
Извещатели охранные взрывозащищенные
-
Извещатели аварийные взрывозащищенные
-
Оповещатели взрывозащищенные
-
Табло оповещения взрывозащищённое
-
Приборы приемно-контрольные и пульты управления взрывозащищенные
-
Адресные взрывозащищенные системы
-
Посты управления взрывозащищенные
-
Системы видеонаблюдения взрывозащищенные
-
Системы контроля доступа взрывозащищенные
-
Громкоговорители взрывозащищенные
-
Коробки коммутационные взрывозащищенные
-
Барьеры искрозащиты
-
Кабельные вводы взрывозащищенные
-
-
Источники вторичного электропитания
-
Расходные и монтажные материалы
-
Средства пожаротушения
-
Первичные средства пожаротушения
-
Порошковое пожаротушение
-
Водяное пожаротушение
-
Аэрозольное пожаротушение
-
Газовое пожаротушение
-
Автономные установки пожаротушения
-
Клапан сброса избыточного давления КСИД
-
Водопенное оборудование
-
Шкафы пожарные
-
Дымоудаление
-
Средства защиты и спасения
-
Знаки безопасности и плакаты
-
-
Сетевое оборудование