Прибор приемно-контрольный ВЭРС-ПК8 ТРИО-М (версия 3.2)

Артикул: 223977
ВЭРС
15336 р./шт.
(с НДС)
Количество Ваша цена Экономия
Опт от 4 шт. 14 109 р./шт. 1 227 р.
Запросить КП на крупный опт
RUB
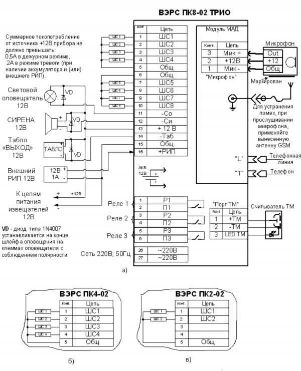
8 охранно/пожарных/технологических ШС, 3 реле, выходы на оповещатели. Передача извещений пользователю (72 номера, 9 групп сообщений) и управление ШС и реле ПЦН по телефону, 2 SIM-карты, автоматическое отслеживание баланса, контроль температуры, аудио наблюдение. Программирование прибора кнопками управления прибора и через компьютер с использованием ПО "ВЭРС Конфигуратор". Высокоэффективный импульсный источник питания (135-242В), АКБ 4,5А*ч. Пластмассовый корпус. АКБ, внешняя антенна для GSM-модуля и микрофон в комплект поставки не входят.
Тинко-СБ
Характеристики:
Производитель: ВЭРС

Количество ШС 8
Ток нагрузки в ШС, мА 2,8 - 22
Количество разделов, до 4
Количество телефонных номеров пользователей 72
Буфер событий 3000
Количество каналов 1GSM (2 Sim)+1ТЛФ
Коэффициент вероятности безотказной работы, не менее 0,97
Мощность излучения,мВт 10
Количество клавиш управления 10
Количество светодиодов, шт. 15
Напряжение в ШС, В 15,3 - 23
Максимально комутируемые напряжение/ток, В/А 250/7
Максимальное количество ключей 255
Реле выходы 3 (НО и НЗ) программируемые
Рекомендуемый АКБ, А*ч 4,5
Номинальное сопротивление выносного резистора, кОм 7,5
Интерфейс Dallas TM, RS-485, USB
Тип считывателя (без считывателя-о ключи ТМ-тм карты-к) TM; Em-Marine (с эмул ТМ)
Цвет Белый+серый (блок управления)
Возможности передачи информации Голосовые и/или SMS - сообщения
Оконечный элемент Диод 1N4007+резистор 0,125 Вт-7,5 кОм
Материал Пластик
Тип изделия Прибор GSM-сигнализации
Индикация Световая и звуковая
Клавиатура (или регистратор) Сенсорные кнопки
Возможность подключения неадресного оборудования Термодатчика, газоанализатора и др.
Прослушивание разговоров (фона) помещения/объекта Через подкл микрофона к ВЭРС-МАД
Напряжение питания, В 135 - 242
Ток потребления. мА 160
Потребляемая мощность, Вт 8,4
Разъем USB, клеммы
Диапазон рабочих температур, °С -30...+50
Каналы связи GSM (850/900/1800/1900 МГц); телефонная линия (ТЛФ)
Степень защиты, IP 20
Габаритные размеры, мм 240х200х83,5
Масса (без аккумулятора) , не более, кг 0,9
Прибор приемно-контрольный 1 шт

Описание:

ВЭРС-ПК 8 ТРИО-М версия 3.2 - автодозвонная система охраны (с предустановленным модулем автодозвона ВЭРС-МАД) и мониторинга предназначена через 8 ШС для организации на объектах охраны от проникновения посторонних лиц, пожарной сигнализации и оповещения (через встроенный речевой модуль с возможностью записи голосовых сообщений).

Система обеспечивает автоматическое информирование пользователей о состоянии объекта речевыми сообщениями и/или SMS сообщениями, передаваемыми на телефоны по сети GSM (с использованием основной или резервной SIM-карты) и/или по проводной телефонной сети (ГТС).

Приборы ВЭРС-ПК2/4/8 ТРИО-М Версия 3.2 сохраняют полную преемственность приборам ВЭРС-ПК2/4/8 ТРИО-М по функционалу и схеме подключения, но обладают рядом преимуществ:

  • Внедрен высокоэффективный импульсный источник питания;
  • Расширен диапазон рабочего сетевого напряжения - 135-242 В;
  • Поддерживается полноценная работа с глубоко разряженной АКБ;
  • Прибор оснащен встроенным интерфейсом USB для загрузки и считывания конфигурации;
  • Уменьшен удельный вес прибора.

В технологический шлейф сигнализации (ШСТ) прибора могут быть включены сухие гальванически изолированные контакты промышленных датчиков, газоанализаторов, датчики протечек и т.д.:

  • датчики протечки воды типа «ВЭРС-ДПВ» и подобные им;
  • датчики природного газа типа TGDR-1224M и подобные им;
  • выходные цепи реле ПЦН приемно-контрольных приборов ВЭРС-ПК и подобные им.
  • релейные модули «ВЭРС-БРУ» и подобные им.

Возможности и особенности:

  • Передача извещений пользователю на 72 запрограммированных номеров телефонов (GSM, ГТС) в виде речевых сообщений и SMS сообщений.
  • Количество номеров дозвона:
    ГТС – 24
    GSM – 24
    GSM SMS - 24
  • Установка и использование двух SIM карт для резервирования каналов дозвона и повышения надежности системы;
  • Контроль глушения сигнала GSM.
  • Автоматический переход на использование второй SIM-карты с регистрацией события в энергонезависимой памяти и передачей соответствующего сообщения;
  • Контроль исправности линии связи ГТС;
  • Автоматический контроль баланса на используемых SIM-картах;
  • Дистанционное управление ШС приборов, запрос состояния ШС с защитой от несанкционированного доступа паролем и белым списком (перечнем номеров телефонов, разрешенных для связи).
  • Дистанционное и по расписанию управление тремя пользовательскими реле, (250В, 5А);
  • Встроенный регистратор событий на 3000 записей;
  • Длительность одной попытки дозвона - 60 секунд;
  • Максимальное количество попыток дозвона по каждому номеру ГТС или GSM – 3;
  • Выбор групп событий, по которым передаются сообщения: постановка/снятие, тревога, пожар, внимание, техническое обслуживание, режим питания, состояние АКБ, состояние счетов GSM, состояние температуры;
  • Возможность передачи сообщений о состоянии одного или нескольких ШС на конкретные номера телефонов;
  • Автоматизированная разметка SIM-карты для конфигурации МАД с внешнего телефона (запись шаблона в SIM-карту с индикацией процесса записи) и настройка исходной конфигурации для модуля автодозвона;
  • Возможность ручной конфигурации параметров прибора с помощью его встроенных органов управления;
  • Возможность конфигурации прибора и модуля автодозвона, посредством компьютерной программы «ВЭРС Конфигуратор», через USB интерфейс;
  • Возможность обязательного (безусловного) дозвона на несколько телефонов из общего списка;
  • Возможность выбора групп передаваемых сообщений по каждому исходящему телефонному номеру;
  • Задание пользователем своих текстов SMS для сообщений передаваемых прибором по событиям ТРЕВОГА, ПОЖАР, ТЕХНОЛОГИЧЕСКАЯ СРАБОТКА;
  • Передача ФИО владельца ключа Touch Memory в SMS для событий постановки/снятия ШСО ключами Touch Memory;
  • Выбор голоса для оповещения из 6 предустановленных в программе «ВЭРС Конфигуратор» или создание собственных голосовых оповещений;
  • Контроль температуры с помощью внешнего подключаемого датчика «ВЭРС-Т» с возможностью автоматического оповещения или оповещения по запросу текущего состояния;
  • Контроль акустической обстановки с помощью внешнего подключаемого «Активного микрофона ТРИО».

В комплект поставки входят:

  • Прибор
  • Ключ Touch Memory DS1990A - 2шт.
  • Выносной считыватель Touch Memory - 1 шт.
  • Соединительный кабель USB Mini-B to standart-A.
Техническая документация
Сертификаты

Ввиду того, что изделие может быть модифицировано, сведения, представленные на данной странице (изображение, характеристики, документация и т.п.), могут отличаться от фактических особенностей товара. За дополнительной информацией обращайтесь в техническую поддержку.