Выходное напряжение, В
4 (Ом) - нет/70/100
Количество зон
10
Дисплей
ЖК - 3шт. (для каждой встр системы)
Количество каналов управления
10
Частотный диапазон,Гц
120 - 15000
Количество светодиодов, шт.
14
Номинальная мощность,Вт
240
Энергонезависимая память,
30 станций вещания
Рабочая частота
522 кГц - 108МГц (для 30 станций)
Количество линейных входов
7 (5 микр.+2 лин)
Дополнительное оборудование
Встр. 7-и полос эквалайзер, проигр, тюнер, магнитоф
Тип изделия
Комбинированный микшер-усилитель
Крепление
Кронштейн (BKT-SYS2240A приоб.)
Материал
Металл
Тип установки
Настольный, в 19" стойку
Регулируемая громкость
Независимая для каждой зоны
Управление прибором
По WEB-интерфейсу, переключателями, пультом
Индикация
Световая и звуковая
Цвет
Черный
Отношение сигнал/шум, дБ
75
Напряжение питания, В
220 - 240
Ток потребления. мА
3400
Потребляемая мощность, Вт
440
Разъем
Клеммы, XLR, (TRS) Jack 6,3 мм
Диапазон рабочих температур, °С
-10...+40
Степень защиты, IP
20
Габаритные размеры, мм
420х275х345
Масса, кг
23,84
SYS-2240G
Данный товар находится в архиве!
Возможность поставки уточняйте у менеджера!!
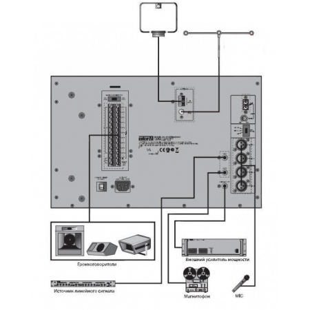
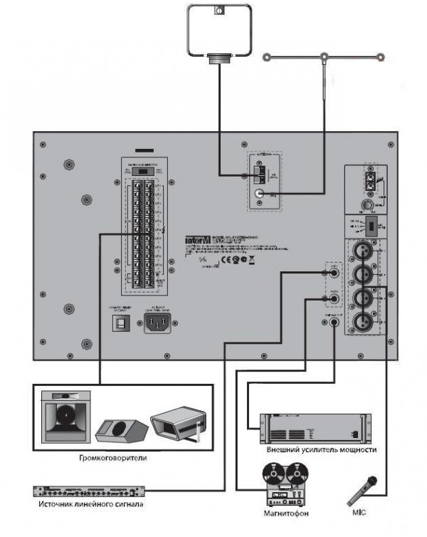
SYS-2240G - комбинированный 10-зонный микшер - усилитель выходной мощностью 240 Вт предназначен для усиления звукового сигнала с целью его дальнейшей трансляции на громкоговорители 4 Ом или с питанием 70/100 В.
В устройстве предусмотрены CD/MP3 проигрыватель на один диск, AM/FM-тюнер с памятью на 30 каналов, двухкассетная дека с авто-реверсом и возможностью записи, кнопочный селектор на 10 зон, 5 микрофонных и 2 линейных входа, 7-полосный эквалайзер, встроенный мониторный громкоговоритель, светодиодные индикаторы уровня выходного сигнала и срабатывания защиты, генератор сигнала (ГОНГ).
3 шт. цветных ЖК дисплеев, показывающих параметры режима работы увстроенных систем, а также выходной уровень сигнала и описание воспроизводимого канала.
Первый и второй микрофонные входы являются приоритетными.
С помощью дополнительного кронштейна (BKT-SYS2240A приобретается отдельно) усилитель может быть установлен в 19'' стойку.
- Inter-M SYS-2240G (комбинир сист трансл и оповещ 240Вт 10 зон+5 микр+2 лин+ AM_FM 30 канал+эквалайзер+19'') буклет
- Inter-M SYS-2240G (комбинир сист трансл и оповещ 240Вт 10 зон+5 микр+2 лин+ AM_FM 30 канал+эквалайзер+19'') руков
Ввиду того, что изделие может быть модифицировано, сведения, представленные на данной странице (изображение, характеристики, документация и т.п.), могут отличаться от фактических особенностей товара. За дополнительной информацией обращайтесь в техническую поддержку.
-
Охранно-пожарная сигнализация
-
Адресные системы
-
Радиоканальные системы
-
Астра-Р (ТЕКО)
-
Астра-РИ (ТЕКО)
-
Астра-РИ-М (ТЕКО)
-
Астра-Прайм (ТЕКО)
-
Астра-Zитадель (ТЕКО)
-
Ладога-РК (Риэлта)
-
С2000Р (Болид)
-
ВЕКТОР-АР (Сибирский Арсенал)
-
ВЕТТА-2020 (Сибирский Арсенал)
-
ГРАНИТ-РК (Сибирский Арсенал)
-
Риф-Ринг-1 (Альтоника)
-
Риф-Ринг-2 (Альтоника)
-
Риф-Ринг-701 (Альтоника)
-
Риф-Ринг-200 (Альтоника)
-
Lonta Optima (Альтоника)
-
Lonta-202 (Альтоника)
-
ACS (GSN)
-
-
GSM системы
-
Приборы приемно-контрольные
-
Извещатели охранные для помещений
-
Извещатели магнитоконтактные
-
Извещатели тревожной сигнализации
-
Извещатели разбития стекла акустические
-
Извещатели разбития стекла ударноконтактные
-
Извещатели движения ультразвуковые
-
Извещатели движения инфракрасные объемные
-
Извещатели движения пассивные инфракрасные поверхностные (штора)
-
Извещатели движения пассивные инфракрасные линейные (коридор)
-
Извещатели движения пассивные инфракрасные потолочные
-
Извещатели движения комбинированные
-
Извещатели совмещенные
-
Извещатели вибрационные и емкостные
-
-
Извещатели охраны периметра
-
Извещатели охраны периметра линейные ИК-активные
-
Извещатели охраны периметра линейные радиоволновые для установки на открытых участках
-
Извещатели охраны периметра ИК-пассивные
-
Извещатели охраны периметра объемные радиоволновые
-
Извещатели охраны периметра комбинированные
-
Извещатели охраны периметра проводно-волновые
-
Извещатели охраны периметра вибрационные
-
-
Извещатели пожарные
-
Извещатели дымовые 2-х проводные
-
Извещатели дымовые 4-х проводные
-
Извещатели дымовые автономные
-
Извещатели дымовые линейные
-
Извещатели дымовые аспирационные
-
Извещатели тепловые максимальные (пороговые)
-
Извещатели тепловые максимально-дифференциальные
-
Извещатели линейные тепловые пожарные
-
Извещатели пламени
-
Извещатели ручные
-
Извещатели комбинированные
-
-
Извещатели аварийные
-
Оповещатели
-
Светильники и аварийное освещение
-
Системы активной защиты
-
Распродажа
-
-
Системы охранного телевидения
-
Системы контроля и управления доступом
-
Домофоны
-
IP-домофония
-
Идентификаторы
-
Кнопки выхода
-
Считыватели
-
Кодовые панели
-
Автономные устройства контроля доступа
-
Сетевые системы контроля доступа
-
Биометрический контроль доступа
-
Системы обратной и диспетчерской связи
-
Замки
-
Электрозащелки
-
Доводчики
-
Турникеты
-
Калитки
-
Ограждения
-
Шлагбаумы
-
Автоматика для ворот
-
Досмотровое оборудование
-
-
Системы оповещения
и управление эвакуацией-
СОУЭ Тромбон
-
СОУЭ Ария (Электротехника и Автоматика)
-
СОУЭ Соната (ВИСТЛ)
-
СОУЭ С (ИП Раченков)
-
СОУЭ МЕТА
-
СОУЭ Октава (Полисервис)
-
СОУЭ Рокот (Сибирский Арсенал)
-
СОУЭ РЕЧОР (РУССБЫТ)
-
СОУЭ РЕЧОР-АТ (АНТИТЕРРОР) (РУССБЫТ)
-
СОУЭ ПКИ-Р (СпецКомИнтегРо)
-
Системы оповещения о пожаре Asenware
-
СОУЭ ROXTON
-
Звуковое оборудование RORSYS
-
СОУЭ JDM
-
СОУЭ MKV
-
СОУЭ ZVON
-
СОУЭ INTER-М
-
-
Взрывозащищенное оборудование
-
Извещатели пожарные взрывозащищенные
-
Извещатели пожарные тепловые резервуарные
-
Извещатели пожарные тепловые точечные
-
Извещатели пожарные тепловые максимально-дифференциальные
-
Извещатели пожарные дымовые
-
Извещатели пожарные комбинированные
-
Извещатели пожарные ручные взрывозащищенные
-
Извещатели пожарные пламени взрывозащищенные
-
Комплектующие к пожарным извещателям
-
-
Извещатели пожарные линейные взрывозащищенные
-
Извещатели охранные взрывозащищенные
-
Извещатели аварийные взрывозащищенные
-
Оповещатели взрывозащищенные
-
Табло оповещения взрывозащищённое
-
Приборы приемно-контрольные и пульты управления взрывозащищенные
-
Адресные взрывозащищенные системы
-
Посты управления взрывозащищенные
-
Системы видеонаблюдения взрывозащищенные
-
Системы контроля доступа взрывозащищенные
-
Громкоговорители взрывозащищенные
-
Коробки коммутационные взрывозащищенные
-
Барьеры искрозащиты
-
Кабельные вводы взрывозащищенные
-
-
Источники вторичного электропитания
-
Расходные и монтажные материалы
-
Средства пожаротушения
-
Первичные средства пожаротушения
-
Порошковое пожаротушение
-
Водяное пожаротушение
-
Аэрозольное пожаротушение
-
Газовое пожаротушение
-
Автономные установки пожаротушения
-
Клапан сброса избыточного давления КСИД
-
Водопенное оборудование
-
Шкафы пожарные
-
Дымоудаление
-
Средства защиты и спасения
-
Знаки безопасности и плакаты
-
-
Сетевое оборудование