Маркировка взрывозащиты
РВExdI/1ExdIICT6
Номинальное сечение жилы,кв.мм
0,08 - 2,5
Количество светодиодов, шт.
1
Тип контактов (НО НЗ)
1 (НО) + 1 (НЗ)
Время готовности к работе, с, не более
2
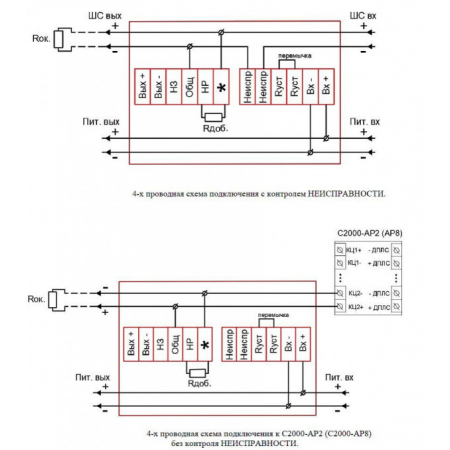
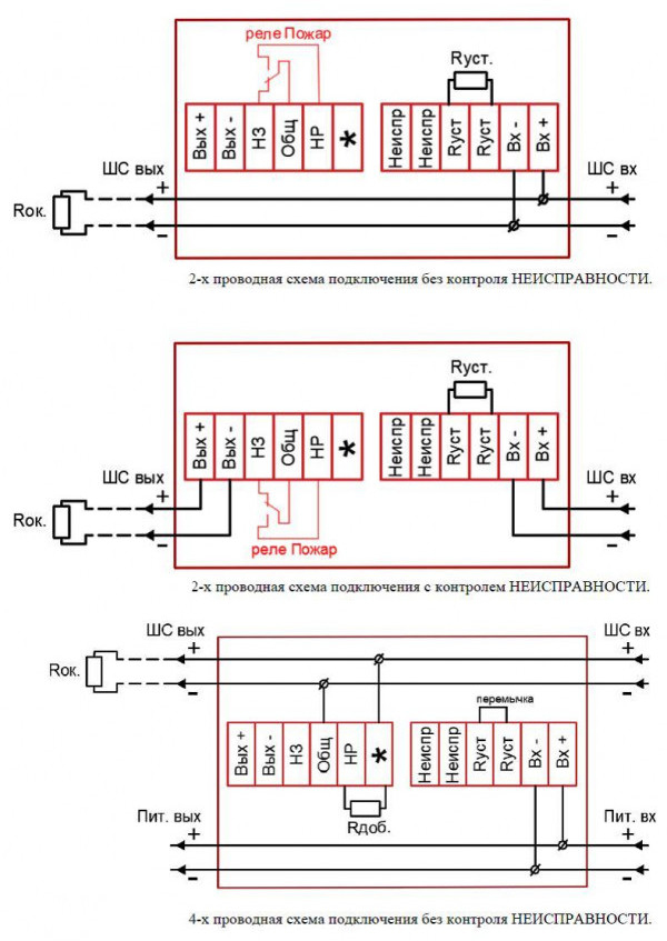
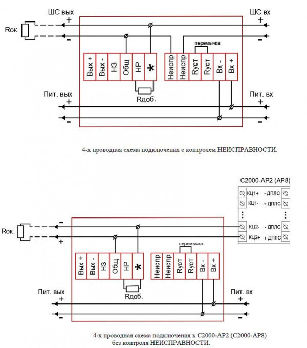
По способу подключения
2-х- или 4-х проводный
Надпись
Аварийный выход
Управление прибором
Вручную
Дополнительное оборудование
Есть: привод.элемент; кабель.вводы и козырёк (приоб)
Номинальное сопротивление выносного резистора, кОм
Зависит от подкл. ППКОП
Цвет
Зелёный
Режим работы
Круглосуточно
по исполнению ввода
На 2-а кабельных ввода
Крепление
На вертикальную поверхность
Материал
Нерж.сталь
Интеграция с оборудованием или ПО
С любым ППКП (совместим.по параметрам ШС)
Индикация
Световая
Тип изделия
Устройство дистанционного пуска ручное, взрывозащищённое
Напряжение питания, В
9 - 28
Ток потребления. мА
26
Разъем
Клеммы зажимные
Диапазон рабочих температур, °С
-60...+85
Степень защиты, IP
68
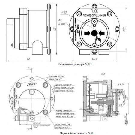
Габаритные размеры, мм
123х106
Масса, кг
2,8
Извещатель пожарный взрывозащищенный ручной
1 шт
- Главная
- Каталог
- Взрывозащищенное оборудование
- Извещатели пожарные взрывозащищенные
- Извещатели пожарные ручные взрывозащищенные
- Извещатель пожарный взрывозащищенный ручной Спектрон-512-Exd-Н-УДП-03
Извещатель пожарный взрывозащищенный ручной Спектрон-512-Exd-Н-УДП-03
Артикул: 224187
31714.80 р./шт.
(с НДС)
0 р.
| Количество | Ваша цена | Экономия |
|---|---|---|
| Опт от 2 шт. | 30 393.30 р./шт. | 1 321.50 р. |
| Запросить КП на крупный опт |
Материал корпуса нерж.сталь, С -60 +85, 1ExdIIСT6/РВ Exdl, IP68. К03 аварийный выход, корпус зеленого цвета
Характеристики:
Производитель:
Спектрон
Описание:
Спектрон-512-Exd-Н-УДП-03 - извещатель из нержавеющей стали пожарный зелёного цвета ручной на 2 кабельных ввода (приобретаются отдельно) взрывозащищенный (РВExdI/1ExdIICT6), степенью защиты (IP68), с надписью - "Аварийный выход" предназначен для ручного запуска исполнительных механизмов систем аварийного выхода в системах автоматического пожаротушения и пожарной сигнализации и применяется на предприятиях химической, нефтегазодобывающей, нефтегазоперерабатывающей отраслей, в подземных выработках шахт, рудников и их наземных строениях, в взрывоопасных зонах класса (1 и 2) других производств.
Защита извещателя от атмосферных осадков осуществляется с помощью козырька (приобретается отдельно).
Техническая документация
Сертификаты
Ввиду того, что изделие может быть модифицировано, сведения, представленные на данной странице (изображение, характеристики, документация и т.п.), могут отличаться от фактических особенностей товара. За дополнительной информацией обращайтесь в техническую поддержку.
Каталог товаров
-
Охранно-пожарная сигнализация
-
Адресные системы
-
Радиоканальные системы
-
Астра-Р (ТЕКО)
-
Астра-РИ (ТЕКО)
-
Астра-РИ-М (ТЕКО)
-
Астра-Прайм (ТЕКО)
-
Астра-Zитадель (ТЕКО)
-
Ладога-РК (Риэлта)
-
С2000Р (Болид)
-
ВЕКТОР-АР (Сибирский Арсенал)
-
ВЕТТА-2020 (Сибирский Арсенал)
-
ГРАНИТ-РК (Сибирский Арсенал)
-
Риф-Ринг-1 (Альтоника)
-
Риф-Ринг-2 (Альтоника)
-
Риф-Ринг-701 (Альтоника)
-
Риф-Ринг-200 (Альтоника)
-
Lonta Optima (Альтоника)
-
Lonta-202 (Альтоника)
-
ACS (GSN)
-
-
GSM системы
-
Приборы приемно-контрольные
-
Извещатели охранные для помещений
-
Извещатели магнитоконтактные
-
Извещатели тревожной сигнализации
-
Извещатели разбития стекла акустические
-
Извещатели разбития стекла ударноконтактные
-
Извещатели движения ультразвуковые
-
Извещатели движения инфракрасные объемные
-
Извещатели движения пассивные инфракрасные поверхностные (штора)
-
Извещатели движения пассивные инфракрасные линейные (коридор)
-
Извещатели движения пассивные инфракрасные потолочные
-
Извещатели движения комбинированные
-
Извещатели совмещенные
-
Извещатели вибрационные и емкостные
-
-
Извещатели охраны периметра
-
Извещатели охраны периметра линейные ИК-активные
-
Извещатели охраны периметра линейные радиоволновые для установки на открытых участках
-
Извещатели охраны периметра ИК-пассивные
-
Извещатели охраны периметра объемные радиоволновые
-
Извещатели охраны периметра комбинированные
-
Извещатели охраны периметра проводно-волновые
-
Извещатели охраны периметра вибрационные
-
-
Извещатели пожарные
-
Извещатели дымовые 2-х проводные
-
Извещатели дымовые 4-х проводные
-
Извещатели дымовые автономные
-
Извещатели дымовые линейные
-
Извещатели дымовые аспирационные
-
Извещатели тепловые максимальные (пороговые)
-
Извещатели тепловые максимально-дифференциальные
-
Извещатели линейные тепловые пожарные
-
Извещатели пламени
-
Извещатели ручные
-
Извещатели комбинированные
-
-
Извещатели аварийные
-
Оповещатели
-
Светильники и аварийное освещение
-
Системы активной защиты
-
Распродажа
-
-
Системы охранного телевидения
-
Системы контроля и управления доступом
-
Домофоны
-
IP-домофония
-
Идентификаторы
-
Кнопки выхода
-
Считыватели
-
Кодовые панели
-
Автономные устройства контроля доступа
-
Сетевые системы контроля доступа
-
Биометрический контроль доступа
-
Системы обратной и диспетчерской связи
-
Замки
-
Электрозащелки
-
Доводчики
-
Турникеты
-
Калитки
-
Ограждения
-
Шлагбаумы
-
Автоматика для ворот
-
Досмотровое оборудование
-
-
Системы оповещения
и управление эвакуацией-
СОУЭ Тромбон
-
СОУЭ Ария (Электротехника и Автоматика)
-
СОУЭ Соната (ВИСТЛ)
-
СОУЭ С (ИП Раченков)
-
СОУЭ МЕТА
-
СОУЭ Октава (Полисервис)
-
СОУЭ Рокот (Сибирский Арсенал)
-
СОУЭ РЕЧОР (РУССБЫТ)
-
СОУЭ РЕЧОР-АТ (АНТИТЕРРОР) (РУССБЫТ)
-
СОУЭ ПКИ-Р (СпецКомИнтегРо)
-
Системы оповещения о пожаре Asenware
-
СОУЭ ROXTON
-
Звуковое оборудование RORSYS
-
СОУЭ JDM
-
СОУЭ MKV
-
СОУЭ ZVON
-
СОУЭ INTER-М
-
-
Взрывозащищенное оборудование
-
Извещатели пожарные взрывозащищенные
-
Извещатели пожарные тепловые резервуарные
-
Извещатели пожарные тепловые точечные
-
Извещатели пожарные тепловые максимально-дифференциальные
-
Извещатели пожарные дымовые
-
Извещатели пожарные комбинированные
-
Извещатели пожарные ручные взрывозащищенные
-
Извещатели пожарные пламени взрывозащищенные
-
Комплектующие к пожарным извещателям
-
-
Извещатели пожарные линейные взрывозащищенные
-
Извещатели охранные взрывозащищенные
-
Извещатели аварийные взрывозащищенные
-
Оповещатели взрывозащищенные
-
Табло оповещения взрывозащищённое
-
Приборы приемно-контрольные и пульты управления взрывозащищенные
-
Адресные взрывозащищенные системы
-
Посты управления взрывозащищенные
-
Системы видеонаблюдения взрывозащищенные
-
Системы контроля доступа взрывозащищенные
-
Громкоговорители взрывозащищенные
-
Коробки коммутационные взрывозащищенные
-
Барьеры искрозащиты
-
Кабельные вводы взрывозащищенные
-
-
Источники вторичного электропитания
-
Расходные и монтажные материалы
-
Средства пожаротушения
-
Первичные средства пожаротушения
-
Порошковое пожаротушение
-
Водяное пожаротушение
-
Аэрозольное пожаротушение
-
Газовое пожаротушение
-
Автономные установки пожаротушения
-
Клапан сброса избыточного давления КСИД
-
Водопенное оборудование
-
Шкафы пожарные
-
Дымоудаление
-
Средства защиты и спасения
-
Знаки безопасности и плакаты
-
-
Сетевое оборудование