Номинальная температура срабатывания, град.
54 - 130 (зависит от R=0,1 - 2 кОм)
Скорость повышения температуры Гр/мин
5 - 30
Маркировка взрывозащиты
РВExdbiaIX/1ExdiaIICT4/Т5/Т6X
Исполнение
Искробезопасный, программируемый
Номинальное сечение жилы,кв.мм
0,08 - 2,5
Номинальное сопротивление выносного резистора, кОм
0,1 - 1,5 (для выбора тока срабат.)
Количество светодиодов, шт.
1
Реле выходы
1 (НО и НЗ)+1 (НЗ)
Время готовности к работе, с, не более
2
По способу подключения
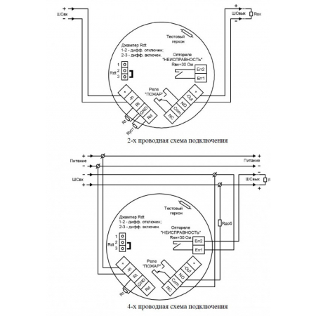
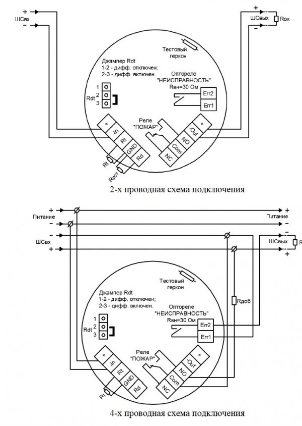
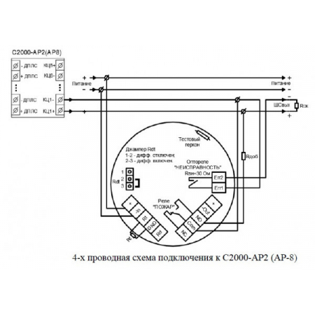
2-х- или 4-х проводный
Время срабатывания, сек, не более
20 - 500 (от скорости повыш темпер.)
Режим работы
3 (максималь., диффернц., макс.-диффернц) - через джампер
Максимально комутируемые напряжение/ток, В/А
30/0,1
Управление прибором
Джампером, сопротивлениями
Тип изделия
Извещатель пожарный тепловой, взрывозащищенный, искробезопасный
Дополнительное оборудование
Кабель вводы со штуцерами (приоб)
Тестирование (проверка) работы
Магнит
по исполнению ввода
На 2-а кабельных ввода
Материал
Нерж.сталь
Крепление
Резьба М30х1,5 в середине корпуса; кронштейн (К-05 приоб.)
Интеграция с оборудованием или ПО
С любым ППКП (совместим.по искробезоп.)
Индикация
Световая
Цвет
Серый, красный
Чувствительный элемент
Трубка 73мм
Напряжение питания, В
9 - 28
Ток потребления. мА
30
Разъем
Клеммы зажимные (Wago)
Диапазон рабочих температур, °С
-75...+85 (блок); -75...+130 (термоэлемент)
Степень защиты, IP
68
Габаритные размеры, мм
126х154
Масса, кг
2,3
Извещатель пожарный тепловой резервуарный
1 шт
- Главная
- Каталог
- Взрывозащищенное оборудование
- Извещатели пожарные взрывозащищенные
- Извещатели пожарные тепловые резервуарные
- Извещатель пожарный тепловой резервуарный Спектрон-101-Т-Р-Exd-Н
Извещатель пожарный тепловой резервуарный Спектрон-101-Т-Р-Exd-Н
| Количество | Ваша цена | Экономия |
|---|---|---|
| Опт от 3 шт. | 23 847.60 р./шт. | 1 036.80 р. |
| Запросить КП на крупный опт |
Спектрон-101-Т-Р-Exd-Н - извещатель из нержавеющей стали (12X18H10T) тепловой 3-х режимный (максимальный, дифференциальный, максимально-дифференциальный - выбирается положением джампера) пожарный взрывозащищенный (РВExdbiaIX/1ExdiaIICT4/Т5/Т6X), искробезопасный, программируемый, с встроенным реле (НО и НЗ) и оптореле (НЗ), с температурой срабатывания по классу (регулируется с помощью сопротивления Rt = 0,1 - 2 кОм): А1 - ER (540 - 1300С), степенью защиты (IP68) предназначен для выдачи в шлейф пожарной сигнализации тревожного сигнала при превышении в контролируемой среде установленной температуры срабатывания и применяется на предприятиях химической, нефтегазодобывающей, нефтегазоперерабатывающей отраслей и взрывоопасных зонах класса (1 и ниже) других производств.
Извещатель включается в искробезопасные шлейфы сигнализации ППКП, искробезопасные электрические цепи которых имеют параметры, позволяющие подключать данный извещатель.
Площадь, контролируемая извещателем, соответствует СП 484.1311500.2020 и зависит от высоты защищаемого пространства.
Каждый извещатель комплектуется (приобретаются отдельно) штуцерами под трубную разводку, под бронекабель или металлорукав, либо штуцерами с метрической резьбой.
Крепление извещателя осуществляется через метрическую резьбу на корпусе (М30х1,5) или с помощью уголкового кронштейна (К-05 - приобретается отдельно).
- -101-Т-Р-Exd-Н (Взрыво Искро тепл макс-диф 54-130град 9-28В 15мА 1НО_НЗ 30в_100мА -75+130 IP68) руков 2020г
- (Кабель вводы и аналоги с 2020г) описание
- 484.1311500.2020 (Свод правил противопож защиты) действ. с 01.03.2021г
- 485.1311500.2020 (Свод правил противопож защиты) действ. с 01.03.2021г
- 486.1311500.2020 (Свод правил противопож защиты) действ. с 01.03.2021г
Ввиду того, что изделие может быть модифицировано, сведения, представленные на данной странице (изображение, характеристики, документация и т.п.), могут отличаться от фактических особенностей товара. За дополнительной информацией обращайтесь в техническую поддержку.
-
Охранно-пожарная сигнализация
-
Адресные системы
-
Радиоканальные системы
-
Астра-Р (ТЕКО)
-
Астра-РИ (ТЕКО)
-
Астра-РИ-М (ТЕКО)
-
Астра-Прайм (ТЕКО)
-
Астра-Zитадель (ТЕКО)
-
Ладога-РК (Риэлта)
-
С2000Р (Болид)
-
ВЕКТОР-АР (Сибирский Арсенал)
-
ВЕТТА-2020 (Сибирский Арсенал)
-
ГРАНИТ-РК (Сибирский Арсенал)
-
Риф-Ринг-1 (Альтоника)
-
Риф-Ринг-2 (Альтоника)
-
Риф-Ринг-701 (Альтоника)
-
Риф-Ринг-200 (Альтоника)
-
Lonta Optima (Альтоника)
-
Lonta-202 (Альтоника)
-
ACS (GSN)
-
-
GSM системы
-
Приборы приемно-контрольные
-
Извещатели охранные для помещений
-
Извещатели магнитоконтактные
-
Извещатели тревожной сигнализации
-
Извещатели разбития стекла акустические
-
Извещатели разбития стекла ударноконтактные
-
Извещатели движения ультразвуковые
-
Извещатели движения инфракрасные объемные
-
Извещатели движения пассивные инфракрасные поверхностные (штора)
-
Извещатели движения пассивные инфракрасные линейные (коридор)
-
Извещатели движения пассивные инфракрасные потолочные
-
Извещатели движения комбинированные
-
Извещатели совмещенные
-
Извещатели вибрационные и емкостные
-
-
Извещатели охраны периметра
-
Извещатели охраны периметра линейные ИК-активные
-
Извещатели охраны периметра линейные радиоволновые для установки на открытых участках
-
Извещатели охраны периметра ИК-пассивные
-
Извещатели охраны периметра объемные радиоволновые
-
Извещатели охраны периметра комбинированные
-
Извещатели охраны периметра проводно-волновые
-
Извещатели охраны периметра вибрационные
-
-
Извещатели пожарные
-
Извещатели дымовые 2-х проводные
-
Извещатели дымовые 4-х проводные
-
Извещатели дымовые автономные
-
Извещатели дымовые линейные
-
Извещатели дымовые аспирационные
-
Извещатели тепловые максимальные (пороговые)
-
Извещатели тепловые максимально-дифференциальные
-
Извещатели линейные тепловые пожарные
-
Извещатели пламени
-
Извещатели ручные
-
Извещатели комбинированные
-
-
Извещатели аварийные
-
Оповещатели
-
Светильники и аварийное освещение
-
Системы активной защиты
-
Распродажа
-
-
Системы охранного телевидения
-
Системы контроля и управления доступом
-
Домофоны
-
IP-домофония
-
Идентификаторы
-
Кнопки выхода
-
Считыватели
-
Кодовые панели
-
Автономные устройства контроля доступа
-
Сетевые системы контроля доступа
-
Биометрический контроль доступа
-
Системы обратной и диспетчерской связи
-
Замки
-
Электрозащелки
-
Доводчики
-
Турникеты
-
Калитки
-
Ограждения
-
Шлагбаумы
-
Автоматика для ворот
-
Досмотровое оборудование
-
-
Системы оповещения
и управление эвакуацией-
СОУЭ Тромбон
-
СОУЭ Ария (Электротехника и Автоматика)
-
СОУЭ Соната (ВИСТЛ)
-
СОУЭ С (ИП Раченков)
-
СОУЭ МЕТА
-
СОУЭ Октава (Полисервис)
-
СОУЭ Рокот (Сибирский Арсенал)
-
СОУЭ РЕЧОР (РУССБЫТ)
-
СОУЭ РЕЧОР-АТ (АНТИТЕРРОР) (РУССБЫТ)
-
СОУЭ ПКИ-Р (СпецКомИнтегРо)
-
Системы оповещения о пожаре Asenware
-
СОУЭ ROXTON
-
Звуковое оборудование RORSYS
-
СОУЭ JDM
-
СОУЭ MKV
-
СОУЭ ZVON
-
СОУЭ INTER-М
-
-
Взрывозащищенное оборудование
-
Извещатели пожарные взрывозащищенные
-
Извещатели пожарные тепловые резервуарные
-
Извещатели пожарные тепловые точечные
-
Извещатели пожарные тепловые максимально-дифференциальные
-
Извещатели пожарные дымовые
-
Извещатели пожарные комбинированные
-
Извещатели пожарные ручные взрывозащищенные
-
Извещатели пожарные пламени взрывозащищенные
-
Комплектующие к пожарным извещателям
-
-
Извещатели пожарные линейные взрывозащищенные
-
Извещатели охранные взрывозащищенные
-
Извещатели аварийные взрывозащищенные
-
Оповещатели взрывозащищенные
-
Табло оповещения взрывозащищённое
-
Приборы приемно-контрольные и пульты управления взрывозащищенные
-
Адресные взрывозащищенные системы
-
Посты управления взрывозащищенные
-
Системы видеонаблюдения взрывозащищенные
-
Системы контроля доступа взрывозащищенные
-
Громкоговорители взрывозащищенные
-
Коробки коммутационные взрывозащищенные
-
Барьеры искрозащиты
-
Кабельные вводы взрывозащищенные
-
-
Источники вторичного электропитания
-
Расходные и монтажные материалы
-
Средства пожаротушения
-
Первичные средства пожаротушения
-
Порошковое пожаротушение
-
Водяное пожаротушение
-
Аэрозольное пожаротушение
-
Газовое пожаротушение
-
Автономные установки пожаротушения
-
Клапан сброса избыточного давления КСИД
-
Водопенное оборудование
-
Шкафы пожарные
-
Дымоудаление
-
Средства защиты и спасения
-
Знаки безопасности и плакаты
-
-
Сетевое оборудование