Количество ШС
2 (адресных)
Буфер событий
1024 - пож.; 500 - охр.
Дисплей
ЖК
Коэффициент вероятности безотказной работы, не менее
0,98
Количество поддерживаемых считывателей
1
Номинальное сопротивление выносного резистора, кОм
1
Реле выходы
2 (НО и НЗ) + 2 (ОК)
Количество клавиш управления
20
Напряжение в ШС, В
20 - 28
Максимально комутируемые напряжение/ток, В/А
28 и 240/5
Максимальная длина линии связи, м
3 (USB), 250 (ТМ), 1000 (RS-485)
Количество адресных сигнальных/исполнительных устройств
500
Максимальное количество ключей
64
Количество светодиодов, шт.
7
Интерфейс
RS-485, USB
Рекомендованный кабель
UTP cat 5e
Тип изделия
Адресный пожарный приемно-контрольный прибор управления
Цвет
Белый+серый
Рекомендуемый АКБ, А*ч
Не менее 1х2,2 (внешний)
Материал
Пластик
Индикация
Световая и звуковая
Клавиатура (или регистратор)
Сенсорные кнопки
Тип считывателя (без считывателя-о ключи ТМ-тм карты-к)
ТМ (DS1990A)
Напряжение питания, В
10 - 14; 20 - 28
Ток потребления. мА
1600
Потребляемая мощность, Вт
13,5
Разъем
Клеммы, USB
Диапазон рабочих температур, °С
0...+55
Каналы связи
Проводной
Степень защиты, IP
41
Габаритные размеры, мм
200х160х50
Масса (без аккумулятора) , не более, кг
1
Рубеж-2 ОП
Данный товар находится в архиве!
Возможность поставки уточняйте у менеджера!!
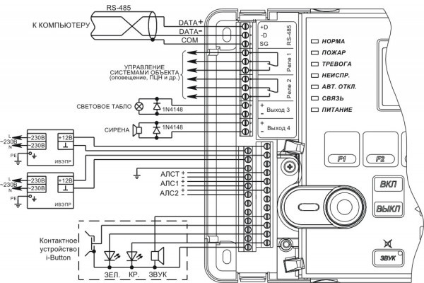
РУБЕЖ-2 ОП - прибор приемно-контрольный и управления охранно-пожарный адреcный (2ШС) предназначен для применения в адресных системах охранной и пожарной сигнализации, пожаротушения, дымоудаления, оповещения.
На охранно-пожарных адресных приборах РУБЕЖ-2 ОП можно построить распределенную адресную систему ОПС с объединением в сеть до 60 приборов.
К каждому из приборов можно подключить до 500 адресных охранных и пожарных устройств, считывателей (ТМ) Рубеж.
Конфигурация приборов в процессе инсталляции и конфигурация работы системы пожарной сигнализации выполняется с персонального компьютера с помощью ПО «FireSec Администратор» поставляется бесплатно и входит в комплект поставки прибора.
После конфигурирования адресный охранно-пожарный прибор «Рубеж-2 ОП» может управлять системой автономно.
Для более наглядного представления информации об охраняемом объекте и осуществления мониторинга всей системы может применяться компьютер с установленным ПО «FireSec Оперативная задача» (Приобретается отдельно).
Прибор работает в соответствии с базой адресных устройств, записанных в него с помощью ПО «FireSec Администратор».
Подключение одного прибора к компьютеру можно производить при помощи преобразователя интерфейсов RS485/USB либо USB-кабеля.
По отдельному заказу прибор «Рубеж-2 ОП» может комплектоваться USB-кабелем для подключения к компьютеру.
Подключение к компьютеру системы, состоящей из нескольких приборов, осуществляется через модули сопряжения МС-1, МС-2 или МС-Е.
Прибор Рубеж-2 ОП работает со следующими адресными устройствами:
- адресными извещателями пожарными ИП212/101-64-А2R, ИП212-64, ИП 101-29-PR;
- адресными извещателями пожарными ручными ИПР 513-11;
- адресными модулями управления клапанами дымоудаления МДУ-1 исп 01, 02, 03;
- адресными модулями речевого оповещения МРО-2М;
- адресными модулями управления пожаротушением МПТ-1;
- адресными пожарными метками АМП-4;
- адресными метками АМ-1 и АМ-4;
- изоляторами адресных шлейфов ИЗ-1;
- адресными релейными модулями РМ-1, РМ-2, РМ-К;
- адресными радиоканальными модулями МРК-30;
- адресными радиоканальными извещателями пожарными ИП 212-64Р;
- адресными радиоканальными извещателями пожарными ручными ИП 513-11Р;
- адресными шкафами управления ШУ;
- адресными шкафами управления электроприводной задвиж- кой ШУЗ;
- адресными резервированными источниками питания ИВЭПР 12/2 RSR, ИВЭПР 12/3,5 RSR, ИВЭПР 12/5 RSR.
Ввиду того, что изделие может быть модифицировано, сведения, представленные на данной странице (изображение, характеристики, документация и т.п.), могут отличаться от фактических особенностей товара. За дополнительной информацией обращайтесь в техническую поддержку.
-
Охранно-пожарная сигнализация
-
Адресные системы
-
Радиоканальные системы
-
Астра-Р (ТЕКО)
-
Астра-РИ (ТЕКО)
-
Астра-РИ-М (ТЕКО)
-
Астра-Прайм (ТЕКО)
-
Астра-Zитадель (ТЕКО)
-
Ладога-РК (Риэлта)
-
С2000Р (Болид)
-
ВЕКТОР-АР (Сибирский Арсенал)
-
ВЕТТА-2020 (Сибирский Арсенал)
-
ГРАНИТ-РК (Сибирский Арсенал)
-
Риф-Ринг-1 (Альтоника)
-
Риф-Ринг-2 (Альтоника)
-
Риф-Ринг-701 (Альтоника)
-
Риф-Ринг-200 (Альтоника)
-
Lonta Optima (Альтоника)
-
Lonta-202 (Альтоника)
-
ACS (GSN)
-
-
GSM системы
-
Приборы приемно-контрольные
-
Извещатели охранные для помещений
-
Извещатели магнитоконтактные
-
Извещатели тревожной сигнализации
-
Извещатели разбития стекла акустические
-
Извещатели разбития стекла ударноконтактные
-
Извещатели движения ультразвуковые
-
Извещатели движения инфракрасные объемные
-
Извещатели движения пассивные инфракрасные поверхностные (штора)
-
Извещатели движения пассивные инфракрасные линейные (коридор)
-
Извещатели движения пассивные инфракрасные потолочные
-
Извещатели движения комбинированные
-
Извещатели совмещенные
-
Извещатели вибрационные и емкостные
-
-
Извещатели охраны периметра
-
Извещатели охраны периметра линейные ИК-активные
-
Извещатели охраны периметра линейные радиоволновые для установки на открытых участках
-
Извещатели охраны периметра ИК-пассивные
-
Извещатели охраны периметра объемные радиоволновые
-
Извещатели охраны периметра комбинированные
-
Извещатели охраны периметра проводно-волновые
-
Извещатели охраны периметра вибрационные
-
-
Извещатели пожарные
-
Извещатели дымовые 2-х проводные
-
Извещатели дымовые 4-х проводные
-
Извещатели дымовые автономные
-
Извещатели дымовые линейные
-
Извещатели дымовые аспирационные
-
Извещатели тепловые максимальные (пороговые)
-
Извещатели тепловые максимально-дифференциальные
-
Извещатели линейные тепловые пожарные
-
Извещатели пламени
-
Извещатели ручные
-
Извещатели комбинированные
-
-
Извещатели аварийные
-
Оповещатели
-
Светильники и аварийное освещение
-
Системы активной защиты
-
Распродажа
-
-
Системы охранного телевидения
-
Системы контроля и управления доступом
-
Домофоны
-
IP-домофония
-
Идентификаторы
-
Кнопки выхода
-
Считыватели
-
Кодовые панели
-
Автономные устройства контроля доступа
-
Сетевые системы контроля доступа
-
Биометрический контроль доступа
-
Системы обратной и диспетчерской связи
-
Замки
-
Электрозащелки
-
Доводчики
-
Турникеты
-
Калитки
-
Ограждения
-
Шлагбаумы
-
Автоматика для ворот
-
Досмотровое оборудование
-
-
Системы оповещения
и управление эвакуацией-
СОУЭ Тромбон
-
СОУЭ Ария (Электротехника и Автоматика)
-
СОУЭ Соната (ВИСТЛ)
-
СОУЭ С (ИП Раченков)
-
СОУЭ МЕТА
-
СОУЭ Октава (Полисервис)
-
СОУЭ Рокот (Сибирский Арсенал)
-
СОУЭ РЕЧОР (РУССБЫТ)
-
СОУЭ РЕЧОР-АТ (АНТИТЕРРОР) (РУССБЫТ)
-
СОУЭ ПКИ-Р (СпецКомИнтегРо)
-
Системы оповещения о пожаре Asenware
-
СОУЭ ROXTON
-
Звуковое оборудование RORSYS
-
СОУЭ JDM
-
СОУЭ MKV
-
СОУЭ ZVON
-
СОУЭ INTER-М
-
-
Взрывозащищенное оборудование
-
Извещатели пожарные взрывозащищенные
-
Извещатели пожарные тепловые резервуарные
-
Извещатели пожарные тепловые точечные
-
Извещатели пожарные тепловые максимально-дифференциальные
-
Извещатели пожарные дымовые
-
Извещатели пожарные комбинированные
-
Извещатели пожарные ручные взрывозащищенные
-
Извещатели пожарные пламени взрывозащищенные
-
Комплектующие к пожарным извещателям
-
-
Извещатели пожарные линейные взрывозащищенные
-
Извещатели охранные взрывозащищенные
-
Извещатели аварийные взрывозащищенные
-
Оповещатели взрывозащищенные
-
Табло оповещения взрывозащищённое
-
Приборы приемно-контрольные и пульты управления взрывозащищенные
-
Адресные взрывозащищенные системы
-
Посты управления взрывозащищенные
-
Системы видеонаблюдения взрывозащищенные
-
Системы контроля доступа взрывозащищенные
-
Громкоговорители взрывозащищенные
-
Коробки коммутационные взрывозащищенные
-
Барьеры искрозащиты
-
Кабельные вводы взрывозащищенные
-
-
Источники вторичного электропитания
-
Расходные и монтажные материалы
-
Средства пожаротушения
-
Первичные средства пожаротушения
-
Порошковое пожаротушение
-
Водяное пожаротушение
-
Аэрозольное пожаротушение
-
Газовое пожаротушение
-
Автономные установки пожаротушения
-
Клапан сброса избыточного давления КСИД
-
Водопенное оборудование
-
Шкафы пожарные
-
Дымоудаление
-
Средства защиты и спасения
-
Знаки безопасности и плакаты
-
-
Сетевое оборудование