Выходное напряжение, В
10 - 13,5
Количество выходов
4 (реч) + 1 (свет) + 2 (упр)
Количество линейных входов
1(ППКОП)+1 (УДП)+1(устр трансл)+1(ГО и ЧС)+1(микроф)+1(лин)
Количество светодиодов, шт.
18
Рекомендуемый АКБ, А*ч
1х7
Реле выходы
2 (ОК)
Суммарная длительность речевых сообщений, с
300
Максимальное количество речевых сообщений в памяти устройства
4 (пост) + 1 (с возмож. записи)
Номинальная мощность,Вт
60
Частотный диапазон,Гц
60 - 6000
Максимально комутируемые напряжение/ток, В/А
72/0,1
Количество клавиш управления
9
Встроенный микрофон
Да
Контроль линии оповещения
Есть
Режим работы
Круглосуточно
Клавиатура (или регистратор)
Механические кнопки
Время срабатывания, сек, не более
Не более 0,35
Управление прибором
Перемычками
Материал
Пластик
Тип изделия
Прибор управления речевым оповещением
Цвет
Светло-серый + красный
Индикация
Световая и звуковая
Тип оповещения
Световой и речевой
Напряжение питания, В
187 - 242; 11 - 14,2
Ток потребления. мА
1600
Потребляемая мощность, Вт
25
Разъем
Клеммы, (TRS) Jack 3,5мм
Диапазон рабочих температур, °С
-10...+55
Степень защиты, IP
40
Габаритные размеры, мм
285х210х95
Масса (без аккумулятора) , не более, кг
3
Прибор управления
1 шт
- Главная
- Каталог
- Средства и системы оповещения, музыкальной трансляции
- СОУЭ Рокот (Сибирский Арсенал)
- Приборы управления
- Прибор управления Рокот-2
Прибор управления Рокот-2
| Количество | Ваша цена | Экономия |
|---|---|---|
| Опт от 4 шт. | 13 765 р./шт. | 1 465 р. |
| Запросить КП на крупный опт |
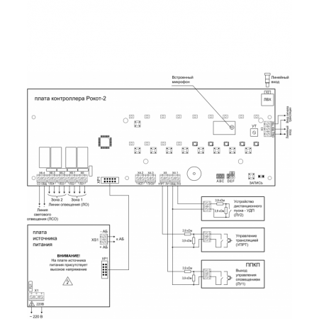
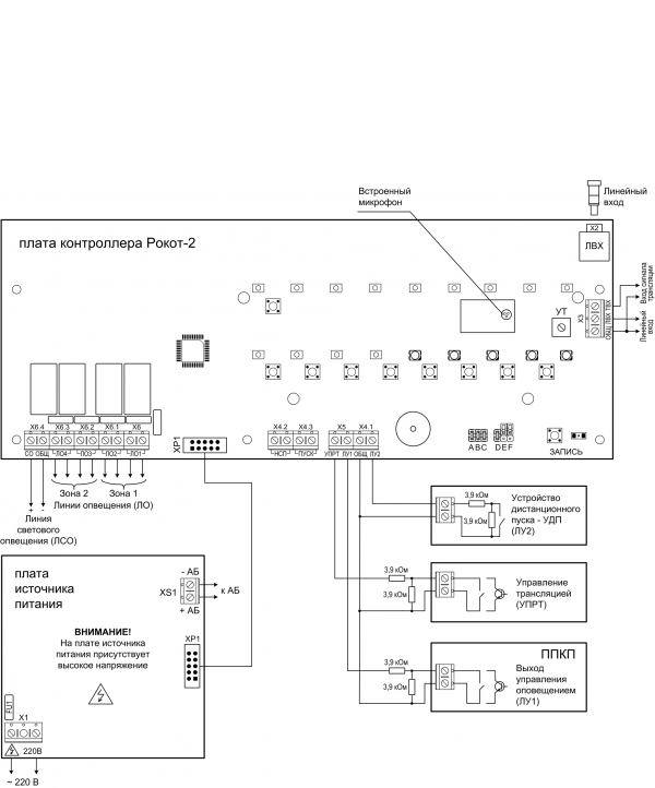
Рокот - 2 - прибор управления речевого оповещения для трансляции предварительно записанных 5-и речевых сообщений при возникновении пожара или других экстремальных ситуаций.
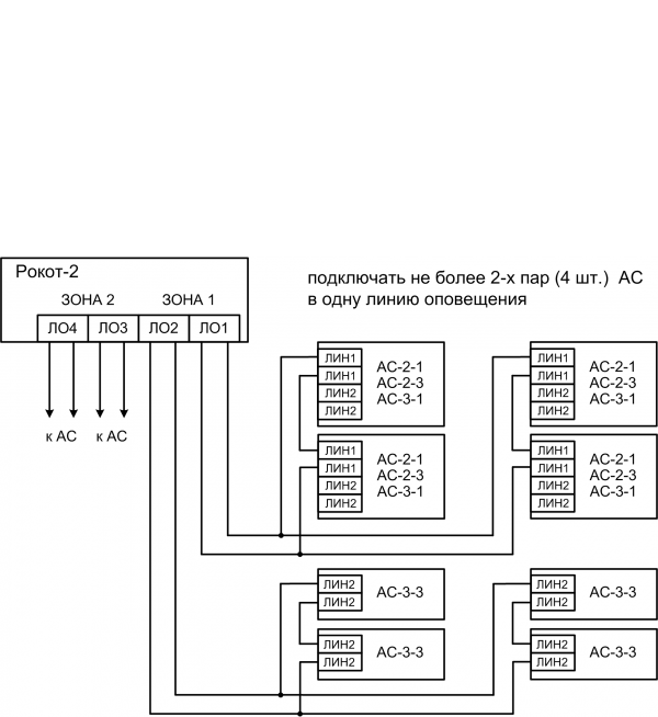
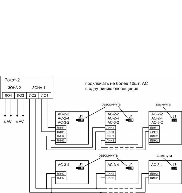
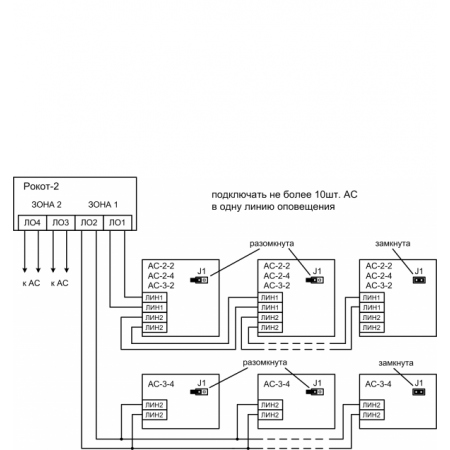
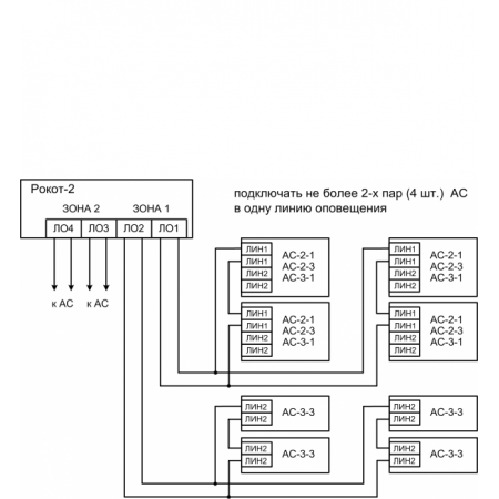
Прибор работает с акустическими системами «АС-2-1», «АС-3-1», «АС-3-3», «АС-2-2», «АС-3-2», «АС-3-4», «АС-2-3» и«АС-2-4», подключёнными с помощью соединительных линий (линий оповещения).
Прибор предназначен для установки внутри защищаемого объекта и рассчитан на круглосуточную непрерывную работу.
Прибор предназначен для работы совместно с приемно-контрольными пожарными приборами серий «Гранит», «Карат», «Кварц», «Пирит» или аналогичными приборами других производителей, имеющими выход включения оповещения типа - «открытый коллектор» либо «нормально разомкнутые контакты реле».
Особенности:
- 4 выхода подключения линий оповещения (ЛО), разделенные на 2 зоны оповещения (Деление на зоны можно использовать для раздельной трансляции информационных сообщений).
- Подключение к каждой ЛО до 10 АС.
- Индивидуальная защита каждого выхода ЛО от перегрузки и короткого замыкания.
- Выход подключения линии светового оповещения (ЛСО) защищенный от перегрузки и короткого замыкания.
- Запуск оповещения осуществляется:
- автоматически, при получении сигнала от прибора пожарной сигнализации, включенного в линию ЛУ1.
- вручную, с панели индикации и управления прибора.
- дистанционно, с помощью устройства дистанционного пуска, включенного в линию ЛУ2.
- Возможность тревожного оповещения со встроенного микрофона.
- Трансляция сигналов с линейного входа или отдельного входа трансляции.
- Возможность записи пользовательского сообщения и воспроизведения его при оповещении.
- Контроль наличия аккумуляторной батареи (АБ), подзаряд АБ, защита АБ от глубокого разряда, защита выводов АБ от короткого замыкания и переполюсовки.
- Непрерывный контроль линий управления (ЛУ) и периодический контроль ЛО и ЛСО на отсутствие коротких замыканий или обрывов.
- Отдельные выходы для контроля исправности состояния системы оповещения и режима её работы.
Ввиду того, что изделие может быть модифицировано, сведения, представленные на данной странице (изображение, характеристики, документация и т.п.), могут отличаться от фактических особенностей товара. За дополнительной информацией обращайтесь в техническую поддержку.
-
Охранно-пожарная сигнализация
-
Адресные системы
-
Радиоканальные системы
-
Астра-Р (ТЕКО)
-
Астра-РИ (ТЕКО)
-
Астра-РИ-М (ТЕКО)
-
Астра-Прайм (ТЕКО)
-
Астра-Zитадель (ТЕКО)
-
Ладога-РК (Риэлта)
-
С2000Р (Болид)
-
ВЕКТОР-АР (Сибирский Арсенал)
-
ВЕТТА-2020 (Сибирский Арсенал)
-
ГРАНИТ-РК (Сибирский Арсенал)
-
Риф-Ринг-1 (Альтоника)
-
Риф-Ринг-2 (Альтоника)
-
Риф-Ринг-701 (Альтоника)
-
Риф-Ринг-200 (Альтоника)
-
Lonta Optima (Альтоника)
-
Lonta-202 (Альтоника)
-
ACS (GSN)
-
-
GSM системы
-
Приборы приемно-контрольные
-
Извещатели охранные для помещений
-
Извещатели магнитоконтактные
-
Извещатели тревожной сигнализации
-
Извещатели разбития стекла акустические
-
Извещатели разбития стекла ударноконтактные
-
Извещатели движения ультразвуковые
-
Извещатели движения инфракрасные объемные
-
Извещатели движения пассивные инфракрасные поверхностные (штора)
-
Извещатели движения пассивные инфракрасные линейные (коридор)
-
Извещатели движения пассивные инфракрасные потолочные
-
Извещатели движения комбинированные
-
Извещатели совмещенные
-
Извещатели вибрационные и емкостные
-
-
Извещатели охраны периметра
-
Извещатели охраны периметра линейные ИК-активные
-
Извещатели охраны периметра линейные радиоволновые для установки на открытых участках
-
Извещатели охраны периметра ИК-пассивные
-
Извещатели охраны периметра объемные радиоволновые
-
Извещатели охраны периметра комбинированные
-
Извещатели охраны периметра проводно-волновые
-
Извещатели охраны периметра вибрационные
-
-
Извещатели пожарные
-
Извещатели дымовые 2-х проводные
-
Извещатели дымовые 4-х проводные
-
Извещатели дымовые автономные
-
Извещатели дымовые линейные
-
Извещатели дымовые аспирационные
-
Извещатели тепловые максимальные (пороговые)
-
Извещатели тепловые максимально-дифференциальные
-
Извещатели линейные тепловые пожарные
-
Извещатели пламени
-
Извещатели ручные
-
Извещатели комбинированные
-
-
Извещатели аварийные
-
Оповещатели
-
Светильники и аварийное освещение
-
Системы активной защиты
-
Распродажа
-
-
Системы охранного телевидения
-
Системы контроля и управления доступом
-
Домофоны
-
IP-домофония
-
Идентификаторы
-
Кнопки выхода
-
Считыватели
-
Кодовые панели
-
Автономные устройства контроля доступа
-
Сетевые системы контроля доступа
-
Биометрический контроль доступа
-
Системы обратной и диспетчерской связи
-
Замки
-
Электрозащелки
-
Доводчики
-
Турникеты
-
Калитки
-
Ограждения
-
Шлагбаумы
-
Автоматика для ворот
-
Досмотровое оборудование
-
-
Системы оповещения
и управление эвакуацией-
СОУЭ Тромбон
-
СОУЭ Ария (Электротехника и Автоматика)
-
СОУЭ Соната (ВИСТЛ)
-
СОУЭ С (ИП Раченков)
-
СОУЭ МЕТА
-
СОУЭ Октава (Полисервис)
-
СОУЭ Рокот (Сибирский Арсенал)
-
СОУЭ РЕЧОР (РУССБЫТ)
-
СОУЭ РЕЧОР-АТ (АНТИТЕРРОР) (РУССБЫТ)
-
СОУЭ ПКИ-Р (СпецКомИнтегРо)
-
Системы оповещения о пожаре Asenware
-
СОУЭ ROXTON
-
Звуковое оборудование RORSYS
-
СОУЭ JDM
-
СОУЭ MKV
-
СОУЭ ZVON
-
СОУЭ INTER-М
-
-
Взрывозащищенное оборудование
-
Извещатели пожарные взрывозащищенные
-
Извещатели пожарные тепловые резервуарные
-
Извещатели пожарные тепловые точечные
-
Извещатели пожарные тепловые максимально-дифференциальные
-
Извещатели пожарные дымовые
-
Извещатели пожарные комбинированные
-
Извещатели пожарные ручные взрывозащищенные
-
Извещатели пожарные пламени взрывозащищенные
-
Комплектующие к пожарным извещателям
-
-
Извещатели пожарные линейные взрывозащищенные
-
Извещатели охранные взрывозащищенные
-
Извещатели аварийные взрывозащищенные
-
Оповещатели взрывозащищенные
-
Табло оповещения взрывозащищённое
-
Приборы приемно-контрольные и пульты управления взрывозащищенные
-
Адресные взрывозащищенные системы
-
Посты управления взрывозащищенные
-
Системы видеонаблюдения взрывозащищенные
-
Системы контроля доступа взрывозащищенные
-
Громкоговорители взрывозащищенные
-
Коробки коммутационные взрывозащищенные
-
Барьеры искрозащиты
-
Кабельные вводы взрывозащищенные
-
-
Источники вторичного электропитания
-
Расходные и монтажные материалы
-
Средства пожаротушения
-
Первичные средства пожаротушения
-
Порошковое пожаротушение
-
Водяное пожаротушение
-
Аэрозольное пожаротушение
-
Газовое пожаротушение
-
Автономные установки пожаротушения
-
Клапан сброса избыточного давления КСИД
-
Водопенное оборудование
-
Шкафы пожарные
-
Дымоудаление
-
Средства защиты и спасения
-
Знаки безопасности и плакаты
-
-
Сетевое оборудование