Количество выходов
4
Коэффициент вероятности безотказной работы, не менее
0,98
Количество светодиодов, шт.
1
Максимальная длина линии связи, м
30 (устр.), 1000 (RS-485)
Реле выходы
4 (НО и НЗ)
Материал
ABS-пластик
Интерфейс
RS-485 (2 шт.)
Цвет
Белый+серый
Тестирование (проверка) работы
Встр. кнопкой
Количество приборов, подключаемых к линии интерфейса RS-485
До 125
Крепление
На стену и DIN-рейку (приоб.)
Интеграция с оборудованием или ПО
ПКУ-1 прот. R3, ПО FireSec3
Дополнительное оборудование
Подкл. табло, свето и звук. оповещ.
Максимально комутируемые напряжение/ток, В/А
Пост. 24/2 и перем. 230/0,25
Тип изделия
Релейный модуль адресный
Индикация
Световая
Напряжение питания, В
24 - 36 (по АЛС)
Ток потребления. мА
0,38
Потребляемая мощность, Вт
6
Разъем
Клеммы
Диапазон рабочих температур, °С
-25...+55
Степень защиты, IP
20
Габаритные размеры, мм
84х125х37
Масса, кг
0,1
РМ-4 прот. R3
| Количество | Ваша цена | Экономия |
|---|---|---|
| Опт от 14 шт. | 3 161 р./шт. | 514 р. |
| Запросить КП на крупный опт |
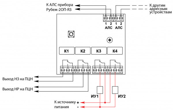
РМ-4 прот.R3 - адресный релейный (4 НО и НЗ) модуль предназначен для управления исполнительными устройствами, входящими в состав системы пожарной сигнализации под управлением приемно-контрольного прибора «Рубеж-2 ОП прот.R3».
Адресный релейный модуль является программируемым устройством.
Конфигурация задается пользователем при конфигурации системы с компьютера или с приемно-контрольного прибора.
Релейный модуль представляет собой дистанционно управляемый переключатель.
Функционально релейный модуль РМ-4 прот.R3 представляет собой четыре отдельных логических устройства (четыре отдельных реле), каждое из которых занимает в системе свой адрес.
Адресный релейный модуль обеспечивает подключение любых исполнительных устройств АСУТП, управление которыми возможно на релейном уровне, напряжение и ток потребления которых удовлетворяют техническим характеристикам реле.
Кроме этого, релейный модуль позволяет организовать передачу различных состояний системы на стороннее оборудование и ПЦН.
Релейный модуль имеет светодиодную индикацию наличия связи с приемно-контрольным прибором и индикацию включенного состояния реле.
Питание релейного модуля и передача сигналов на приемно-контрольный прибор осуществляются по униполярной адресной линии связи.
Релейный модуль имеет возможность установки на DIN-рейку с помощью специальной крепежной планки (в комплект поставки не входит и комплектуется по отдельному заказу).
Включение реле возможно по различным событиям в системе (зоне), например, пожар, внимание, включение автоматики МПТ, включение модуля пожаротушения, тревога, поставлен на охрану, снят с охраны, лампа, сработка устройств (АМ-1Т, МДУ-1, ШУЗ) и т. д.
- РМ-1_4 прот.R3 (адрес релей модуль 1 адрес вых 250В 0,25А)
- -2 ОП прот. R3 (ППКОПУ адрес 2ШС по RS-485 до 500 устр)1
- -2 ОП прот. R3 (инстр пользов)
- -2 ОП прот. R3 (эксплуа)
Ввиду того, что изделие может быть модифицировано, сведения, представленные на данной странице (изображение, характеристики, документация и т.п.), могут отличаться от фактических особенностей товара. За дополнительной информацией обращайтесь в техническую поддержку.
-
Охранно-пожарная сигнализация
-
Адресные системы
-
Радиоканальные системы
-
Астра-Р (ТЕКО)
-
Астра-РИ (ТЕКО)
-
Астра-РИ-М (ТЕКО)
-
Астра-Прайм (ТЕКО)
-
Астра-Zитадель (ТЕКО)
-
Ладога-РК (Риэлта)
-
С2000Р (Болид)
-
ВЕКТОР-АР (Сибирский Арсенал)
-
ВЕТТА-2020 (Сибирский Арсенал)
-
ГРАНИТ-РК (Сибирский Арсенал)
-
Риф-Ринг-1 (Альтоника)
-
Риф-Ринг-2 (Альтоника)
-
Риф-Ринг-701 (Альтоника)
-
Риф-Ринг-200 (Альтоника)
-
Lonta Optima (Альтоника)
-
Lonta-202 (Альтоника)
-
ACS (GSN)
-
-
GSM системы
-
Приборы приемно-контрольные
-
Извещатели охранные для помещений
-
Извещатели магнитоконтактные
-
Извещатели тревожной сигнализации
-
Извещатели разбития стекла акустические
-
Извещатели разбития стекла ударноконтактные
-
Извещатели движения ультразвуковые
-
Извещатели движения инфракрасные объемные
-
Извещатели движения пассивные инфракрасные поверхностные (штора)
-
Извещатели движения пассивные инфракрасные линейные (коридор)
-
Извещатели движения пассивные инфракрасные потолочные
-
Извещатели движения комбинированные
-
Извещатели совмещенные
-
Извещатели вибрационные и емкостные
-
-
Извещатели охраны периметра
-
Извещатели охраны периметра линейные ИК-активные
-
Извещатели охраны периметра линейные радиоволновые для установки на открытых участках
-
Извещатели охраны периметра ИК-пассивные
-
Извещатели охраны периметра объемные радиоволновые
-
Извещатели охраны периметра комбинированные
-
Извещатели охраны периметра проводно-волновые
-
Извещатели охраны периметра вибрационные
-
-
Извещатели пожарные
-
Извещатели дымовые 2-х проводные
-
Извещатели дымовые 4-х проводные
-
Извещатели дымовые автономные
-
Извещатели дымовые линейные
-
Извещатели дымовые аспирационные
-
Извещатели тепловые максимальные (пороговые)
-
Извещатели тепловые максимально-дифференциальные
-
Извещатели линейные тепловые пожарные
-
Извещатели пламени
-
Извещатели ручные
-
Извещатели комбинированные
-
-
Извещатели аварийные
-
Оповещатели
-
Светильники и аварийное освещение
-
Системы активной защиты
-
Распродажа
-
-
Системы охранного телевидения
-
Системы контроля и управления доступом
-
Домофоны
-
IP-домофония
-
Идентификаторы
-
Кнопки выхода
-
Считыватели
-
Кодовые панели
-
Автономные устройства контроля доступа
-
Сетевые системы контроля доступа
-
Биометрический контроль доступа
-
Системы обратной и диспетчерской связи
-
Замки
-
Электрозащелки
-
Доводчики
-
Турникеты
-
Калитки
-
Ограждения
-
Шлагбаумы
-
Автоматика для ворот
-
Досмотровое оборудование
-
-
Системы оповещения
и управление эвакуацией-
СОУЭ Тромбон
-
СОУЭ Ария (Электротехника и Автоматика)
-
СОУЭ Соната (ВИСТЛ)
-
СОУЭ С (ИП Раченков)
-
СОУЭ МЕТА
-
СОУЭ Октава (Полисервис)
-
СОУЭ Рокот (Сибирский Арсенал)
-
СОУЭ РЕЧОР (РУССБЫТ)
-
СОУЭ РЕЧОР-АТ (АНТИТЕРРОР) (РУССБЫТ)
-
СОУЭ ПКИ-Р (СпецКомИнтегРо)
-
Системы оповещения о пожаре Asenware
-
СОУЭ ROXTON
-
Звуковое оборудование RORSYS
-
СОУЭ JDM
-
СОУЭ MKV
-
СОУЭ ZVON
-
СОУЭ INTER-М
-
-
Взрывозащищенное оборудование
-
Извещатели пожарные взрывозащищенные
-
Извещатели пожарные тепловые резервуарные
-
Извещатели пожарные тепловые точечные
-
Извещатели пожарные тепловые максимально-дифференциальные
-
Извещатели пожарные дымовые
-
Извещатели пожарные комбинированные
-
Извещатели пожарные ручные взрывозащищенные
-
Извещатели пожарные пламени взрывозащищенные
-
Комплектующие к пожарным извещателям
-
-
Извещатели пожарные линейные взрывозащищенные
-
Извещатели охранные взрывозащищенные
-
Извещатели аварийные взрывозащищенные
-
Оповещатели взрывозащищенные
-
Табло оповещения взрывозащищённое
-
Приборы приемно-контрольные и пульты управления взрывозащищенные
-
Адресные взрывозащищенные системы
-
Посты управления взрывозащищенные
-
Системы видеонаблюдения взрывозащищенные
-
Системы контроля доступа взрывозащищенные
-
Громкоговорители взрывозащищенные
-
Коробки коммутационные взрывозащищенные
-
Барьеры искрозащиты
-
Кабельные вводы взрывозащищенные
-
-
Источники вторичного электропитания
-
Расходные и монтажные материалы
-
Средства пожаротушения
-
Первичные средства пожаротушения
-
Порошковое пожаротушение
-
Водяное пожаротушение
-
Аэрозольное пожаротушение
-
Газовое пожаротушение
-
Автономные установки пожаротушения
-
Клапан сброса избыточного давления КСИД
-
Водопенное оборудование
-
Шкафы пожарные
-
Дымоудаление
-
Средства защиты и спасения
-
Знаки безопасности и плакаты
-
-
Сетевое оборудование