Количество ШС
Проводной: 4 (сухие контакты)
Исполнение
Автономный, сетевой (через перекл. реле)
Количество поддерживаемых считывателей
1
Реле выходы
1 (НО и НЗ)+2 (ОК)
Максимально комутируемые напряжение/ток, В/А
12/3
Максимальная длина линии связи, м
50
Тип считывателя (без считывателя-о ключи ТМ-тм карты-к)
UID платеж. карт
Тип изделия
Контроллер доступа банкомата
Режим работы
Круглосуточно
Материал
Пластик
Управление прибором
По WEB-интерфейсу и ПК
Подключение
Проводное
Индикация
Световая, звуковая, речевая
Цвет
Черный
Напряжение питания, В
12 - 15
Ток потребления. мА
30
Потребляемая мощность, Вт
0,3
Разъем
Клеммы
Диапазон рабочих температур, °С
-10...+45
Степень защиты, IP
20
Габаритные размеры, мм
65х90х30
Масса, кг
0,12
Система ограничения доступа к банкомату ШЕРИФ-БАНК
1 шт
- Главная
- Каталог
- Средства и системы контроля и управления доступом
- Автономные устройства контроля доступа
- Система ограничения доступа к банкомату ШЕРИФ-БАНК
- Система ограничения доступа к банкомату ШЕРИФ-БАНК Promix-CS.PD.01
Система ограничения доступа к банкомату ШЕРИФ-БАНК Promix-CS.PD.01
Артикул: 86390
11979 р./шт.
(с НДС)
0 р.
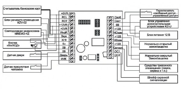
Контроллер ограничения доступа к банкомату. Позволяет подключать считыватель банковских карт, электроуправляемый замок/защелку, датчик открытия двери, датчик присутствия клиента, светодиодную мнемосхему занято-свободно , блок управления дополнительными устройствами KZ-U (освещение и видеозапись), блок речевого оповещения KZ-V02, шлейф охранной сигнализации, систему оповещения о пожаре, местные средства тревожного оповещения, переключатель свободный доступ - управляемый доступ .
Характеристики:
Производитель:
Промикс
Описание:
Promix-CS.PD.01 (KZ-04) - контроллер ограничения доступа к банкомату предназначен для повышения безопасности клиентов при совершении операций и ограничения доступа в помещения банкомата посторонних лиц.
Контроллер позволяет сократить накладные расходы на эксплуатацию помещения банкомата, а также повысить уровень комфорта обслуживания клиентов, работает с картами "МИР".
Особенности:
- Предоставление доступа к банкомату владельцам пластиковых карт платежных систем, обслуживаемых данным банкоматом.
- Ограничение доступа к банкомату лиц, у которых отсутствует пластиковая карта, обслуживаемая данным банкоматом.
- Запрет доступа в помещение во время нахождения человека в зоне самообслуживания.
- Световая индикация присутствия человека в помещении (опция).
- Речевые сообщения о действиях системы (опция).
- Реакция на тревожную ситуацию - оповещение о тревоге на пульт охраны или включение местных средств тревожного оповещения, видеозаписи.
- Контроль допустимого времени обслуживания Клиента.
- Управление освещением в помещении (опция).
- Режим "свободный доступ" для организации свободного прохода к банкомату.
Кроме того, контроллер позволяет подключить следующее оборудование:
- считыватель карт с магнитной полосой (стандарт ISO-7811) KZ-1121, KZ-1121M;
- универсальный считыватель микропроцессорных карт и карт с магнитной полосой KZ-602-M;
- любые: электромагнитный, электромеханический замок/защелку или другое исполнительное оборудование;
- нормально разомкнутую кнопку открывания замка;
- внешний зуммер, внешний двухцветный светодиод;
- датчик открытия двери;
- датчик присутствия клиента в зоне обслуживания банкомата;
- светодиодную мнемосхему MNEMO-KZ, указывающую на занятость банкомата;
- блок речевого оповещения KZ-V02;
- блок управления дополнительными устройствами KZ-U;
- переключатель «свободный доступ – управляемый доступ»;
- систему оповещения о пожаре;
- шлейф охранной сигнализации;
- местные средства тревожного оповещения.
Техническая документация
- Promix-CS.PD.01 (KZ-04) - контроллер доступа к банкомату
- Promix-CS.PD.01 (KZ-04) - буклет
- Promix (Шериф-Банк) - буклет
Сертификаты
Ввиду того, что изделие может быть модифицировано, сведения, представленные на данной странице (изображение, характеристики, документация и т.п.), могут отличаться от фактических особенностей товара. За дополнительной информацией обращайтесь в техническую поддержку.
Каталог товаров
-
Охранно-пожарная сигнализация
-
Адресные системы
-
Радиоканальные системы
-
Астра-Р (ТЕКО)
-
Астра-РИ (ТЕКО)
-
Астра-РИ-М (ТЕКО)
-
Астра-Прайм (ТЕКО)
-
Астра-Zитадель (ТЕКО)
-
Ладога-РК (Риэлта)
-
С2000Р (Болид)
-
ВЕКТОР-АР (Сибирский Арсенал)
-
ВЕТТА-2020 (Сибирский Арсенал)
-
ГРАНИТ-РК (Сибирский Арсенал)
-
Риф-Ринг-1 (Альтоника)
-
Риф-Ринг-2 (Альтоника)
-
Риф-Ринг-701 (Альтоника)
-
Риф-Ринг-200 (Альтоника)
-
Lonta Optima (Альтоника)
-
Lonta-202 (Альтоника)
-
ACS (GSN)
-
-
GSM системы
-
Приборы приемно-контрольные
-
Извещатели охранные для помещений
-
Извещатели магнитоконтактные
-
Извещатели тревожной сигнализации
-
Извещатели разбития стекла акустические
-
Извещатели разбития стекла ударноконтактные
-
Извещатели движения ультразвуковые
-
Извещатели движения инфракрасные объемные
-
Извещатели движения пассивные инфракрасные поверхностные (штора)
-
Извещатели движения пассивные инфракрасные линейные (коридор)
-
Извещатели движения пассивные инфракрасные потолочные
-
Извещатели движения комбинированные
-
Извещатели совмещенные
-
Извещатели вибрационные и емкостные
-
-
Извещатели охраны периметра
-
Извещатели охраны периметра линейные ИК-активные
-
Извещатели охраны периметра линейные радиоволновые для установки на открытых участках
-
Извещатели охраны периметра ИК-пассивные
-
Извещатели охраны периметра объемные радиоволновые
-
Извещатели охраны периметра комбинированные
-
Извещатели охраны периметра проводно-волновые
-
Извещатели охраны периметра вибрационные
-
-
Извещатели пожарные
-
Извещатели дымовые 2-х проводные
-
Извещатели дымовые 4-х проводные
-
Извещатели дымовые автономные
-
Извещатели дымовые линейные
-
Извещатели дымовые аспирационные
-
Извещатели тепловые максимальные (пороговые)
-
Извещатели тепловые максимально-дифференциальные
-
Извещатели линейные тепловые пожарные
-
Извещатели пламени
-
Извещатели ручные
-
Извещатели комбинированные
-
-
Извещатели аварийные
-
Оповещатели
-
Светильники и аварийное освещение
-
Системы активной защиты
-
Распродажа
-
-
Системы охранного телевидения
-
Системы контроля и управления доступом
-
Домофоны
-
IP-домофония
-
Идентификаторы
-
Кнопки выхода
-
Считыватели
-
Кодовые панели
-
Автономные устройства контроля доступа
-
Сетевые системы контроля доступа
-
Биометрический контроль доступа
-
Системы обратной и диспетчерской связи
-
Замки
-
Электрозащелки
-
Доводчики
-
Турникеты
-
Калитки
-
Ограждения
-
Шлагбаумы
-
Автоматика для ворот
-
Досмотровое оборудование
-
-
Системы оповещения
и управление эвакуацией-
СОУЭ Тромбон
-
СОУЭ Ария (Электротехника и Автоматика)
-
СОУЭ Соната (ВИСТЛ)
-
СОУЭ С (ИП Раченков)
-
СОУЭ МЕТА
-
СОУЭ Октава (Полисервис)
-
СОУЭ Рокот (Сибирский Арсенал)
-
СОУЭ РЕЧОР (РУССБЫТ)
-
СОУЭ РЕЧОР-АТ (АНТИТЕРРОР) (РУССБЫТ)
-
СОУЭ ПКИ-Р (СпецКомИнтегРо)
-
Системы оповещения о пожаре Asenware
-
СОУЭ ROXTON
-
Звуковое оборудование RORSYS
-
СОУЭ JDM
-
СОУЭ MKV
-
СОУЭ ZVON
-
СОУЭ INTER-М
-
-
Взрывозащищенное оборудование
-
Извещатели пожарные взрывозащищенные
-
Извещатели пожарные тепловые резервуарные
-
Извещатели пожарные тепловые точечные
-
Извещатели пожарные тепловые максимально-дифференциальные
-
Извещатели пожарные дымовые
-
Извещатели пожарные комбинированные
-
Извещатели пожарные ручные взрывозащищенные
-
Извещатели пожарные пламени взрывозащищенные
-
Комплектующие к пожарным извещателям
-
-
Извещатели пожарные линейные взрывозащищенные
-
Извещатели охранные взрывозащищенные
-
Извещатели аварийные взрывозащищенные
-
Оповещатели взрывозащищенные
-
Табло оповещения взрывозащищённое
-
Приборы приемно-контрольные и пульты управления взрывозащищенные
-
Адресные взрывозащищенные системы
-
Посты управления взрывозащищенные
-
Системы видеонаблюдения взрывозащищенные
-
Системы контроля доступа взрывозащищенные
-
Громкоговорители взрывозащищенные
-
Коробки коммутационные взрывозащищенные
-
Барьеры искрозащиты
-
Кабельные вводы взрывозащищенные
-
-
Источники вторичного электропитания
-
Расходные и монтажные материалы
-
Средства пожаротушения
-
Первичные средства пожаротушения
-
Порошковое пожаротушение
-
Водяное пожаротушение
-
Аэрозольное пожаротушение
-
Газовое пожаротушение
-
Автономные установки пожаротушения
-
Клапан сброса избыточного давления КСИД
-
Водопенное оборудование
-
Шкафы пожарные
-
Дымоудаление
-
Средства защиты и спасения
-
Знаки безопасности и плакаты
-
-
Сетевое оборудование