Время резерва, час
24/1 (оповещение)
Выходное напряжение, В
30, 100
Количество выходов
2 (реч) + 1 (свето-звук)
Количество каналов управления
1
Количество линейных входов
1
Реле выходы
1 (НО) + 1 (НЗ)
Номинальное сопротивление выносного резистора, кОм
10
Время готовности к работе, с, не более
10
Номинальная мощность,Вт
100
Максимально комутируемые напряжение/ток, В/А
100/0,1 - реле; 24/0,25 - свето-звук
Максимальная длина линии связи, м
1000 (100В)/500 (30В) ( общая линий оповещ)
Частотный диапазон,Гц
200 - 10000
Рекомендуемый АКБ, А*ч
2х7
Количество светодиодов, шт.
4
Интерфейс
RS-485
Контроль линии оповещения
Есть
Режим работы
Круглосуточно
Материал
Металл
Время срабатывания, сек, не более
Не более 3
Управление прибором
Переключателями, удалённо
Цвет
Светло-серый
Индикация
Световая и звуковая
Тип оповещения
Световой, звуковой, комбинир и речевой
Тип изделия
Усилитель линейный
Напряжение питания, В
187 - 242; 21 - 27,4
Ток потребления. мА
5000
Потребляемая мощность, Вт
100
Разъем
Клеммы
Диапазон рабочих температур, °С
0...+40
Степень защиты, IP
30
Габаритные размеры, мм
320х220х110
Масса (без аккумулятора) , не более, кг
5
Прибор управления
1 шт
- Главная
- Каталог
- Средства и системы оповещения, музыкальной трансляции
- СОУЭ Октава (Полисервис)
- Приборы управления
- Прибор управления Октава-100Б
Прибор управления Октава-100Б
Артикул: 82014
17050 р./шт.
(с НДС)
0 р.
| Количество | Ваша цена | Экономия |
|---|---|---|
| Опт от 3 шт. | 16 200 р./шт. | 850 р. |
| Запросить КП на крупный опт |
Усилитель линейный для Октава-100Ц-100 В , вход линии 100 В/30 В, Рвых.= 80 Вт, Uвых.=100 В/30 В
Характеристики:
Производитель:
Полисервис
Описание:
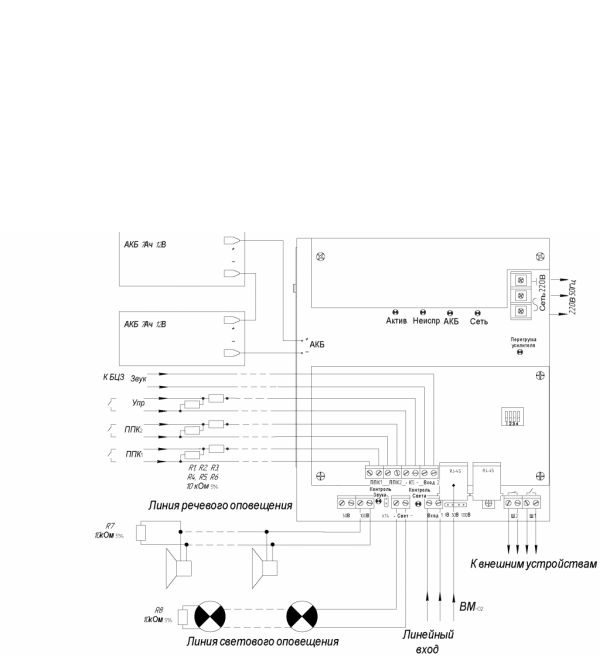
Октава-100Б - усилитель линейный для наращивания выходной мощности системы оповещения - Октава - 100Ц; имеет собственный источник резервированного питания, гальванически развязанные вход и выход, активируются при подаче звукового сигнала на вход, что существенно снижает потребление в дежурном режиме.
Усилитель подключается к центральному блоку или в линию оповещения, увеличивая выходную мощность системы.
Особенности:
- Питание световых оповещателей от встроенного резервированного источника.
- Контроль исправности линий связи речевого оповещения.
- Индикация наличия сетевого напряжения и состояния АКБ.
- Шлейф передачи извещения “Неисправность”.
- Шлейф передачи извещения “Активация”.
- Автоматический переход на резервное питание при пропадании основного.
Техническая документация
- Октава-100Б (усилит линейн 30_100В) паспорт 2020г
- Октава-100 (система оповещ 100Ц и 100Б+микроф тангетка 30_100В) руков 2020г
Сертификаты
Ввиду того, что изделие может быть модифицировано, сведения, представленные на данной странице (изображение, характеристики, документация и т.п.), могут отличаться от фактических особенностей товара. За дополнительной информацией обращайтесь в техническую поддержку.
Каталог товаров
-
Охранно-пожарная сигнализация
-
Адресные системы
-
Радиоканальные системы
-
Астра-Р (ТЕКО)
-
Астра-РИ (ТЕКО)
-
Астра-РИ-М (ТЕКО)
-
Астра-Прайм (ТЕКО)
-
Астра-Zитадель (ТЕКО)
-
Ладога-РК (Риэлта)
-
С2000Р (Болид)
-
ВЕКТОР-АР (Сибирский Арсенал)
-
ВЕТТА-2020 (Сибирский Арсенал)
-
ГРАНИТ-РК (Сибирский Арсенал)
-
Риф-Ринг-1 (Альтоника)
-
Риф-Ринг-2 (Альтоника)
-
Риф-Ринг-701 (Альтоника)
-
Риф-Ринг-200 (Альтоника)
-
Lonta Optima (Альтоника)
-
Lonta-202 (Альтоника)
-
ACS (GSN)
-
-
GSM системы
-
Приборы приемно-контрольные
-
Извещатели охранные для помещений
-
Извещатели магнитоконтактные
-
Извещатели тревожной сигнализации
-
Извещатели разбития стекла акустические
-
Извещатели разбития стекла ударноконтактные
-
Извещатели движения ультразвуковые
-
Извещатели движения инфракрасные объемные
-
Извещатели движения пассивные инфракрасные поверхностные (штора)
-
Извещатели движения пассивные инфракрасные линейные (коридор)
-
Извещатели движения пассивные инфракрасные потолочные
-
Извещатели движения комбинированные
-
Извещатели совмещенные
-
Извещатели вибрационные и емкостные
-
-
Извещатели охраны периметра
-
Извещатели охраны периметра линейные ИК-активные
-
Извещатели охраны периметра линейные радиоволновые для установки на открытых участках
-
Извещатели охраны периметра ИК-пассивные
-
Извещатели охраны периметра объемные радиоволновые
-
Извещатели охраны периметра комбинированные
-
Извещатели охраны периметра проводно-волновые
-
Извещатели охраны периметра вибрационные
-
-
Извещатели пожарные
-
Извещатели дымовые 2-х проводные
-
Извещатели дымовые 4-х проводные
-
Извещатели дымовые автономные
-
Извещатели дымовые линейные
-
Извещатели дымовые аспирационные
-
Извещатели тепловые максимальные (пороговые)
-
Извещатели тепловые максимально-дифференциальные
-
Извещатели линейные тепловые пожарные
-
Извещатели пламени
-
Извещатели ручные
-
Извещатели комбинированные
-
-
Извещатели аварийные
-
Оповещатели
-
Светильники и аварийное освещение
-
Системы активной защиты
-
Распродажа
-
-
Системы охранного телевидения
-
Системы контроля и управления доступом
-
Домофоны
-
IP-домофония
-
Идентификаторы
-
Кнопки выхода
-
Считыватели
-
Кодовые панели
-
Автономные устройства контроля доступа
-
Сетевые системы контроля доступа
-
Биометрический контроль доступа
-
Системы обратной и диспетчерской связи
-
Замки
-
Электрозащелки
-
Доводчики
-
Турникеты
-
Калитки
-
Ограждения
-
Шлагбаумы
-
Автоматика для ворот
-
Досмотровое оборудование
-
-
Системы оповещения
и управление эвакуацией-
СОУЭ Тромбон
-
СОУЭ Ария (Электротехника и Автоматика)
-
СОУЭ Соната (ВИСТЛ)
-
СОУЭ С (ИП Раченков)
-
СОУЭ МЕТА
-
СОУЭ Октава (Полисервис)
-
СОУЭ Рокот (Сибирский Арсенал)
-
СОУЭ РЕЧОР (РУССБЫТ)
-
СОУЭ РЕЧОР-АТ (АНТИТЕРРОР) (РУССБЫТ)
-
СОУЭ ПКИ-Р (СпецКомИнтегРо)
-
Системы оповещения о пожаре Asenware
-
СОУЭ ROXTON
-
Звуковое оборудование RORSYS
-
СОУЭ JDM
-
СОУЭ MKV
-
СОУЭ ZVON
-
СОУЭ INTER-М
-
-
Взрывозащищенное оборудование
-
Извещатели пожарные взрывозащищенные
-
Извещатели пожарные тепловые резервуарные
-
Извещатели пожарные тепловые точечные
-
Извещатели пожарные тепловые максимально-дифференциальные
-
Извещатели пожарные дымовые
-
Извещатели пожарные комбинированные
-
Извещатели пожарные ручные взрывозащищенные
-
Извещатели пожарные пламени взрывозащищенные
-
Комплектующие к пожарным извещателям
-
-
Извещатели пожарные линейные взрывозащищенные
-
Извещатели охранные взрывозащищенные
-
Извещатели аварийные взрывозащищенные
-
Оповещатели взрывозащищенные
-
Табло оповещения взрывозащищённое
-
Приборы приемно-контрольные и пульты управления взрывозащищенные
-
Адресные взрывозащищенные системы
-
Посты управления взрывозащищенные
-
Системы видеонаблюдения взрывозащищенные
-
Системы контроля доступа взрывозащищенные
-
Громкоговорители взрывозащищенные
-
Коробки коммутационные взрывозащищенные
-
Барьеры искрозащиты
-
Кабельные вводы взрывозащищенные
-
-
Источники вторичного электропитания
-
Расходные и монтажные материалы
-
Средства пожаротушения
-
Первичные средства пожаротушения
-
Порошковое пожаротушение
-
Водяное пожаротушение
-
Аэрозольное пожаротушение
-
Газовое пожаротушение
-
Автономные установки пожаротушения
-
Клапан сброса избыточного давления КСИД
-
Водопенное оборудование
-
Шкафы пожарные
-
Дымоудаление
-
Средства защиты и спасения
-
Знаки безопасности и плакаты
-
-
Сетевое оборудование