Количество зон
1
Номинальное сопротивление выносного резистора, кОм
0,68
Коэффициент вероятности безотказной работы, не менее
0,98
Количество каналов управления
1
Количество линейных входов
1
Максимальная длина линии связи, м
100 (устр.), 1000 (RS-485)
Частотный диапазон,Гц
100 - 9000
Суммарная длительность речевых сообщений, с
120
Количество светодиодов, шт.
2
Подключение
2-х проводное
Максимальное количество речевых сообщений в памяти устройства
8
Материал
ABS-пластик
Интерфейс
USB
Тип изделия
Адресный модуль речевого оповещения
Цвет
Белый+серый
Номинальная мощность,Вт
До 42
Контроль линии оповещения
Есть
Крепление
На стену и DIN-рейку (приоб.)
Тип установки
Накладной
Сопротивление, Ом
От 4 (громкоговоритель)
Управление прибором
От ППКОПУ по АЛС
Интеграция с оборудованием или ПО
ПО FireSec, Конфигуратор МРО2М.exe
Дополнительное оборудование
Подкл. кнопок Пуск и Стоп
Индикация
Световая
Напряжение питания, В
11 - 29
Ток потребления. мА
4500
Потребляемая мощность, Вт
76
Разъем
Клеммы, USB
Диапазон рабочих температур, °С
-25...+60
Степень защиты, IP
20
Габаритные размеры, мм
125x78x37
Масса, кг
0,15
МРО-2М
Данный товар находится в архиве!
Возможность поставки уточняйте у менеджера!!
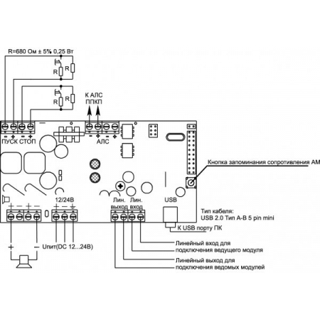
МРО-2М - адресный модуль низкоомного речевого оповещения предназначен для организации систем аварийного автоматического речевого оповещения людей о чрезвычайных ситуациях, для эффективного управления процессом эвакуации.
Работает в составе адресной системы под управлением приемно-контрольных приборов «Рубеж-2АМ», «Рубеж-4А», «Рубеж-2ОП» или ППКПУ серии «Водолей».
Адресный модуль речевого оповещения является программируемым устройством.
Конфигурирование МРО-2М осуществляется пользователем с приемно-контрольного прибора (при подключении по технологической адресной линии связи АЛСТ или рабочей линии АЛС) или ПО «FireSec PRO».
В системе модуль может иметь один из двух статусов –ведущий (управляемый источник сигнала) или ведомый (управляемый усилитель сигнала).
МРО-2М имеет выход на динамические головки и реализует речевую систему оповещения людей при пожаре.
Адресный модуль речевого оповещения обеспечивает:
- подключение акустических модулей или их сборок, общим сопротивлением не менее 4 Ом;
- линейный вход, может использоваться как обычный усилитель мощности;
- линейный выход для подключения ведомого МРО-2М;
- контроль целостности цепи до акустических модулей на обрыв и КЗ;
- два выхода для подключения кнопок ПУСК и СТОП с контролем целостности цепей на КЗ и обрыв для локального запуска и прекращения оповещения;
- возможность записи в память устройства любого голосового сообщения;
- воспроизведение записанного сообщения бесконечное число раз;
- автоматический запуск воспроизведения сообщения по сигналу с приемно-контрольного прибора;
- светодиодную индикацию режимов работы модуля и наличия связи с центральным прибором;
К модулю МРО-2М подключаются только пассивные акустические модули, не содержащие в цепи подключения дополнительных радиоэлементов (конденсаторов, катушек, трансформаторов).
Модуль поставляется с одним заранее записанным (перезаписи не подлежит) речевым сообщением «Проверка системы» .
МРО-2М способен хранить до 8 сообщений (включительно).
Обновление ПО и запись сообщений осуществляется с помощью программы «Конфигуратор МРО2М.exe» по каналу USB.
Питание модуля осуществляется от внешнего источника питания.
В процессе работы речевой модуль отслеживает сопротивление акустических модулей.
Изменение сопротивления более чем на 0,5 Ом от начального значения расценивается как неисправность.
Модуль речевого оповещения МРО-2М имеет возможность установки на DIN-рейку с помощью специальной крепежной планки (вкомплект поставки не входит и комплектуется по отдельному заказу).
- МРО-2М (модуль реч оповещ от 4 Ом)
- -2 ОП (ППКОПУ адрес 2ШС по RS-485 до 500 устр)
- -4А (ППКОПУ адрес 4ШС по RS-485 до 500 устр)
Ввиду того, что изделие может быть модифицировано, сведения, представленные на данной странице (изображение, характеристики, документация и т.п.), могут отличаться от фактических особенностей товара. За дополнительной информацией обращайтесь в техническую поддержку.
-
Охранно-пожарная сигнализация
-
Адресные системы
-
Радиоканальные системы
-
Астра-Р (ТЕКО)
-
Астра-РИ (ТЕКО)
-
Астра-РИ-М (ТЕКО)
-
Астра-Прайм (ТЕКО)
-
Астра-Zитадель (ТЕКО)
-
Ладога-РК (Риэлта)
-
С2000Р (Болид)
-
ВЕКТОР-АР (Сибирский Арсенал)
-
ВЕТТА-2020 (Сибирский Арсенал)
-
ГРАНИТ-РК (Сибирский Арсенал)
-
Риф-Ринг-1 (Альтоника)
-
Риф-Ринг-2 (Альтоника)
-
Риф-Ринг-701 (Альтоника)
-
Риф-Ринг-200 (Альтоника)
-
Lonta Optima (Альтоника)
-
Lonta-202 (Альтоника)
-
ACS (GSN)
-
-
GSM системы
-
Приборы приемно-контрольные
-
Извещатели охранные для помещений
-
Извещатели магнитоконтактные
-
Извещатели тревожной сигнализации
-
Извещатели разбития стекла акустические
-
Извещатели разбития стекла ударноконтактные
-
Извещатели движения ультразвуковые
-
Извещатели движения инфракрасные объемные
-
Извещатели движения пассивные инфракрасные поверхностные (штора)
-
Извещатели движения пассивные инфракрасные линейные (коридор)
-
Извещатели движения пассивные инфракрасные потолочные
-
Извещатели движения комбинированные
-
Извещатели совмещенные
-
Извещатели вибрационные и емкостные
-
-
Извещатели охраны периметра
-
Извещатели охраны периметра линейные ИК-активные
-
Извещатели охраны периметра линейные радиоволновые для установки на открытых участках
-
Извещатели охраны периметра ИК-пассивные
-
Извещатели охраны периметра объемные радиоволновые
-
Извещатели охраны периметра комбинированные
-
Извещатели охраны периметра проводно-волновые
-
Извещатели охраны периметра вибрационные
-
-
Извещатели пожарные
-
Извещатели дымовые 2-х проводные
-
Извещатели дымовые 4-х проводные
-
Извещатели дымовые автономные
-
Извещатели дымовые линейные
-
Извещатели дымовые аспирационные
-
Извещатели тепловые максимальные (пороговые)
-
Извещатели тепловые максимально-дифференциальные
-
Извещатели линейные тепловые пожарные
-
Извещатели пламени
-
Извещатели ручные
-
Извещатели комбинированные
-
-
Извещатели аварийные
-
Оповещатели
-
Светильники и аварийное освещение
-
Системы активной защиты
-
Распродажа
-
-
Системы охранного телевидения
-
Системы контроля и управления доступом
-
Домофоны
-
IP-домофония
-
Идентификаторы
-
Кнопки выхода
-
Считыватели
-
Кодовые панели
-
Автономные устройства контроля доступа
-
Сетевые системы контроля доступа
-
Биометрический контроль доступа
-
Системы обратной и диспетчерской связи
-
Замки
-
Электрозащелки
-
Доводчики
-
Турникеты
-
Калитки
-
Ограждения
-
Шлагбаумы
-
Автоматика для ворот
-
Досмотровое оборудование
-
-
Системы оповещения
и управление эвакуацией-
СОУЭ Тромбон
-
СОУЭ Ария (Электротехника и Автоматика)
-
СОУЭ Соната (ВИСТЛ)
-
СОУЭ С (ИП Раченков)
-
СОУЭ МЕТА
-
СОУЭ Октава (Полисервис)
-
СОУЭ Рокот (Сибирский Арсенал)
-
СОУЭ РЕЧОР (РУССБЫТ)
-
СОУЭ РЕЧОР-АТ (АНТИТЕРРОР) (РУССБЫТ)
-
СОУЭ ПКИ-Р (СпецКомИнтегРо)
-
Системы оповещения о пожаре Asenware
-
СОУЭ ROXTON
-
Звуковое оборудование RORSYS
-
СОУЭ JDM
-
СОУЭ MKV
-
СОУЭ ZVON
-
СОУЭ INTER-М
-
-
Взрывозащищенное оборудование
-
Извещатели пожарные взрывозащищенные
-
Извещатели пожарные тепловые резервуарные
-
Извещатели пожарные тепловые точечные
-
Извещатели пожарные тепловые максимально-дифференциальные
-
Извещатели пожарные дымовые
-
Извещатели пожарные комбинированные
-
Извещатели пожарные ручные взрывозащищенные
-
Извещатели пожарные пламени взрывозащищенные
-
Комплектующие к пожарным извещателям
-
-
Извещатели пожарные линейные взрывозащищенные
-
Извещатели охранные взрывозащищенные
-
Извещатели аварийные взрывозащищенные
-
Оповещатели взрывозащищенные
-
Табло оповещения взрывозащищённое
-
Приборы приемно-контрольные и пульты управления взрывозащищенные
-
Адресные взрывозащищенные системы
-
Посты управления взрывозащищенные
-
Системы видеонаблюдения взрывозащищенные
-
Системы контроля доступа взрывозащищенные
-
Громкоговорители взрывозащищенные
-
Коробки коммутационные взрывозащищенные
-
Барьеры искрозащиты
-
Кабельные вводы взрывозащищенные
-
-
Источники вторичного электропитания
-
Расходные и монтажные материалы
-
Средства пожаротушения
-
Первичные средства пожаротушения
-
Порошковое пожаротушение
-
Водяное пожаротушение
-
Аэрозольное пожаротушение
-
Газовое пожаротушение
-
Автономные установки пожаротушения
-
Клапан сброса избыточного давления КСИД
-
Водопенное оборудование
-
Шкафы пожарные
-
Дымоудаление
-
Средства защиты и спасения
-
Знаки безопасности и плакаты
-
-
Сетевое оборудование