Время резерва, час
27
Количество ШС
10 (независимых)
Ток нагрузки в ШС, мА
1
Маркировка взрывозащиты
ExiallC
Исполнение
Искробезопасный
Дисплей
ЖК
Номинальное сопротивление выносного резистора, кОм
1,2; 6,2
Реле выходы
10 (НО или НЗ) прогр. + 2 (НО) + 1 (НЗ)
Количество клавиш управления
18
Количество светодиодов, шт.
19
Рекомендуемый АКБ, А*ч
1х7
Подключение
2-х проводное
Энергонезависимая память,
254 (извещения)
Напряжение в ШС, В
9 - 13
Возможность подключения неадресного оборудования
АСПТ, устр. оповещ (УО)
Контроль линии (цепи)
Есть
Тестирование (проверка) работы
Кнопкой - откл.звука/ТЕСТ
Режим работы
Круглосуточно
Материал
Металл, окрашенный порошковым методом
Клавиатура (или регистратор)
Механические кнопки
Тип установки
Накладной настенный
Максимально комутируемые напряжение/ток, В/А
Пост. 30 и перем. 220/1; 130/0,1
Тип изделия
Прибор приемно-контрольный охранно-пожарный взрывозащищённый
Управление прибором
Программир.
Цвет
Светло-серый
Индикация
Световая и звуковая
Интеграция с оборудованием или ПО
СПИ (Сирень-СИ)
Дополнительное оборудование
Устр. сопряж. и адаптеры (СИ, RS-485 - USB, ГОРН) - приоб.
Напряжение питания, В
10,8 - 15 (резерв); 187 - 242
Ток потребления. мА
250
Потребляемая мощность, Вт
12
Разъем
Клеммы
Диапазон рабочих температур, °С
-10...+50
Степень защиты, IP
20
Габаритные размеры, мм
340х340х100
Масса, кг
9
Прибор приемно-контрольный
1 шт
- Главная
- Каталог
- Взрывозащищенное оборудование
- Приборы приемно-контрольные и пульты управления взрывозащищенные
- Приборы приемно-контрольные Корунд
- Прибор приемно-контрольный Корунд 20-СИ (10 шл.) исп.01
Прибор приемно-контрольный Корунд 20-СИ (10 шл.) исп.01
| Количество | Ваша цена | Экономия |
|---|---|---|
| Опт от 2 шт. | 44 304.10 р./шт. | 2 373.40 р. |
| Запросить КП на крупный опт |
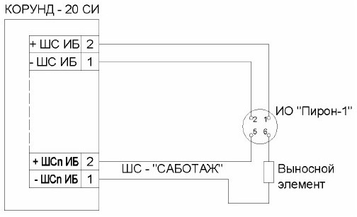
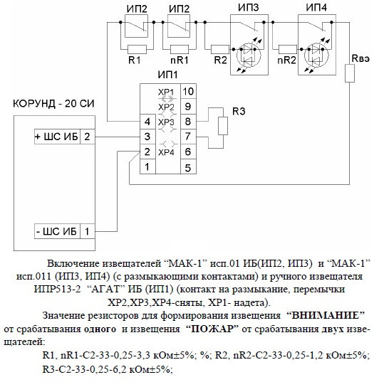
Корунд 20-СИ (10 шл.) исп.01 - прибор приёмно-контрольный искробезопасный охранно-пожарный на 10 ШС, взрывозащищённый (ExiаIIC), степенью защиты (IP20), напряжением питания (187 - 242 или 10,8 - 15 В), наличием: контроля целостности цепи, отсека резервного питания (АКБ 1х7Ач - приобретается отдельно), настенный предназначен для приема сигналов, поступающих от датчиков с наличием искробезопасности, установленных в помещениях с взрывоопасной средой (все классы), с последующей трансляцией извещений на ПЦН и формирования импульса для запуска систем пожаротушения, дымоудаления, оповещения и эвакуации людей при пожаре, управлением внешними звуковыми и/или световыми оповещателями.
Данный прибор подлежит обязательному заземлению и установливается вне взрывоопасных зон помещений и наружных установок, а также вне взрывоопасных зон рудников и шахт, опасных по рудничному газу и горючей пыли.
Срок службы прибора - не менее 10 лет.
- Корунд 20-СИ_исп 01_02 (ППКОП Искро Взрыво 20,15,10ШС АКБ7Ач или 10,8-15в_187-242в до 0,49А -10+50 IP20) руков 2017г
- Адаптер-СИ (устр подкл сторон ППКОП к Сирень-СИ) руков 2020г
- ГОРН (устр сопряж внешн оповещ свет-звук) руков 2020г
Ввиду того, что изделие может быть модифицировано, сведения, представленные на данной странице (изображение, характеристики, документация и т.п.), могут отличаться от фактических особенностей товара. За дополнительной информацией обращайтесь в техническую поддержку.
-
Охранно-пожарная сигнализация
-
Адресные системы
-
Радиоканальные системы
-
Астра-Р (ТЕКО)
-
Астра-РИ (ТЕКО)
-
Астра-РИ-М (ТЕКО)
-
Астра-Прайм (ТЕКО)
-
Астра-Zитадель (ТЕКО)
-
Ладога-РК (Риэлта)
-
С2000Р (Болид)
-
ВЕКТОР-АР (Сибирский Арсенал)
-
ВЕТТА-2020 (Сибирский Арсенал)
-
ГРАНИТ-РК (Сибирский Арсенал)
-
Риф-Ринг-1 (Альтоника)
-
Риф-Ринг-2 (Альтоника)
-
Риф-Ринг-701 (Альтоника)
-
Риф-Ринг-200 (Альтоника)
-
Lonta Optima (Альтоника)
-
Lonta-202 (Альтоника)
-
ACS (GSN)
-
-
GSM системы
-
Приборы приемно-контрольные
-
Извещатели охранные для помещений
-
Извещатели магнитоконтактные
-
Извещатели тревожной сигнализации
-
Извещатели разбития стекла акустические
-
Извещатели разбития стекла ударноконтактные
-
Извещатели движения ультразвуковые
-
Извещатели движения инфракрасные объемные
-
Извещатели движения пассивные инфракрасные поверхностные (штора)
-
Извещатели движения пассивные инфракрасные линейные (коридор)
-
Извещатели движения пассивные инфракрасные потолочные
-
Извещатели движения комбинированные
-
Извещатели совмещенные
-
Извещатели вибрационные и емкостные
-
-
Извещатели охраны периметра
-
Извещатели охраны периметра линейные ИК-активные
-
Извещатели охраны периметра линейные радиоволновые для установки на открытых участках
-
Извещатели охраны периметра ИК-пассивные
-
Извещатели охраны периметра объемные радиоволновые
-
Извещатели охраны периметра комбинированные
-
Извещатели охраны периметра проводно-волновые
-
Извещатели охраны периметра вибрационные
-
-
Извещатели пожарные
-
Извещатели дымовые 2-х проводные
-
Извещатели дымовые 4-х проводные
-
Извещатели дымовые автономные
-
Извещатели дымовые линейные
-
Извещатели дымовые аспирационные
-
Извещатели тепловые максимальные (пороговые)
-
Извещатели тепловые максимально-дифференциальные
-
Извещатели линейные тепловые пожарные
-
Извещатели пламени
-
Извещатели ручные
-
Извещатели комбинированные
-
-
Извещатели аварийные
-
Оповещатели
-
Светильники и аварийное освещение
-
Системы активной защиты
-
Распродажа
-
-
Системы охранного телевидения
-
Системы контроля и управления доступом
-
Домофоны
-
IP-домофония
-
Идентификаторы
-
Кнопки выхода
-
Считыватели
-
Кодовые панели
-
Автономные устройства контроля доступа
-
Сетевые системы контроля доступа
-
Биометрический контроль доступа
-
Системы обратной и диспетчерской связи
-
Замки
-
Электрозащелки
-
Доводчики
-
Турникеты
-
Калитки
-
Ограждения
-
Шлагбаумы
-
Автоматика для ворот
-
Досмотровое оборудование
-
-
Системы оповещения
и управление эвакуацией-
СОУЭ Тромбон
-
СОУЭ Ария (Электротехника и Автоматика)
-
СОУЭ Соната (ВИСТЛ)
-
СОУЭ С (ИП Раченков)
-
СОУЭ МЕТА
-
СОУЭ Октава (Полисервис)
-
СОУЭ Рокот (Сибирский Арсенал)
-
СОУЭ РЕЧОР (РУССБЫТ)
-
СОУЭ РЕЧОР-АТ (АНТИТЕРРОР) (РУССБЫТ)
-
СОУЭ ПКИ-Р (СпецКомИнтегРо)
-
Системы оповещения о пожаре Asenware
-
СОУЭ ROXTON
-
Звуковое оборудование RORSYS
-
СОУЭ JDM
-
СОУЭ MKV
-
СОУЭ ZVON
-
СОУЭ INTER-М
-
-
Взрывозащищенное оборудование
-
Извещатели пожарные взрывозащищенные
-
Извещатели пожарные тепловые резервуарные
-
Извещатели пожарные тепловые точечные
-
Извещатели пожарные тепловые максимально-дифференциальные
-
Извещатели пожарные дымовые
-
Извещатели пожарные комбинированные
-
Извещатели пожарные ручные взрывозащищенные
-
Извещатели пожарные пламени взрывозащищенные
-
Комплектующие к пожарным извещателям
-
-
Извещатели пожарные линейные взрывозащищенные
-
Извещатели охранные взрывозащищенные
-
Извещатели аварийные взрывозащищенные
-
Оповещатели взрывозащищенные
-
Табло оповещения взрывозащищённое
-
Приборы приемно-контрольные и пульты управления взрывозащищенные
-
Адресные взрывозащищенные системы
-
Посты управления взрывозащищенные
-
Системы видеонаблюдения взрывозащищенные
-
Системы контроля доступа взрывозащищенные
-
Громкоговорители взрывозащищенные
-
Коробки коммутационные взрывозащищенные
-
Барьеры искрозащиты
-
Кабельные вводы взрывозащищенные
-
-
Источники вторичного электропитания
-
Расходные и монтажные материалы
-
Средства пожаротушения
-
Первичные средства пожаротушения
-
Порошковое пожаротушение
-
Водяное пожаротушение
-
Аэрозольное пожаротушение
-
Газовое пожаротушение
-
Автономные установки пожаротушения
-
Клапан сброса избыточного давления КСИД
-
Водопенное оборудование
-
Шкафы пожарные
-
Дымоудаление
-
Средства защиты и спасения
-
Знаки безопасности и плакаты
-
-
Сетевое оборудование