Дальность обнаружения, м
8 - 150
Макс./мин.охраняемая площадь,кв.м
1350
Количество ИК лучей
1
Количество ШС
1 (пож)+1 (неиспр)
Исполнение
2-ух позиционный, 2-ух блочный (приёмник+передатчик)
Номинальное сечение жилы,кв.мм
0,2 - 1,5
Количество светодиодов, шт.
1
Реле выходы
1 (НО) + 1 (НЗ)
Инерционность срабатывания, с, не более
10
Максимально комутируемые напряжение/ток, В/А
100/0,1
Время готовности к работе, с, не более
20
Управление прибором
Вручную (переключателями)
Устойчивость к внешней засветке, лк
До 12000
Энергонезависимая память,
Есть
Номинальное сопротивление выносного резистора, кОм
Зависит от подкл. ППКОП
Тип изделия
Извещатель дымовой линейный
Крепление
Кронштейн (приоб)
Тип установки
Накладной настенный
Тестирование (проверка) работы
Перекрытием луча непрозр.предмет.,магнит(через ВУОС)
Дополнительное оборудование
ПК-02 и подкл. ВУОС (приоб)
Материал
Пластик
Подключение
Проводное
Индикация
Световая
Напряжение питания, В
8 - 28
Ток потребления. мА
20
Разъем
Клеммные колодки (3шт.)
Диапазон рабочих температур, °С
-25...+55
Степень защиты, IP
41
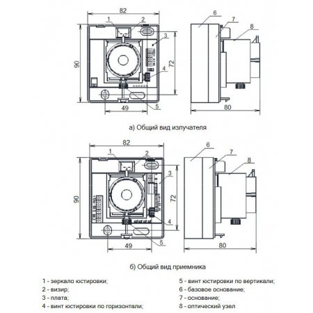
Габаритные размеры, мм
90х82х95 (приёмник и передатчик)
Масса, кг
0,6
Извещатель пожарный дымовой линейный оптический
1 шт
- Главная
- Каталог
- Средства и системы охранно-пожарной сигнализации
- Извещатели пожарные
- Извещатели дымовые линейные
- Извещатель пожарный дымовой линейный оптический ИПДЛ-Д-II/4P
Извещатель пожарный дымовой линейный оптический ИПДЛ-Д-II/4P
Артикул: 5037
7870 р./шт.
(с НДС)
0 р.
| Количество | Ваша цена | Экономия |
|---|---|---|
| Опт от 7 шт. | 7 475 р./шт. | 395 р. |
| Запросить КП на крупный опт |
Линейный двухпозиционный. Рабочая дальность действия 150 м. Контролируемая площадь 900 кв.м. Питание 8…28В. Ток потребления 17 мА. Габариты БИ, БП 86х80х96 мм.
Характеристики:
Производитель:
Полисервис
Описание:
ИП212-2 (ИПДЛ-Д-II/4P) - дымовой двухпозиционный линейный пожарный извещатель, состоящий из приемника и передатчика, дальностью между ними от 8 до 150м применяется для защиты помещений, имеющих большую площадь, большую протяженность или большую высоту потолков.
Особенности:
- контролируемая площадь - до 1350 м2;
- компенсация запыленности оптики - есть;
- прибор контроля (ПК-02 - приобретается) - для надежной и быстрой юстировки, настройки;
- регулируемый порог срабатывания;
- дистанционный контроль при помощи внешнего устройства оптической сигнализации - ВУОС (приобретается);
- определение характера неисправности при помощи ВУОС и прибора контроля;
- память последнего срабатывания;
- блок коммутации в основании.
Срок службы изделия - не менее 10 лет.
Техническая документация
- ИПДЛ-Д-II-4р (линей 8-150м прием+перед 8-28в 20мА 2ШС НО_НЗ -25+55 IP41) руков 2021г
- ИПДЛ-Д-II-4р (линей 8-150м прием+перед 8-28в 20мА 2ШС НО_НЗ -25+55 IP41) паспорт 2021г
- 484.1311500.2020 (Свод правил противопож защиты) действ. с 01.03.2021г
- 485.1311500.2020 (Свод правил противопож защиты) действ. с 01.03.2021г
- 486.1311500.2020 (Свод правил противопож защиты) действ. с 01.03.2021г
Сертификаты
Ввиду того, что изделие может быть модифицировано, сведения, представленные на данной странице (изображение, характеристики, документация и т.п.), могут отличаться от фактических особенностей товара. За дополнительной информацией обращайтесь в техническую поддержку.
Каталог товаров
-
Охранно-пожарная сигнализация
-
Адресные системы
-
Радиоканальные системы
-
Астра-Р (ТЕКО)
-
Астра-РИ (ТЕКО)
-
Астра-РИ-М (ТЕКО)
-
Астра-Прайм (ТЕКО)
-
Астра-Zитадель (ТЕКО)
-
Ладога-РК (Риэлта)
-
С2000Р (Болид)
-
ВЕКТОР-АР (Сибирский Арсенал)
-
ВЕТТА-2020 (Сибирский Арсенал)
-
ГРАНИТ-РК (Сибирский Арсенал)
-
Риф-Ринг-1 (Альтоника)
-
Риф-Ринг-2 (Альтоника)
-
Риф-Ринг-701 (Альтоника)
-
Риф-Ринг-200 (Альтоника)
-
Lonta Optima (Альтоника)
-
Lonta-202 (Альтоника)
-
ACS (GSN)
-
-
GSM системы
-
Приборы приемно-контрольные
-
Извещатели охранные для помещений
-
Извещатели магнитоконтактные
-
Извещатели тревожной сигнализации
-
Извещатели разбития стекла акустические
-
Извещатели разбития стекла ударноконтактные
-
Извещатели движения ультразвуковые
-
Извещатели движения инфракрасные объемные
-
Извещатели движения пассивные инфракрасные поверхностные (штора)
-
Извещатели движения пассивные инфракрасные линейные (коридор)
-
Извещатели движения пассивные инфракрасные потолочные
-
Извещатели движения комбинированные
-
Извещатели совмещенные
-
Извещатели вибрационные и емкостные
-
-
Извещатели охраны периметра
-
Извещатели охраны периметра линейные ИК-активные
-
Извещатели охраны периметра линейные радиоволновые для установки на открытых участках
-
Извещатели охраны периметра ИК-пассивные
-
Извещатели охраны периметра объемные радиоволновые
-
Извещатели охраны периметра комбинированные
-
Извещатели охраны периметра проводно-волновые
-
Извещатели охраны периметра вибрационные
-
-
Извещатели пожарные
-
Извещатели дымовые 2-х проводные
-
Извещатели дымовые 4-х проводные
-
Извещатели дымовые автономные
-
Извещатели дымовые линейные
-
Извещатели дымовые аспирационные
-
Извещатели тепловые максимальные (пороговые)
-
Извещатели тепловые максимально-дифференциальные
-
Извещатели линейные тепловые пожарные
-
Извещатели пламени
-
Извещатели ручные
-
Извещатели комбинированные
-
-
Извещатели аварийные
-
Оповещатели
-
Светильники и аварийное освещение
-
Системы активной защиты
-
Распродажа
-
-
Системы охранного телевидения
-
Системы контроля и управления доступом
-
Домофоны
-
IP-домофония
-
Идентификаторы
-
Кнопки выхода
-
Считыватели
-
Кодовые панели
-
Автономные устройства контроля доступа
-
Сетевые системы контроля доступа
-
Биометрический контроль доступа
-
Системы обратной и диспетчерской связи
-
Замки
-
Электрозащелки
-
Доводчики
-
Турникеты
-
Калитки
-
Ограждения
-
Шлагбаумы
-
Автоматика для ворот
-
Досмотровое оборудование
-
-
Системы оповещения
и управление эвакуацией-
СОУЭ Тромбон
-
СОУЭ Ария (Электротехника и Автоматика)
-
СОУЭ Соната (ВИСТЛ)
-
СОУЭ С (ИП Раченков)
-
СОУЭ МЕТА
-
СОУЭ Октава (Полисервис)
-
СОУЭ Рокот (Сибирский Арсенал)
-
СОУЭ РЕЧОР (РУССБЫТ)
-
СОУЭ РЕЧОР-АТ (АНТИТЕРРОР) (РУССБЫТ)
-
СОУЭ ПКИ-Р (СпецКомИнтегРо)
-
Системы оповещения о пожаре Asenware
-
СОУЭ ROXTON
-
Звуковое оборудование RORSYS
-
СОУЭ JDM
-
СОУЭ MKV
-
СОУЭ ZVON
-
СОУЭ INTER-М
-
-
Взрывозащищенное оборудование
-
Извещатели пожарные взрывозащищенные
-
Извещатели пожарные тепловые резервуарные
-
Извещатели пожарные тепловые точечные
-
Извещатели пожарные тепловые максимально-дифференциальные
-
Извещатели пожарные дымовые
-
Извещатели пожарные комбинированные
-
Извещатели пожарные ручные взрывозащищенные
-
Извещатели пожарные пламени взрывозащищенные
-
Комплектующие к пожарным извещателям
-
-
Извещатели пожарные линейные взрывозащищенные
-
Извещатели охранные взрывозащищенные
-
Извещатели аварийные взрывозащищенные
-
Оповещатели взрывозащищенные
-
Табло оповещения взрывозащищённое
-
Приборы приемно-контрольные и пульты управления взрывозащищенные
-
Адресные взрывозащищенные системы
-
Посты управления взрывозащищенные
-
Системы видеонаблюдения взрывозащищенные
-
Системы контроля доступа взрывозащищенные
-
Громкоговорители взрывозащищенные
-
Коробки коммутационные взрывозащищенные
-
Барьеры искрозащиты
-
Кабельные вводы взрывозащищенные
-
-
Источники вторичного электропитания
-
Расходные и монтажные материалы
-
Средства пожаротушения
-
Первичные средства пожаротушения
-
Порошковое пожаротушение
-
Водяное пожаротушение
-
Аэрозольное пожаротушение
-
Газовое пожаротушение
-
Автономные установки пожаротушения
-
Клапан сброса избыточного давления КСИД
-
Водопенное оборудование
-
Шкафы пожарные
-
Дымоудаление
-
Средства защиты и спасения
-
Знаки безопасности и плакаты
-
-
Сетевое оборудование