Маркировка взрывозащиты
0ExiaIIBT6Ga
Исполнение
Искробезопасный
Количество светодиодов, шт.
1
Сопротивление, Ом
1000 (встроен для ППКП серии Яхонт-И); свои для других ППКП
Время готовности к работе, с, не более
2
По способу подключения
2-х проводный, параллельно ШС
Управление прибором
Вручную
Дополнительное оборудование
Есть: кабель вводы со штуцерами G1/2"; другие (приоб)
Крепление
Есть: крепеж. лапки
Тип изделия
Извещатель пожарный ручной взрывозащищённый
Цвет
Красный
Режим работы
Круглосуточно
по исполнению ввода
На 1-ин кабельный ввод
Надпись
Пожар (Пуск пожаротушения - под заказ)
Интеграция с оборудованием или ПО
ППКОП серии Яхонт И, другие аналогич. ППКОП
Индикация
Световая
Материал
Ударопрочный армамид
Напряжение питания, В
4 - 27
Ток потребления. мА
21
Разъем
Клеммы
Диапазон рабочих температур, °С
-60...+70
Степень защиты, IP
67
Габаритные размеры, мм
155х108х67
Масса, кг
0,3
Извещатель пожарный взрывозащищенный ручной
1 шт
- Главная
- Каталог
- Взрывозащищенное оборудование
- Извещатели пожарные взрывозащищенные
- Извещатели пожарные ручные взрывозащищенные
- Извещатель пожарный взрывозащищенный ручной ИП 535 Гарант 1КВ
Извещатель пожарный взрывозащищенный ручной ИП 535 Гарант 1КВ
| Количество | Ваша цена | Экономия |
|---|---|---|
| Опт от 7 шт. | 7 127.24 р./шт. | 619.76 р. |
| Запросить КП на крупный опт |
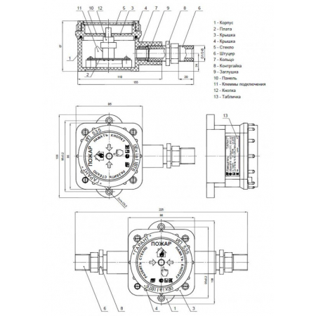
ИП 535 (ГАРАНТ) - извещатель 1-вводной пожарный ручной взрывозащищенный (0ExiaIIBT6Ga), искробезопасный, степенью защиты (IP67), с надписью - "Пожар" предназначен для ручного включения сигнала пожарной тревоги (принцип действия - увеличение тока в ШС) в системах автоматического пожаротушения и пожарной сигнализации и применяется на предприятиях химической, нефтегазодобывающей, нефтегазоперерабатывающей отраслей и взрывоопасных зонах класса (0) других производств.
Предусмотрено исполнение извещателя с надписью "ПУСК ПОЖАРОТУШЕНИЯ".
Корпус извещателя может выполняться в черном цвете (под заказ).
Конструкция извещателя позволяет эксплуатировать его на открытом воздухе как в условиях крайнего севера с пониженной температурой, так и в условиях повышенной влажности.
Извещатель включается в искробезопасные шлейфы сигнализации приборов серии Яхонт И или других ППКП, искробезопасные электрические цепи которых имеют параметры, позволяющие подключать данный извещатель.
Для работы извещателя с приборами серии Яхонт-И при выпуске производителем устанавливается внутренний токоограничительный резистор сопротивлением 1 кОм, при работе с другими ППКП - устанавливается другой необходимый для него резистор.
Извещатель включается в шлейф сигнализации с соблюдением полярности и без дополнительного диода в случае знакопеременного напряжения в шлейфе.
Каждый извещатель комплектуется штуцерами под трубную разводку G1/2", но по желанию заказчика может быть переукомплектован штуцерами под бронекабель или металлорукав - 12 или 15 мм, либо штуцерами с метрической резьбой: М20х1,5.
Крепление извещателя осуществляется с помощью крепёжных лапок.
Ввиду того, что изделие может быть модифицировано, сведения, представленные на данной странице (изображение, характеристики, документация и т.п.), могут отличаться от фактических особенностей товара. За дополнительной информацией обращайтесь в техническую поддержку.
-
Охранно-пожарная сигнализация
-
Адресные системы
-
Радиоканальные системы
-
Астра-Р (ТЕКО)
-
Астра-РИ (ТЕКО)
-
Астра-РИ-М (ТЕКО)
-
Астра-Прайм (ТЕКО)
-
Астра-Zитадель (ТЕКО)
-
Ладога-РК (Риэлта)
-
С2000Р (Болид)
-
ВЕКТОР-АР (Сибирский Арсенал)
-
ВЕТТА-2020 (Сибирский Арсенал)
-
ГРАНИТ-РК (Сибирский Арсенал)
-
Риф-Ринг-1 (Альтоника)
-
Риф-Ринг-2 (Альтоника)
-
Риф-Ринг-701 (Альтоника)
-
Риф-Ринг-200 (Альтоника)
-
Lonta Optima (Альтоника)
-
Lonta-202 (Альтоника)
-
ACS (GSN)
-
-
GSM системы
-
Приборы приемно-контрольные
-
Извещатели охранные для помещений
-
Извещатели магнитоконтактные
-
Извещатели тревожной сигнализации
-
Извещатели разбития стекла акустические
-
Извещатели разбития стекла ударноконтактные
-
Извещатели движения ультразвуковые
-
Извещатели движения инфракрасные объемные
-
Извещатели движения пассивные инфракрасные поверхностные (штора)
-
Извещатели движения пассивные инфракрасные линейные (коридор)
-
Извещатели движения пассивные инфракрасные потолочные
-
Извещатели движения комбинированные
-
Извещатели совмещенные
-
Извещатели вибрационные и емкостные
-
-
Извещатели охраны периметра
-
Извещатели охраны периметра линейные ИК-активные
-
Извещатели охраны периметра линейные радиоволновые для установки на открытых участках
-
Извещатели охраны периметра ИК-пассивные
-
Извещатели охраны периметра объемные радиоволновые
-
Извещатели охраны периметра комбинированные
-
Извещатели охраны периметра проводно-волновые
-
Извещатели охраны периметра вибрационные
-
-
Извещатели пожарные
-
Извещатели дымовые 2-х проводные
-
Извещатели дымовые 4-х проводные
-
Извещатели дымовые автономные
-
Извещатели дымовые линейные
-
Извещатели дымовые аспирационные
-
Извещатели тепловые максимальные (пороговые)
-
Извещатели тепловые максимально-дифференциальные
-
Извещатели линейные тепловые пожарные
-
Извещатели пламени
-
Извещатели ручные
-
Извещатели комбинированные
-
-
Извещатели аварийные
-
Оповещатели
-
Светильники и аварийное освещение
-
Системы активной защиты
-
Распродажа
-
-
Системы охранного телевидения
-
Системы контроля и управления доступом
-
Домофоны
-
IP-домофония
-
Идентификаторы
-
Кнопки выхода
-
Считыватели
-
Кодовые панели
-
Автономные устройства контроля доступа
-
Сетевые системы контроля доступа
-
Биометрический контроль доступа
-
Системы обратной и диспетчерской связи
-
Замки
-
Электрозащелки
-
Доводчики
-
Турникеты
-
Калитки
-
Ограждения
-
Шлагбаумы
-
Автоматика для ворот
-
Досмотровое оборудование
-
-
Системы оповещения
и управление эвакуацией-
СОУЭ Тромбон
-
СОУЭ Ария (Электротехника и Автоматика)
-
СОУЭ Соната (ВИСТЛ)
-
СОУЭ С (ИП Раченков)
-
СОУЭ МЕТА
-
СОУЭ Октава (Полисервис)
-
СОУЭ Рокот (Сибирский Арсенал)
-
СОУЭ РЕЧОР (РУССБЫТ)
-
СОУЭ РЕЧОР-АТ (АНТИТЕРРОР) (РУССБЫТ)
-
СОУЭ ПКИ-Р (СпецКомИнтегРо)
-
Системы оповещения о пожаре Asenware
-
СОУЭ ROXTON
-
Звуковое оборудование RORSYS
-
СОУЭ JDM
-
СОУЭ MKV
-
СОУЭ ZVON
-
СОУЭ INTER-М
-
-
Взрывозащищенное оборудование
-
Извещатели пожарные взрывозащищенные
-
Извещатели пожарные тепловые резервуарные
-
Извещатели пожарные тепловые точечные
-
Извещатели пожарные тепловые максимально-дифференциальные
-
Извещатели пожарные дымовые
-
Извещатели пожарные комбинированные
-
Извещатели пожарные ручные взрывозащищенные
-
Извещатели пожарные пламени взрывозащищенные
-
Комплектующие к пожарным извещателям
-
-
Извещатели пожарные линейные взрывозащищенные
-
Извещатели охранные взрывозащищенные
-
Извещатели аварийные взрывозащищенные
-
Оповещатели взрывозащищенные
-
Табло оповещения взрывозащищённое
-
Приборы приемно-контрольные и пульты управления взрывозащищенные
-
Адресные взрывозащищенные системы
-
Посты управления взрывозащищенные
-
Системы видеонаблюдения взрывозащищенные
-
Системы контроля доступа взрывозащищенные
-
Громкоговорители взрывозащищенные
-
Коробки коммутационные взрывозащищенные
-
Барьеры искрозащиты
-
Кабельные вводы взрывозащищенные
-
-
Источники вторичного электропитания
-
Расходные и монтажные материалы
-
Средства пожаротушения
-
Первичные средства пожаротушения
-
Порошковое пожаротушение
-
Водяное пожаротушение
-
Аэрозольное пожаротушение
-
Газовое пожаротушение
-
Автономные установки пожаротушения
-
Клапан сброса избыточного давления КСИД
-
Водопенное оборудование
-
Шкафы пожарные
-
Дымоудаление
-
Средства защиты и спасения
-
Знаки безопасности и плакаты
-
-
Сетевое оборудование