Дальность обнаружения, м
25
Маркировка взрывозащиты
0ExiaIICT6.
Угол обзора,град.
60 гор./25 - 80 верт.
Исполнение
Искробезопасный, ИК и УФ
Номинальное сечение жилы,кв.мм
0,125 - 1,5
Количество светодиодов, шт.
1
Режим работы
1 тактика (ИК+УФ) и 3 тактики (УФ)
Время срабатывания, сек, не более
15
По способу подключения
2-х проводный
Сопротивление, Ом
2200 (встроен для ППКП серии Яхонт-И); свои для других ППКП
Время готовности к работе, с, не более
3
Диапазон чувствительности
4,3 - 4,4 мкм (ИК); 185 - 260 нм (УФ)
Управление прибором
DIP - переключателем
Дополнительное оборудование
Есть: кабель вводы со штуцерами G1/2"; другие (приоб)
Крепление
Есть: компл. крепежа
Тип изделия
Извещатель пламени ИК и УФ, взрывозащищённый, искробезопасный
Цвет
Красный
по исполнению ввода
На 2-а кабельных ввода
Интеграция с оборудованием или ПО
С любым ППКП (совместим.по искробезоп.)
Индикация
Световая
Тестирование (проверка) работы
Тестовый фонарь (Иолит-ТЕСТ)
Материал
Ударопрочный армамид
Напряжение питания, В
5 - 28
Ток потребления. мА
0,4
Разъем
Клеммы винтовые
Диапазон рабочих температур, °С
-55...+55
Степень защиты, IP
67
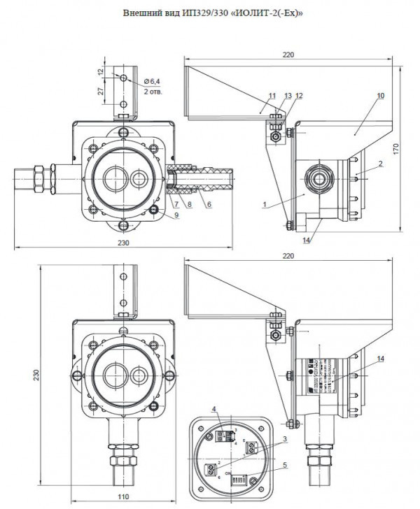
Габаритные размеры, мм
220х230х170
Масса, кг
1
Извещатель пожарный взрывозащищенный пламени
1 шт
- Главная
- Каталог
- Взрывозащищенное оборудование
- Извещатели пожарные взрывозащищенные
- Извещатели пожарные пламени взрывозащищенные
- Извещатель пожарный взрывозащищенный пламени ИП 329/330 Иолит-2-Ех 2КВ
Извещатель пожарный взрывозащищенный пламени ИП 329/330 Иолит-2-Ех 2КВ
| Количество | Ваша цена | Экономия |
|---|---|---|
| Опт от 2 шт. | 44 334.80 р./шт. | 3 855.20 р. |
| Запросить КП на крупный опт |
ИП 329/330 Иолит-2-Ех 2КВ - извещатель пламени ультрафиолетового (УФ) и инфракрасного (ИК) диапазонов на 2 кабельных ввода (проходной) пожарный искробезопасный взрывозащищенный (0ExiaIICT6), степенью защиты (IP67), из ударопрочного армамида предназначен для выдачи в шлейф пожарной сигнализации тревожного сигнала «Пожар» (принцип действия - измерение интенсивности УФ или УФ+ИК) и применяется на предприятиях химической, нефтегазодобывающей, нефтегазоперерабатывающей отраслей и взрывоопасных зонах класса (0 и ниже) других производств.
Извещатель включается в искробезопасные шлейфы сигнализации приборов серии Яхонт И или других ППКП, искробезопасные электрические цепи которых имеют параметры, позволяющие подключать данный извещатель.
Для работы извещателя с приборами серии Яхонт-И при выпуске производителем устанавливается внутренний токоограничительный резистор сопротивлением 2,2 кОм, при работе с другими ППКП - устанавливается другой необходимый для него резистор.
Извещатель включается в шлейф сигнализации с соблюдением полярности.
После срабатывания извещатель автоматически возвращается в дежурный режим.
Площадь, контролируемая извещателем, соответствует СП5.13130.2009 и зависит от высоты защищаемого пространства.
Каждый извещатель комплектуется штуцерами под трубную разводку G1/2", но по желанию заказчика может быть переукомплектован штуцерами под бронекабель или металлорукав - 12 или 15 мм, либо штуцерами с метрической резьбой: М20х1,5.
Крепление извещателя осуществляется с помощью крепёжного комплекта.
Для проверки работоспособности извещателя используется тестовый взрывозащищенный фонарь (Иолит-ТЕСТ).
При установке извещателя вне взрывоопасных зон, он может работать практически с любыми приемно-контрольными приборами.
Ввиду того, что изделие может быть модифицировано, сведения, представленные на данной странице (изображение, характеристики, документация и т.п.), могут отличаться от фактических особенностей товара. За дополнительной информацией обращайтесь в техническую поддержку.
-
Охранно-пожарная сигнализация
-
Адресные системы
-
Радиоканальные системы
-
Астра-Р (ТЕКО)
-
Астра-РИ (ТЕКО)
-
Астра-РИ-М (ТЕКО)
-
Астра-Прайм (ТЕКО)
-
Астра-Zитадель (ТЕКО)
-
Ладога-РК (Риэлта)
-
С2000Р (Болид)
-
ВЕКТОР-АР (Сибирский Арсенал)
-
ВЕТТА-2020 (Сибирский Арсенал)
-
ГРАНИТ-РК (Сибирский Арсенал)
-
Риф-Ринг-1 (Альтоника)
-
Риф-Ринг-2 (Альтоника)
-
Риф-Ринг-701 (Альтоника)
-
Риф-Ринг-200 (Альтоника)
-
Lonta Optima (Альтоника)
-
Lonta-202 (Альтоника)
-
ACS (GSN)
-
-
GSM системы
-
Приборы приемно-контрольные
-
Извещатели охранные для помещений
-
Извещатели магнитоконтактные
-
Извещатели тревожной сигнализации
-
Извещатели разбития стекла акустические
-
Извещатели разбития стекла ударноконтактные
-
Извещатели движения ультразвуковые
-
Извещатели движения инфракрасные объемные
-
Извещатели движения пассивные инфракрасные поверхностные (штора)
-
Извещатели движения пассивные инфракрасные линейные (коридор)
-
Извещатели движения пассивные инфракрасные потолочные
-
Извещатели движения комбинированные
-
Извещатели совмещенные
-
Извещатели вибрационные и емкостные
-
-
Извещатели охраны периметра
-
Извещатели охраны периметра линейные ИК-активные
-
Извещатели охраны периметра линейные радиоволновые для установки на открытых участках
-
Извещатели охраны периметра ИК-пассивные
-
Извещатели охраны периметра объемные радиоволновые
-
Извещатели охраны периметра комбинированные
-
Извещатели охраны периметра проводно-волновые
-
Извещатели охраны периметра вибрационные
-
-
Извещатели пожарные
-
Извещатели дымовые 2-х проводные
-
Извещатели дымовые 4-х проводные
-
Извещатели дымовые автономные
-
Извещатели дымовые линейные
-
Извещатели дымовые аспирационные
-
Извещатели тепловые максимальные (пороговые)
-
Извещатели тепловые максимально-дифференциальные
-
Извещатели линейные тепловые пожарные
-
Извещатели пламени
-
Извещатели ручные
-
Извещатели комбинированные
-
-
Извещатели аварийные
-
Оповещатели
-
Светильники и аварийное освещение
-
Системы активной защиты
-
Распродажа
-
-
Системы охранного телевидения
-
Системы контроля и управления доступом
-
Домофоны
-
IP-домофония
-
Идентификаторы
-
Кнопки выхода
-
Считыватели
-
Кодовые панели
-
Автономные устройства контроля доступа
-
Сетевые системы контроля доступа
-
Биометрический контроль доступа
-
Системы обратной и диспетчерской связи
-
Замки
-
Электрозащелки
-
Доводчики
-
Турникеты
-
Калитки
-
Ограждения
-
Шлагбаумы
-
Автоматика для ворот
-
Досмотровое оборудование
-
-
Системы оповещения
и управление эвакуацией-
СОУЭ Тромбон
-
СОУЭ Ария (Электротехника и Автоматика)
-
СОУЭ Соната (ВИСТЛ)
-
СОУЭ С (ИП Раченков)
-
СОУЭ МЕТА
-
СОУЭ Октава (Полисервис)
-
СОУЭ Рокот (Сибирский Арсенал)
-
СОУЭ РЕЧОР (РУССБЫТ)
-
СОУЭ РЕЧОР-АТ (АНТИТЕРРОР) (РУССБЫТ)
-
СОУЭ ПКИ-Р (СпецКомИнтегРо)
-
Системы оповещения о пожаре Asenware
-
СОУЭ ROXTON
-
Звуковое оборудование RORSYS
-
СОУЭ JDM
-
СОУЭ MKV
-
СОУЭ ZVON
-
СОУЭ INTER-М
-
-
Взрывозащищенное оборудование
-
Извещатели пожарные взрывозащищенные
-
Извещатели пожарные тепловые резервуарные
-
Извещатели пожарные тепловые точечные
-
Извещатели пожарные тепловые максимально-дифференциальные
-
Извещатели пожарные дымовые
-
Извещатели пожарные комбинированные
-
Извещатели пожарные ручные взрывозащищенные
-
Извещатели пожарные пламени взрывозащищенные
-
Комплектующие к пожарным извещателям
-
-
Извещатели пожарные линейные взрывозащищенные
-
Извещатели охранные взрывозащищенные
-
Извещатели аварийные взрывозащищенные
-
Оповещатели взрывозащищенные
-
Табло оповещения взрывозащищённое
-
Приборы приемно-контрольные и пульты управления взрывозащищенные
-
Адресные взрывозащищенные системы
-
Посты управления взрывозащищенные
-
Системы видеонаблюдения взрывозащищенные
-
Системы контроля доступа взрывозащищенные
-
Громкоговорители взрывозащищенные
-
Коробки коммутационные взрывозащищенные
-
Барьеры искрозащиты
-
Кабельные вводы взрывозащищенные
-
-
Источники вторичного электропитания
-
Расходные и монтажные материалы
-
Средства пожаротушения
-
Первичные средства пожаротушения
-
Порошковое пожаротушение
-
Водяное пожаротушение
-
Аэрозольное пожаротушение
-
Газовое пожаротушение
-
Автономные установки пожаротушения
-
Клапан сброса избыточного давления КСИД
-
Водопенное оборудование
-
Шкафы пожарные
-
Дымоудаление
-
Средства защиты и спасения
-
Знаки безопасности и плакаты
-
-
Сетевое оборудование