Чувствительность
0,05 - 0,2
Исполнение
С КМЧ
Количество светодиодов, шт.
1
Подключение
2-х, 4-ёх (через УС-02) проводное
Защищаемая площадь, кв.м
85
Инерционность срабатывания, с, не более
9
Цвет
Белый
Тестирование (проверка) работы
Встр. кнопкой
Возможность подключения неадресного оборудования
ВУОС (приоб)
Устойчивость к внешней засветке, лк
До 12000
Дополнительное оборудование
Есть: КМЧ; УС-01 и УС-02 (приоб)
Тип изделия
Извещатель дымовой двухпроводный
Тип установки
Накладной горизонт. и вертикаль.
Материал
Пластмасса
Комплектация
С базовым основанием (V2.04)
Рекомендованный кабель
С жилами от 0,2 до 0,5 кв.мм
Индикация
Световая
Характеристика работы
Срабат.: дискрет. уменьш. внутр. сопротивл. извещателя
Напряжение питания, В
DC (9 - 30)
Ток потребления. мА
0,045
Габаритные размеры
142х68,5
Разъем
Зажимы
Диапазон рабочих температур, °С
-45...+55
Степень защиты, IP
30
Масса, кг
0,25
Извещатель пожарный двухпроводной оптико-электронный
1 шт
- Главная
- Каталог
- Средства и системы охранно-пожарной сигнализации
- Извещатели пожарные
- Извещатели дымовые 2-х проводные
- Извещатель пожарный двухпроводной оптико-электронный ИП 212-45 для подвесного потолка
Извещатель пожарный двухпроводной оптико-электронный ИП 212-45 для подвесного потолка
| Количество | Ваша цена | Экономия |
|---|---|---|
| Опт от 72 шт. | 659.68 р./шт. | 35.34 р. |
| Запросить КП на крупный опт |
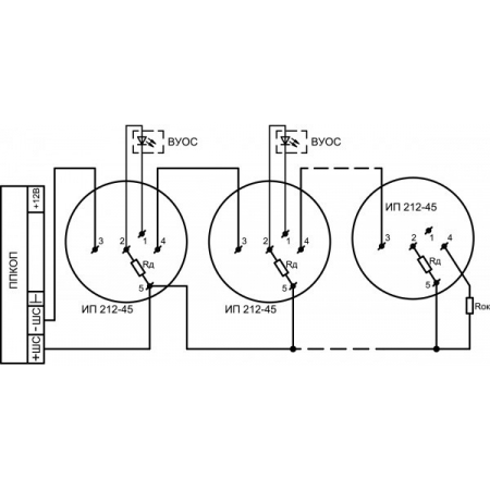
ИП 212-45 для подвесного потолка - точечный дымовой 2-ух проводный (4-х проводное подключение возможно только через отдельно приобретаемое устройство согласования: УС-02) оптикоэлектронный пожарный извещатель, токопотребляющий, восстанавливаемый (многократного действия), исполнение с КМЧ (базовое основание - V2.04) предназначен для обнаружения загораний, сопровождающихся появлением дыма, и передачи на ППКОП сигнала тревожного сообщения (Пожар) за счёт дискретного уменьшения внутреннего сопротивления извещателя.
ВУОС, УС-01 приобретаются отдельно.
Внимание!!! Дежурный режим извещателя индикацией ВУОС не дублируется.
Расчет необходимого количества извещателей в защищаемых помещениях производить в соответствии с СП 484.1311500.2020.
Срок службы изделия - 10 лет.
- ИП 212-45 ред.17 (Дым 2-х и 4-х провод 9-30в 45мкА Кн пров индик обычн+УС+КМЧ+ВУОС -45+55 IP30)
- ИП 212-45 (Табл номиналов Резисторов при подкл)
- 484.1311500.2020 (Свод правил противопож защиты) действ. с 01.03.2021г
- 485.1311500.2020 (Свод правил противопож защиты) действ. с 01.03.2021г
- 486.1311500.2020 (Свод правил противопож защиты) действ. с 01.03.2021г
Ввиду того, что изделие может быть модифицировано, сведения, представленные на данной странице (изображение, характеристики, документация и т.п.), могут отличаться от фактических особенностей товара. За дополнительной информацией обращайтесь в техническую поддержку.
-
Охранно-пожарная сигнализация
-
Адресные системы
-
Радиоканальные системы
-
Астра-Р (ТЕКО)
-
Астра-РИ (ТЕКО)
-
Астра-РИ-М (ТЕКО)
-
Астра-Прайм (ТЕКО)
-
Астра-Zитадель (ТЕКО)
-
Ладога-РК (Риэлта)
-
С2000Р (Болид)
-
ВЕКТОР-АР (Сибирский Арсенал)
-
ВЕТТА-2020 (Сибирский Арсенал)
-
ГРАНИТ-РК (Сибирский Арсенал)
-
Риф-Ринг-1 (Альтоника)
-
Риф-Ринг-2 (Альтоника)
-
Риф-Ринг-701 (Альтоника)
-
Риф-Ринг-200 (Альтоника)
-
Lonta Optima (Альтоника)
-
Lonta-202 (Альтоника)
-
ACS (GSN)
-
-
GSM системы
-
Приборы приемно-контрольные
-
Извещатели охранные для помещений
-
Извещатели магнитоконтактные
-
Извещатели тревожной сигнализации
-
Извещатели разбития стекла акустические
-
Извещатели разбития стекла ударноконтактные
-
Извещатели движения ультразвуковые
-
Извещатели движения инфракрасные объемные
-
Извещатели движения пассивные инфракрасные поверхностные (штора)
-
Извещатели движения пассивные инфракрасные линейные (коридор)
-
Извещатели движения пассивные инфракрасные потолочные
-
Извещатели движения комбинированные
-
Извещатели совмещенные
-
Извещатели вибрационные и емкостные
-
-
Извещатели охраны периметра
-
Извещатели охраны периметра линейные ИК-активные
-
Извещатели охраны периметра линейные радиоволновые для установки на открытых участках
-
Извещатели охраны периметра ИК-пассивные
-
Извещатели охраны периметра объемные радиоволновые
-
Извещатели охраны периметра комбинированные
-
Извещатели охраны периметра проводно-волновые
-
Извещатели охраны периметра вибрационные
-
-
Извещатели пожарные
-
Извещатели дымовые 2-х проводные
-
Извещатели дымовые 4-х проводные
-
Извещатели дымовые автономные
-
Извещатели дымовые линейные
-
Извещатели дымовые аспирационные
-
Извещатели тепловые максимальные (пороговые)
-
Извещатели тепловые максимально-дифференциальные
-
Извещатели линейные тепловые пожарные
-
Извещатели пламени
-
Извещатели ручные
-
Извещатели комбинированные
-
-
Извещатели аварийные
-
Оповещатели
-
Светильники и аварийное освещение
-
Системы активной защиты
-
Распродажа
-
-
Системы охранного телевидения
-
Системы контроля и управления доступом
-
Домофоны
-
IP-домофония
-
Идентификаторы
-
Кнопки выхода
-
Считыватели
-
Кодовые панели
-
Автономные устройства контроля доступа
-
Сетевые системы контроля доступа
-
Биометрический контроль доступа
-
Системы обратной и диспетчерской связи
-
Замки
-
Электрозащелки
-
Доводчики
-
Турникеты
-
Калитки
-
Ограждения
-
Шлагбаумы
-
Автоматика для ворот
-
Досмотровое оборудование
-
-
Системы оповещения
и управление эвакуацией-
СОУЭ Тромбон
-
СОУЭ Ария (Электротехника и Автоматика)
-
СОУЭ Соната (ВИСТЛ)
-
СОУЭ С (ИП Раченков)
-
СОУЭ МЕТА
-
СОУЭ Октава (Полисервис)
-
СОУЭ Рокот (Сибирский Арсенал)
-
СОУЭ РЕЧОР (РУССБЫТ)
-
СОУЭ РЕЧОР-АТ (АНТИТЕРРОР) (РУССБЫТ)
-
СОУЭ ПКИ-Р (СпецКомИнтегРо)
-
Системы оповещения о пожаре Asenware
-
СОУЭ ROXTON
-
Звуковое оборудование RORSYS
-
СОУЭ JDM
-
СОУЭ MKV
-
СОУЭ ZVON
-
СОУЭ INTER-М
-
-
Взрывозащищенное оборудование
-
Извещатели пожарные взрывозащищенные
-
Извещатели пожарные тепловые резервуарные
-
Извещатели пожарные тепловые точечные
-
Извещатели пожарные тепловые максимально-дифференциальные
-
Извещатели пожарные дымовые
-
Извещатели пожарные комбинированные
-
Извещатели пожарные ручные взрывозащищенные
-
Извещатели пожарные пламени взрывозащищенные
-
Комплектующие к пожарным извещателям
-
-
Извещатели пожарные линейные взрывозащищенные
-
Извещатели охранные взрывозащищенные
-
Извещатели аварийные взрывозащищенные
-
Оповещатели взрывозащищенные
-
Табло оповещения взрывозащищённое
-
Приборы приемно-контрольные и пульты управления взрывозащищенные
-
Адресные взрывозащищенные системы
-
Посты управления взрывозащищенные
-
Системы видеонаблюдения взрывозащищенные
-
Системы контроля доступа взрывозащищенные
-
Громкоговорители взрывозащищенные
-
Коробки коммутационные взрывозащищенные
-
Барьеры искрозащиты
-
Кабельные вводы взрывозащищенные
-
-
Источники вторичного электропитания
-
Расходные и монтажные материалы
-
Средства пожаротушения
-
Первичные средства пожаротушения
-
Порошковое пожаротушение
-
Водяное пожаротушение
-
Аэрозольное пожаротушение
-
Газовое пожаротушение
-
Автономные установки пожаротушения
-
Клапан сброса избыточного давления КСИД
-
Водопенное оборудование
-
Шкафы пожарные
-
Дымоудаление
-
Средства защиты и спасения
-
Знаки безопасности и плакаты
-
-
Сетевое оборудование