Максимальная дальность действия, м
6
Количество ШС
1 (охр)+1 (тампер вскрытия)
Угол обзора,град.
120 (гор.)/120 (верт.)
Тип контактов (НО НЗ)
1 (НЗ - тампер)
Реле выходы
1 (НЗ)
Время готовности к работе, с, не более
10
Ширина зоны обнаружения, не более, м
10,4
Максимально комутируемые напряжение/ток, В/А
100/0,15
Контактное сопротивление, Ом:
12 (контакты НЗ)
Количество светодиодов, шт.
2
Количество рабочих частотных каналов
2
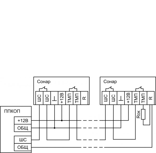
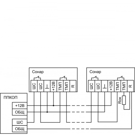
Подключение
7-и проводное
Управление прибором
DIP - переключателями (6 шт.) или перемычками, вручную
Цвет
Белый
Вид стекла
Все виды до 10 мм + стеклопакеты
Энергонезависимая память,
Есть
Крепление
Есть: крепёж. отверстия
Тип изделия
Извещатель акустический разрушения стекла
Тип установки
Накладной горизонт. и вертикаль.
Защищаемая площадь, кв.м
От 0,1
Высота установки, м
От 2 (рекоменуемая)
Материал
Пластик
Индикация
Световая
Напряжение питания, В
7 - 15
Ток потребления. мА
15
Диапазон рабочих температур, °С
-20...+50
Степень защиты, IP
40
Габаритные размеры, мм
90х57х34
Масса, кг
0,06
Извещатель охранный поверхностный звуковой
1 шт
- Главная
- Каталог
- Средства и системы охранно-пожарной сигнализации
- Извещатели охранные для помещений
- Извещатели разбития стекла акустические
- Извещатель охранный поверхностный звуковой ИО 329-17 Сонар
Извещатель охранный поверхностный звуковой ИО 329-17 Сонар
Артикул: 218687
1335 р./шт.
(с НДС)
0 р.
| Количество | Ваша цена | Экономия |
|---|---|---|
| Опт от 38 шт. | 1 220 р./шт. | 115 р. |
| Запросить КП на крупный опт |
Извещатель охранный поверхностный акустический (разбития стекла), встроенный тампер, дискретная регулировка чувствительности. Максимальная дальность обнаружения - 6 м.
Характеристики:
Производитель:
Сибирский Арсенал
Описание:
Сонар - извещатель охранный поверхностный звуковой предназначен для обнаружения в охраняемом закрытом пространстве разрушения остеклённых конструкций (в т. ч. стеклопакетов) и формирование извещения о тревоге путем размыкания (НЗ) выходных контактов сигнального реле.
Особенности:
- Извещатель может быть установлен на стене, потолке или на торце оконного проема.
- Дискретная регулировка чувствительности.
- В извещатель занесены калибровочные значения, позволяющие получить предсказуемую зависимость дальности обнаружения от установленной чувствительности.
- Два режима работы:
- для больших стекол (100х100 см и более);
- для небольших стекол (от 30х30 см до 100х100 см).
- Встроенный микропереключатель (тампер) для выдачи тревожного извещения при несанкционированном вскрытии корпуса извещателя.
- Визуальный контроль работы с помощью 2-ух световых индикаторов с возможностью их отключения.
- Отдельная клемма для подключения оконечного резистора.
- В извещателе применено оптоэлектронное реле для подключения в шлейф сигнализации.
Срок службы изделия - не менее 5 лет.
Техническая документация
Сертификаты
Ввиду того, что изделие может быть модифицировано, сведения, представленные на данной странице (изображение, характеристики, документация и т.п.), могут отличаться от фактических особенностей товара. За дополнительной информацией обращайтесь в техническую поддержку.
Каталог товаров
-
Охранно-пожарная сигнализация
-
Адресные системы
-
Радиоканальные системы
-
Астра-Р (ТЕКО)
-
Астра-РИ (ТЕКО)
-
Астра-РИ-М (ТЕКО)
-
Астра-Прайм (ТЕКО)
-
Астра-Zитадель (ТЕКО)
-
Ладога-РК (Риэлта)
-
С2000Р (Болид)
-
ВЕКТОР-АР (Сибирский Арсенал)
-
ВЕТТА-2020 (Сибирский Арсенал)
-
ГРАНИТ-РК (Сибирский Арсенал)
-
Риф-Ринг-1 (Альтоника)
-
Риф-Ринг-2 (Альтоника)
-
Риф-Ринг-701 (Альтоника)
-
Риф-Ринг-200 (Альтоника)
-
Lonta Optima (Альтоника)
-
Lonta-202 (Альтоника)
-
ACS (GSN)
-
-
GSM системы
-
Приборы приемно-контрольные
-
Извещатели охранные для помещений
-
Извещатели магнитоконтактные
-
Извещатели тревожной сигнализации
-
Извещатели разбития стекла акустические
-
Извещатели разбития стекла ударноконтактные
-
Извещатели движения ультразвуковые
-
Извещатели движения инфракрасные объемные
-
Извещатели движения пассивные инфракрасные поверхностные (штора)
-
Извещатели движения пассивные инфракрасные линейные (коридор)
-
Извещатели движения пассивные инфракрасные потолочные
-
Извещатели движения комбинированные
-
Извещатели совмещенные
-
Извещатели вибрационные и емкостные
-
-
Извещатели охраны периметра
-
Извещатели охраны периметра линейные ИК-активные
-
Извещатели охраны периметра линейные радиоволновые для установки на открытых участках
-
Извещатели охраны периметра ИК-пассивные
-
Извещатели охраны периметра объемные радиоволновые
-
Извещатели охраны периметра комбинированные
-
Извещатели охраны периметра проводно-волновые
-
Извещатели охраны периметра вибрационные
-
-
Извещатели пожарные
-
Извещатели дымовые 2-х проводные
-
Извещатели дымовые 4-х проводные
-
Извещатели дымовые автономные
-
Извещатели дымовые линейные
-
Извещатели дымовые аспирационные
-
Извещатели тепловые максимальные (пороговые)
-
Извещатели тепловые максимально-дифференциальные
-
Извещатели линейные тепловые пожарные
-
Извещатели пламени
-
Извещатели ручные
-
Извещатели комбинированные
-
-
Извещатели аварийные
-
Оповещатели
-
Светильники и аварийное освещение
-
Системы активной защиты
-
Распродажа
-
-
Системы охранного телевидения
-
Системы контроля и управления доступом
-
Домофоны
-
IP-домофония
-
Идентификаторы
-
Кнопки выхода
-
Считыватели
-
Кодовые панели
-
Автономные устройства контроля доступа
-
Сетевые системы контроля доступа
-
Биометрический контроль доступа
-
Системы обратной и диспетчерской связи
-
Замки
-
Электрозащелки
-
Доводчики
-
Турникеты
-
Калитки
-
Ограждения
-
Шлагбаумы
-
Автоматика для ворот
-
Досмотровое оборудование
-
-
Системы оповещения
и управление эвакуацией-
СОУЭ Тромбон
-
СОУЭ Ария (Электротехника и Автоматика)
-
СОУЭ Соната (ВИСТЛ)
-
СОУЭ С (ИП Раченков)
-
СОУЭ МЕТА
-
СОУЭ Октава (Полисервис)
-
СОУЭ Рокот (Сибирский Арсенал)
-
СОУЭ РЕЧОР (РУССБЫТ)
-
СОУЭ РЕЧОР-АТ (АНТИТЕРРОР) (РУССБЫТ)
-
СОУЭ ПКИ-Р (СпецКомИнтегРо)
-
Системы оповещения о пожаре Asenware
-
СОУЭ ROXTON
-
Звуковое оборудование RORSYS
-
СОУЭ JDM
-
СОУЭ MKV
-
СОУЭ ZVON
-
СОУЭ INTER-М
-
-
Взрывозащищенное оборудование
-
Извещатели пожарные взрывозащищенные
-
Извещатели пожарные тепловые резервуарные
-
Извещатели пожарные тепловые точечные
-
Извещатели пожарные тепловые максимально-дифференциальные
-
Извещатели пожарные дымовые
-
Извещатели пожарные комбинированные
-
Извещатели пожарные ручные взрывозащищенные
-
Извещатели пожарные пламени взрывозащищенные
-
Комплектующие к пожарным извещателям
-
-
Извещатели пожарные линейные взрывозащищенные
-
Извещатели охранные взрывозащищенные
-
Извещатели аварийные взрывозащищенные
-
Оповещатели взрывозащищенные
-
Табло оповещения взрывозащищённое
-
Приборы приемно-контрольные и пульты управления взрывозащищенные
-
Адресные взрывозащищенные системы
-
Посты управления взрывозащищенные
-
Системы видеонаблюдения взрывозащищенные
-
Системы контроля доступа взрывозащищенные
-
Громкоговорители взрывозащищенные
-
Коробки коммутационные взрывозащищенные
-
Барьеры искрозащиты
-
Кабельные вводы взрывозащищенные
-
-
Источники вторичного электропитания
-
Расходные и монтажные материалы
-
Средства пожаротушения
-
Первичные средства пожаротушения
-
Порошковое пожаротушение
-
Водяное пожаротушение
-
Аэрозольное пожаротушение
-
Газовое пожаротушение
-
Автономные установки пожаротушения
-
Клапан сброса избыточного давления КСИД
-
Водопенное оборудование
-
Шкафы пожарные
-
Дымоудаление
-
Средства защиты и спасения
-
Знаки безопасности и плакаты
-
-
Сетевое оборудование