Длина зоны обнаруженния (не более), м
5 - 250 (каждый фланг)
Количество ШС
2 (охр)+1 (тампер вскрытия)
Исполнение
Уличный, влагозащищённый, двухфланговый
Высота установки, м
1,8 (рекоменд)
Количество светодиодов, шт.
2
Тип контактов (НО НЗ)
2 (НЗ - контроль. сопротивл.)+1 (НЗ - тампер)
Нечувствительность к животным до, кг
20
Контактное сопротивление, Ом:
35 (контакты НЗ)
Максимально комутируемые напряжение/ток, В/А
38/0,01
Защита от статики,кВ
500
Материал
Алюминий; металл, окраш. порошков. методом
Управление прибором
Вручную, удалённо
Комплектация
Выбор по табл. в паспорте (указать в заказе)
Встроенная грозозащита
Да
Дополнительное оборудование
Есть: БПУ-НКС
Тип изделия
Извещатель проводно-волновой
Тип зоны обнаружения
Объемная
Рекомендованный кабель
П-274/275/276_(М)
Подключение
Проводное
Индикация
Световая
Цвет
Серебристый, светло-серый
Напряжение питания, В
20 - 36
Ток потребления. мА
60
Потребляемая мощность, Вт
0,7
Разъем
Клеммные зажимы
Диапазон рабочих температур, °С
-65…+85
Степень защиты, IP
67
Габаритные размеры, мм
180х100х65 (БПРМ); 180х100х65 (БПРД)
Масса, кг
0,75 (БПРМ); 0,7 (БПРД)
Извещатель охранный линейный проводно-волновой
1 шт
- Главная
- Каталог
- Средства и системы охранно-пожарной сигнализации
- Извещатели охраны периметра
- Извещатели охраны периметра проводно-волновые
- Извещатель охранный линейный проводно-волновой Импульс-мини 1/500НКС
Извещатель охранный линейный проводно-волновой Импульс-мини 1/500НКС
Артикул: 218942
76880 р./шт.
(с НДС)
0 р.
| Количество | Ваша цена | Экономия |
|---|---|---|
| Опт от 1 шт. | 67 650 р./шт. | 9 230 р. |
| Запросить КП на крупный опт |
Аналогичен Импульс-мини 1/500Н. Выполняет дополнительную функцию распредкоробки, грозозащита всех подключаемых линий.
Характеристики:
Производитель:
Омега-Микродизайн
Описание:
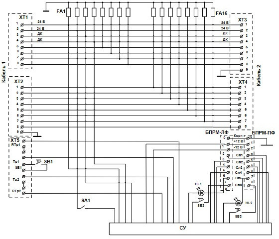
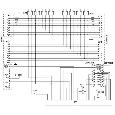
Импульс-мини 1/500НКС - извещатель двухфланговый охранный линейный проводно-волновой с двойным (НП - нижний провод и ВП - верхний провод) чувствительным элементом, БПУ-НКС (блоком подключения и управления) предназначен для обнаружения проникновения на открытые уличные площадки, а также в охраняемое закрытое пространство и формирование извещения о тревоге путем размыкания (2 НЗ) выходных 2-ух контактов контрольных сопротивлений.
Комплектация извещателя (указать в заказе) осуществляется в соответствии с таблицами в паспорте изделия.
Срок службы изделия - не менее 10 лет.
Техническая документация
Сертификаты
Ввиду того, что изделие может быть модифицировано, сведения, представленные на данной странице (изображение, характеристики, документация и т.п.), могут отличаться от фактических особенностей товара. За дополнительной информацией обращайтесь в техническую поддержку.
Каталог товаров
-
Охранно-пожарная сигнализация
-
Адресные системы
-
Радиоканальные системы
-
Астра-Р (ТЕКО)
-
Астра-РИ (ТЕКО)
-
Астра-РИ-М (ТЕКО)
-
Астра-Прайм (ТЕКО)
-
Астра-Zитадель (ТЕКО)
-
Ладога-РК (Риэлта)
-
С2000Р (Болид)
-
ВЕКТОР-АР (Сибирский Арсенал)
-
ВЕТТА-2020 (Сибирский Арсенал)
-
ГРАНИТ-РК (Сибирский Арсенал)
-
Риф-Ринг-1 (Альтоника)
-
Риф-Ринг-2 (Альтоника)
-
Риф-Ринг-701 (Альтоника)
-
Риф-Ринг-200 (Альтоника)
-
Lonta Optima (Альтоника)
-
Lonta-202 (Альтоника)
-
ACS (GSN)
-
-
GSM системы
-
Приборы приемно-контрольные
-
Извещатели охранные для помещений
-
Извещатели магнитоконтактные
-
Извещатели тревожной сигнализации
-
Извещатели разбития стекла акустические
-
Извещатели разбития стекла ударноконтактные
-
Извещатели движения ультразвуковые
-
Извещатели движения инфракрасные объемные
-
Извещатели движения пассивные инфракрасные поверхностные (штора)
-
Извещатели движения пассивные инфракрасные линейные (коридор)
-
Извещатели движения пассивные инфракрасные потолочные
-
Извещатели движения комбинированные
-
Извещатели совмещенные
-
Извещатели вибрационные и емкостные
-
-
Извещатели охраны периметра
-
Извещатели охраны периметра линейные ИК-активные
-
Извещатели охраны периметра линейные радиоволновые для установки на открытых участках
-
Извещатели охраны периметра ИК-пассивные
-
Извещатели охраны периметра объемные радиоволновые
-
Извещатели охраны периметра комбинированные
-
Извещатели охраны периметра проводно-волновые
-
Извещатели охраны периметра вибрационные
-
-
Извещатели пожарные
-
Извещатели дымовые 2-х проводные
-
Извещатели дымовые 4-х проводные
-
Извещатели дымовые автономные
-
Извещатели дымовые линейные
-
Извещатели дымовые аспирационные
-
Извещатели тепловые максимальные (пороговые)
-
Извещатели тепловые максимально-дифференциальные
-
Извещатели линейные тепловые пожарные
-
Извещатели пламени
-
Извещатели ручные
-
Извещатели комбинированные
-
-
Извещатели аварийные
-
Оповещатели
-
Светильники и аварийное освещение
-
Системы активной защиты
-
Распродажа
-
-
Системы охранного телевидения
-
Системы контроля и управления доступом
-
Домофоны
-
IP-домофония
-
Идентификаторы
-
Кнопки выхода
-
Считыватели
-
Кодовые панели
-
Автономные устройства контроля доступа
-
Сетевые системы контроля доступа
-
Биометрический контроль доступа
-
Системы обратной и диспетчерской связи
-
Замки
-
Электрозащелки
-
Доводчики
-
Турникеты
-
Калитки
-
Ограждения
-
Шлагбаумы
-
Автоматика для ворот
-
Досмотровое оборудование
-
-
Системы оповещения
и управление эвакуацией-
СОУЭ Тромбон
-
СОУЭ Ария (Электротехника и Автоматика)
-
СОУЭ Соната (ВИСТЛ)
-
СОУЭ С (ИП Раченков)
-
СОУЭ МЕТА
-
СОУЭ Октава (Полисервис)
-
СОУЭ Рокот (Сибирский Арсенал)
-
СОУЭ РЕЧОР (РУССБЫТ)
-
СОУЭ РЕЧОР-АТ (АНТИТЕРРОР) (РУССБЫТ)
-
СОУЭ ПКИ-Р (СпецКомИнтегРо)
-
Системы оповещения о пожаре Asenware
-
СОУЭ ROXTON
-
Звуковое оборудование RORSYS
-
СОУЭ JDM
-
СОУЭ MKV
-
СОУЭ ZVON
-
СОУЭ INTER-М
-
-
Взрывозащищенное оборудование
-
Извещатели пожарные взрывозащищенные
-
Извещатели пожарные тепловые резервуарные
-
Извещатели пожарные тепловые точечные
-
Извещатели пожарные тепловые максимально-дифференциальные
-
Извещатели пожарные дымовые
-
Извещатели пожарные комбинированные
-
Извещатели пожарные ручные взрывозащищенные
-
Извещатели пожарные пламени взрывозащищенные
-
Комплектующие к пожарным извещателям
-
-
Извещатели пожарные линейные взрывозащищенные
-
Извещатели охранные взрывозащищенные
-
Извещатели аварийные взрывозащищенные
-
Оповещатели взрывозащищенные
-
Табло оповещения взрывозащищённое
-
Приборы приемно-контрольные и пульты управления взрывозащищенные
-
Адресные взрывозащищенные системы
-
Посты управления взрывозащищенные
-
Системы видеонаблюдения взрывозащищенные
-
Системы контроля доступа взрывозащищенные
-
Громкоговорители взрывозащищенные
-
Коробки коммутационные взрывозащищенные
-
Барьеры искрозащиты
-
Кабельные вводы взрывозащищенные
-
-
Источники вторичного электропитания
-
Расходные и монтажные материалы
-
Средства пожаротушения
-
Первичные средства пожаротушения
-
Порошковое пожаротушение
-
Водяное пожаротушение
-
Аэрозольное пожаротушение
-
Газовое пожаротушение
-
Автономные установки пожаротушения
-
Клапан сброса избыточного давления КСИД
-
Водопенное оборудование
-
Шкафы пожарные
-
Дымоудаление
-
Средства защиты и спасения
-
Знаки безопасности и плакаты
-
-
Сетевое оборудование