Длина зоны обнаруженния (не более), м
15 (ИК и РВ)
Количество ШС
2 (охр)+1 (тампер вскрытия)
Угол обзора,град.
90 (гор.)/90 (верт.)
Исполнение
Уличный, влагозащищённый, с функцией маскирования
Скорость обнаруживаемого объекта, м/с
0,1 - 10
Количество рабочих частотных каналов
1
Тип контактов (НО НЗ)
1 (НЗ - тампер)
Реле выходы
1 (НО) + 1 (НЗ)
Высота установки, м
1,8 - 2.4
Контактное сопротивление, Ом:
10 (контакты НЗ)
Нечувствительность к животным до, кг
15 или 36 (регулир. съёмным фильтром)
Высота зоны обнаружения, не более, м
2,4 (ИК и РВ)
Устойчивость к внешней засветке, лк
20000
Ширина зоны обнаружения, не более, м
21
Рабочая частота
24,125 ГГц
Максимально комутируемые напряжение/ток, В/А
28/0,1
Количество светодиодов, шт.
3
Время готовности к работе, с, не более
30
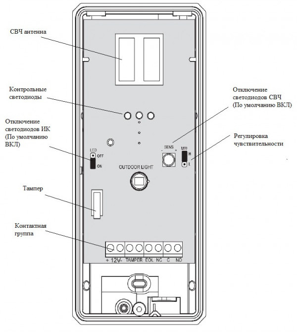
Управление прибором
Вручную, перемычками, регулятором
Встроенная грозозащита
Да
Крепление
Есть: крепёжные отв.; кронштейн (приоб)
Тип изделия
Извещатель уличный периметровый охранный объёмный комбинированный (инфракрасный+радиоволновый) однопозиционный
по исполнению ввода
На 1-ин кабельный ввод
Регулировка чувствительности
Настраиваемая
Подключение
Проводное
Индикация
Световая
Тестирование (проверка) работы
Тест - проход
Порог срабатывания
Человек (от 50 кг и рост - от 165 см)
Напряжение питания, В
9,6 - 16
Ток потребления. мА
24
Разъем
Клеммы
Диапазон рабочих температур, °С
-35...+55
Степень защиты, IP
65
Габаритные размеры, мм
175х70х45 (приёмопередатчик)
Масса, кг
0,21
EDS-2000 (Crow)
Артикул: 218261
По запросу
Данный товар находится в архиве!
Возможность поставки уточняйте у менеджера!!
Детектор уличный установки комбинированный ИК + СВЧ, для работы в тяжелых погодных условиях и игнорирующий животных до 36 кг (опционально). НЗ и НР контакты на выходе, свободная установка по высоте от 1.8 до 2.4 м, Регулировка чувствительности ИК канала, Регулировка СВЧ-каналаТермокомпенсация, Микропроцессорная обработка сигнала, Двойная тамперная защита, Полностью герметичный корпус, Дальность детекции до 15 метров
Характеристики:
Производитель:
Crow
Описание:
EDS-2000 (Crow) - извещатель охранный объёмный радиоволновый однопозиционный в составе блока - приёмопередатчика, комбинированный: оптико-электронный (ИК) активный и радиоволновый (РВ) предназначен для обнаружения проникновения через периметр (зону открытого пространства) охраняемого объекта и формирование извещения о тревоге путем размыкания/замыкания (1 НЗ/1НО) выходных 2-ух контактов оптоэлектронных реле.
Особенности:
- отсутствие реакции на перемещение животных весом до 15 или 36 кг (регулируется съёмным фильтром);
- объёмная зона обнаружения;
- антисаботажная зона отсутствует;
- микропроцессорный анализ сигнала;
- возможность отключения индикации (маскирование);
- регулировка обнаружительной способности;
- наличие контроля вскрытия блока;
- устойчивость к внешней засветке - до 20000 лк;
- тестовый режим на проход;
- температурная компенсация;
- установка на стене, в углу, а также на кронштейне (приобретается отдельно).
Срок службы изделия - не менее 8 лет.
Техническая документация
Ввиду того, что изделие может быть модифицировано, сведения, представленные на данной странице (изображение, характеристики, документация и т.п.), могут отличаться от фактических особенностей товара. За дополнительной информацией обращайтесь в техническую поддержку.
Каталог товаров
-
Охранно-пожарная сигнализация
-
Адресные системы
-
Радиоканальные системы
-
Астра-Р (ТЕКО)
-
Астра-РИ (ТЕКО)
-
Астра-РИ-М (ТЕКО)
-
Астра-Прайм (ТЕКО)
-
Астра-Zитадель (ТЕКО)
-
Ладога-РК (Риэлта)
-
С2000Р (Болид)
-
ВЕКТОР-АР (Сибирский Арсенал)
-
ВЕТТА-2020 (Сибирский Арсенал)
-
ГРАНИТ-РК (Сибирский Арсенал)
-
Риф-Ринг-1 (Альтоника)
-
Риф-Ринг-2 (Альтоника)
-
Риф-Ринг-701 (Альтоника)
-
Риф-Ринг-200 (Альтоника)
-
Lonta Optima (Альтоника)
-
Lonta-202 (Альтоника)
-
ACS (GSN)
-
-
GSM системы
-
Приборы приемно-контрольные
-
Извещатели охранные для помещений
-
Извещатели магнитоконтактные
-
Извещатели тревожной сигнализации
-
Извещатели разбития стекла акустические
-
Извещатели разбития стекла ударноконтактные
-
Извещатели движения ультразвуковые
-
Извещатели движения инфракрасные объемные
-
Извещатели движения пассивные инфракрасные поверхностные (штора)
-
Извещатели движения пассивные инфракрасные линейные (коридор)
-
Извещатели движения пассивные инфракрасные потолочные
-
Извещатели движения комбинированные
-
Извещатели совмещенные
-
Извещатели вибрационные и емкостные
-
-
Извещатели охраны периметра
-
Извещатели охраны периметра линейные ИК-активные
-
Извещатели охраны периметра линейные радиоволновые для установки на открытых участках
-
Извещатели охраны периметра ИК-пассивные
-
Извещатели охраны периметра объемные радиоволновые
-
Извещатели охраны периметра комбинированные
-
Извещатели охраны периметра проводно-волновые
-
Извещатели охраны периметра вибрационные
-
-
Извещатели пожарные
-
Извещатели дымовые 2-х проводные
-
Извещатели дымовые 4-х проводные
-
Извещатели дымовые автономные
-
Извещатели дымовые линейные
-
Извещатели дымовые аспирационные
-
Извещатели тепловые максимальные (пороговые)
-
Извещатели тепловые максимально-дифференциальные
-
Извещатели линейные тепловые пожарные
-
Извещатели пламени
-
Извещатели ручные
-
Извещатели комбинированные
-
-
Извещатели аварийные
-
Оповещатели
-
Светильники и аварийное освещение
-
Системы активной защиты
-
Распродажа
-
-
Системы охранного телевидения
-
Системы контроля и управления доступом
-
Домофоны
-
IP-домофония
-
Идентификаторы
-
Кнопки выхода
-
Считыватели
-
Кодовые панели
-
Автономные устройства контроля доступа
-
Сетевые системы контроля доступа
-
Биометрический контроль доступа
-
Системы обратной и диспетчерской связи
-
Замки
-
Электрозащелки
-
Доводчики
-
Турникеты
-
Калитки
-
Ограждения
-
Шлагбаумы
-
Автоматика для ворот
-
Досмотровое оборудование
-
-
Системы оповещения
и управление эвакуацией-
СОУЭ Тромбон
-
СОУЭ Ария (Электротехника и Автоматика)
-
СОУЭ Соната (ВИСТЛ)
-
СОУЭ С (ИП Раченков)
-
СОУЭ МЕТА
-
СОУЭ Октава (Полисервис)
-
СОУЭ Рокот (Сибирский Арсенал)
-
СОУЭ РЕЧОР (РУССБЫТ)
-
СОУЭ РЕЧОР-АТ (АНТИТЕРРОР) (РУССБЫТ)
-
СОУЭ ПКИ-Р (СпецКомИнтегРо)
-
Системы оповещения о пожаре Asenware
-
СОУЭ ROXTON
-
Звуковое оборудование RORSYS
-
СОУЭ JDM
-
СОУЭ MKV
-
СОУЭ ZVON
-
СОУЭ INTER-М
-
-
Взрывозащищенное оборудование
-
Извещатели пожарные взрывозащищенные
-
Извещатели пожарные тепловые резервуарные
-
Извещатели пожарные тепловые точечные
-
Извещатели пожарные тепловые максимально-дифференциальные
-
Извещатели пожарные дымовые
-
Извещатели пожарные комбинированные
-
Извещатели пожарные ручные взрывозащищенные
-
Извещатели пожарные пламени взрывозащищенные
-
Комплектующие к пожарным извещателям
-
-
Извещатели пожарные линейные взрывозащищенные
-
Извещатели охранные взрывозащищенные
-
Извещатели аварийные взрывозащищенные
-
Оповещатели взрывозащищенные
-
Табло оповещения взрывозащищённое
-
Приборы приемно-контрольные и пульты управления взрывозащищенные
-
Адресные взрывозащищенные системы
-
Посты управления взрывозащищенные
-
Системы видеонаблюдения взрывозащищенные
-
Системы контроля доступа взрывозащищенные
-
Громкоговорители взрывозащищенные
-
Коробки коммутационные взрывозащищенные
-
Барьеры искрозащиты
-
Кабельные вводы взрывозащищенные
-
-
Источники вторичного электропитания
-
Расходные и монтажные материалы
-
Средства пожаротушения
-
Первичные средства пожаротушения
-
Порошковое пожаротушение
-
Водяное пожаротушение
-
Аэрозольное пожаротушение
-
Газовое пожаротушение
-
Автономные установки пожаротушения
-
Клапан сброса избыточного давления КСИД
-
Водопенное оборудование
-
Шкафы пожарные
-
Дымоудаление
-
Средства защиты и спасения
-
Знаки безопасности и плакаты
-
-
Сетевое оборудование