Исполнение
Накладной, на любой материал
Контактное сопротивление, Ом:
0,5
Подключение
2-х проводное
Длина кабеля, м
2х1 (другая - под заказ)
Расстояние отпускания, мм
55 и менее - металл/75 и менее - не металл
Максимально комутируемые напряжение/ток, В/А
72/0,5
Расстояние срабатывания, мм
85 и более - металл/115 и более - не металл
Мощность нагрузки,Вт
До 10
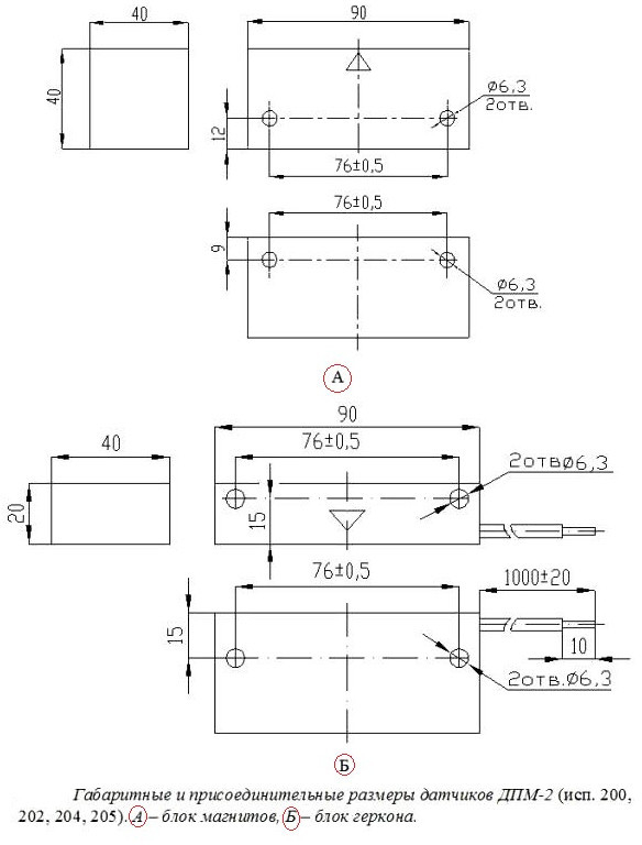
Допуск соосности извещателя и магнитного геркона, мм
До 10
Тип изделия
Извещатель магнитоконтактный
Защитная оболочка выводов, проводов
Металлический гофрошланг (0,9м)
Материал
Нерж.сталь
Тип контактов (НО НЗ)
НО
Цвет
Серебристый
Разъем
Вывод кабеля
Диапазон рабочих температур, °С
-50...+50
Степень защиты, IP
68
Габаритные размеры, мм
90х40х20 (геркон), 90х40х40 (магнит)
Масса, кг
0,3 (геркон)+0,65 (магнит)
Извещатель охранный магнитоконтактный
1 шт
- Главная
- Каталог
- Средства и системы охранно-пожарной сигнализации
- Извещатели охранные для помещений
- Извещатели магнитоконтактные
- Извещатель охранный магнитоконтактный ДПМ-2 исп. 204
Извещатель охранный магнитоконтактный ДПМ-2 исп. 204
Артикул: 219147
13038.10 р./шт.
(с НДС)
0 р.
Датчик металлический, на металл, накладной, НР, раст. сраб. 55 мм , U комут. – 0,02-72 В, I коммут. - 0.01-0.5 А, P коммут. не более 10 Вт, IP 68 , металлорукав 1000 мм
Характеристики:
Производитель:
Магнито-контакт
Описание:
ДПМ-2 исп. 204 "Нержавейка" - извещатель накладной охранный точечный магнитоконтактный с нормально-открытого типа (НО) контактами, в корпусе из нержавеющей стали и серебристого цвета, с проводным выводом кабеля ПВС 2х0,75 и длиной (1м; другая - под заказ) в металлическом гофрорукаве предназначен для блокировки гаражных ворот, ангаров, железнодорожных контейнеров, телефонных шкафов и других конструктивных магнитопроводящих (металлических) и магнитонепроводящих (алюминиевых, деревянных и т.д.) элементов зданий и сооружений на открывание и смещение с выдачей в шлейф приёмно-контрольного прибора извещения о тревоге путем размыкания контактов геркона.
Срок службы извещателя - не менее 8 лет.
Техническая документация
- ДПМ-2 разн (магнит наклад извещ на любой НО и НЗ 72В 10Вт -50+50 IP55_68) паспорт 2019г
- ДПМ-2 разн (магнит наклад извещ на любой НО и НЗ 72В 10Вт -50+50 IP55_68) паспорт 2018г
Сертификаты
Ввиду того, что изделие может быть модифицировано, сведения, представленные на данной странице (изображение, характеристики, документация и т.п.), могут отличаться от фактических особенностей товара. За дополнительной информацией обращайтесь в техническую поддержку.
Каталог товаров
-
Охранно-пожарная сигнализация
-
Адресные системы
-
Радиоканальные системы
-
Астра-Р (ТЕКО)
-
Астра-РИ (ТЕКО)
-
Астра-РИ-М (ТЕКО)
-
Астра-Прайм (ТЕКО)
-
Астра-Zитадель (ТЕКО)
-
Ладога-РК (Риэлта)
-
С2000Р (Болид)
-
ВЕКТОР-АР (Сибирский Арсенал)
-
ВЕТТА-2020 (Сибирский Арсенал)
-
ГРАНИТ-РК (Сибирский Арсенал)
-
Риф-Ринг-1 (Альтоника)
-
Риф-Ринг-2 (Альтоника)
-
Риф-Ринг-701 (Альтоника)
-
Риф-Ринг-200 (Альтоника)
-
Lonta Optima (Альтоника)
-
Lonta-202 (Альтоника)
-
ACS (GSN)
-
-
GSM системы
-
Приборы приемно-контрольные
-
Извещатели охранные для помещений
-
Извещатели магнитоконтактные
-
Извещатели тревожной сигнализации
-
Извещатели разбития стекла акустические
-
Извещатели разбития стекла ударноконтактные
-
Извещатели движения ультразвуковые
-
Извещатели движения инфракрасные объемные
-
Извещатели движения пассивные инфракрасные поверхностные (штора)
-
Извещатели движения пассивные инфракрасные линейные (коридор)
-
Извещатели движения пассивные инфракрасные потолочные
-
Извещатели движения комбинированные
-
Извещатели совмещенные
-
Извещатели вибрационные и емкостные
-
-
Извещатели охраны периметра
-
Извещатели охраны периметра линейные ИК-активные
-
Извещатели охраны периметра линейные радиоволновые для установки на открытых участках
-
Извещатели охраны периметра ИК-пассивные
-
Извещатели охраны периметра объемные радиоволновые
-
Извещатели охраны периметра комбинированные
-
Извещатели охраны периметра проводно-волновые
-
Извещатели охраны периметра вибрационные
-
-
Извещатели пожарные
-
Извещатели дымовые 2-х проводные
-
Извещатели дымовые 4-х проводные
-
Извещатели дымовые автономные
-
Извещатели дымовые линейные
-
Извещатели дымовые аспирационные
-
Извещатели тепловые максимальные (пороговые)
-
Извещатели тепловые максимально-дифференциальные
-
Извещатели линейные тепловые пожарные
-
Извещатели пламени
-
Извещатели ручные
-
Извещатели комбинированные
-
-
Извещатели аварийные
-
Оповещатели
-
Светильники и аварийное освещение
-
Системы активной защиты
-
Распродажа
-
-
Системы охранного телевидения
-
Системы контроля и управления доступом
-
Домофоны
-
IP-домофония
-
Идентификаторы
-
Кнопки выхода
-
Считыватели
-
Кодовые панели
-
Автономные устройства контроля доступа
-
Сетевые системы контроля доступа
-
Биометрический контроль доступа
-
Системы обратной и диспетчерской связи
-
Замки
-
Электрозащелки
-
Доводчики
-
Турникеты
-
Калитки
-
Ограждения
-
Шлагбаумы
-
Автоматика для ворот
-
Досмотровое оборудование
-
-
Системы оповещения
и управление эвакуацией-
СОУЭ Тромбон
-
СОУЭ Ария (Электротехника и Автоматика)
-
СОУЭ Соната (ВИСТЛ)
-
СОУЭ С (ИП Раченков)
-
СОУЭ МЕТА
-
СОУЭ Октава (Полисервис)
-
СОУЭ Рокот (Сибирский Арсенал)
-
СОУЭ РЕЧОР (РУССБЫТ)
-
СОУЭ РЕЧОР-АТ (АНТИТЕРРОР) (РУССБЫТ)
-
СОУЭ ПКИ-Р (СпецКомИнтегРо)
-
Системы оповещения о пожаре Asenware
-
СОУЭ ROXTON
-
Звуковое оборудование RORSYS
-
СОУЭ JDM
-
СОУЭ MKV
-
СОУЭ ZVON
-
СОУЭ INTER-М
-
-
Взрывозащищенное оборудование
-
Извещатели пожарные взрывозащищенные
-
Извещатели пожарные тепловые резервуарные
-
Извещатели пожарные тепловые точечные
-
Извещатели пожарные тепловые максимально-дифференциальные
-
Извещатели пожарные дымовые
-
Извещатели пожарные комбинированные
-
Извещатели пожарные ручные взрывозащищенные
-
Извещатели пожарные пламени взрывозащищенные
-
Комплектующие к пожарным извещателям
-
-
Извещатели пожарные линейные взрывозащищенные
-
Извещатели охранные взрывозащищенные
-
Извещатели аварийные взрывозащищенные
-
Оповещатели взрывозащищенные
-
Табло оповещения взрывозащищённое
-
Приборы приемно-контрольные и пульты управления взрывозащищенные
-
Адресные взрывозащищенные системы
-
Посты управления взрывозащищенные
-
Системы видеонаблюдения взрывозащищенные
-
Системы контроля доступа взрывозащищенные
-
Громкоговорители взрывозащищенные
-
Коробки коммутационные взрывозащищенные
-
Барьеры искрозащиты
-
Кабельные вводы взрывозащищенные
-
-
Источники вторичного электропитания
-
Расходные и монтажные материалы
-
Средства пожаротушения
-
Первичные средства пожаротушения
-
Порошковое пожаротушение
-
Водяное пожаротушение
-
Аэрозольное пожаротушение
-
Газовое пожаротушение
-
Автономные установки пожаротушения
-
Клапан сброса избыточного давления КСИД
-
Водопенное оборудование
-
Шкафы пожарные
-
Дымоудаление
-
Средства защиты и спасения
-
Знаки безопасности и плакаты
-
-
Сетевое оборудование