Количество подключаемых вызывных панелей /трубок
2/0
Дисплей
4" TFT LCD
Количество светодиодов, шт.
2
Количество подключаемых камер
2 (вместо вызывных панелей)
Подключение
4-х проводное
Количество клавиш управления
6
Система
PAL/NTSC
Цвет
Белый
Клавиатура (или регистратор)
Механические кнопки
Тип изделия
Монитор видеодомофона
Тип установки
Накладной
Материал
Пластик
Индикация
Световая и звуковая
Тип монитора
Цветной
Напряжение питания, В
160 - 242
Потребляемая мощность, Вт
18
Диапазон рабочих температур, °С
+5...+40
Степень защиты, IP
20
Габаритные размеры, мм
225х205х75
Масса, кг
1,3
ЦИФРАЛ ВМ-3020
Артикул: 210251
По запросу
Данный товар находится в архиве!
Возможность поставки уточняйте у менеджера!!
Видеомонитор с цветной TFT-матрицей, размер изображения 4 , 2 видеоканала, электронная регулировка, мощность 15 Вт. Подключение может производиться на установленном на стене видеомониторе.
Характеристики:
Производитель:
Цифрал
Описание:
ЦИФРАЛ ВМ-3020 - новый цветной 4 дюйма с трубкой домофон обеспечивает функции наблюдения за посетителями, переговоров и открытия замков (до 2шт.), с энергонезависимой памятью на 250 кадров.
Домофон имеет яркое и четкое цветное изображение, а также отличное качество звука в режиме громкой связи.
Особенности:
- возможность подключения 2 камер или 2 вызывных панелей любого стандарта - определяется автоматически;
- небольшой корпус и универсальный дизайн подходящий под любой интерьер;
- регулировка: громкость, контраст, яркость, цвет;
- имеет управление электрозамками (до 2шт.);
- подключение к координатной и цифровой домофонной линии сторонних производителей через блок сопряжения.
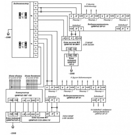
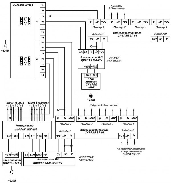
Подключение монитора к подъездному домофону сторонних производителей происходит с помощью блока сопряжения:
- MC-VZ, МСК, МСК СЛИМ, ЦИФРАЛ АВМ-01 или (02), LSV – к координатным системам домофонов (Vizit, Cyfral, Элтис и аналоги);
- MC-XL, МСЦ – к цифровым системам домофонов (Raikman, Proel, Keyman, Laskomex и аналоги);
- DK 103P, DK 103M, DMX 100A - к различным IP-домофонным системам.
ВНИМАНИЕ!!! Домофон запитывается от сети переменного тока, напряжением 160 - 242 Вольт и имеет встроенный преобразователь напряжения.
Включать в сеть разрешается только после завершения всех электрических соединений.
Требования к линиям связи:
- 4-х проводный неэкранированный или экранированный (при совместной прокладке с силовыми кабелями свыше 380В) кабель.
- Длина кабеля между вызывной панелью и монитором видеодомофона в зависимости от сечения кабеля:
- длина до 28 м (4x0,5 мм);
- длина до 50 м (4x0,75 мм);
- длина до 80 м (4x1,0 мм).
Техническая документация
Сертификаты
Ввиду того, что изделие может быть модифицировано, сведения, представленные на данной странице (изображение, характеристики, документация и т.п.), могут отличаться от фактических особенностей товара. За дополнительной информацией обращайтесь в техническую поддержку.
Каталог товаров
-
Охранно-пожарная сигнализация
-
Адресные системы
-
Радиоканальные системы
-
Астра-Р (ТЕКО)
-
Астра-РИ (ТЕКО)
-
Астра-РИ-М (ТЕКО)
-
Астра-Прайм (ТЕКО)
-
Астра-Zитадель (ТЕКО)
-
Ладога-РК (Риэлта)
-
С2000Р (Болид)
-
ВЕКТОР-АР (Сибирский Арсенал)
-
ВЕТТА-2020 (Сибирский Арсенал)
-
ГРАНИТ-РК (Сибирский Арсенал)
-
Риф-Ринг-1 (Альтоника)
-
Риф-Ринг-2 (Альтоника)
-
Риф-Ринг-701 (Альтоника)
-
Риф-Ринг-200 (Альтоника)
-
Lonta Optima (Альтоника)
-
Lonta-202 (Альтоника)
-
ACS (GSN)
-
-
GSM системы
-
Приборы приемно-контрольные
-
Извещатели охранные для помещений
-
Извещатели магнитоконтактные
-
Извещатели тревожной сигнализации
-
Извещатели разбития стекла акустические
-
Извещатели разбития стекла ударноконтактные
-
Извещатели движения ультразвуковые
-
Извещатели движения инфракрасные объемные
-
Извещатели движения пассивные инфракрасные поверхностные (штора)
-
Извещатели движения пассивные инфракрасные линейные (коридор)
-
Извещатели движения пассивные инфракрасные потолочные
-
Извещатели движения комбинированные
-
Извещатели совмещенные
-
Извещатели вибрационные и емкостные
-
-
Извещатели охраны периметра
-
Извещатели охраны периметра линейные ИК-активные
-
Извещатели охраны периметра линейные радиоволновые для установки на открытых участках
-
Извещатели охраны периметра ИК-пассивные
-
Извещатели охраны периметра объемные радиоволновые
-
Извещатели охраны периметра комбинированные
-
Извещатели охраны периметра проводно-волновые
-
Извещатели охраны периметра вибрационные
-
-
Извещатели пожарные
-
Извещатели дымовые 2-х проводные
-
Извещатели дымовые 4-х проводные
-
Извещатели дымовые автономные
-
Извещатели дымовые линейные
-
Извещатели дымовые аспирационные
-
Извещатели тепловые максимальные (пороговые)
-
Извещатели тепловые максимально-дифференциальные
-
Извещатели линейные тепловые пожарные
-
Извещатели пламени
-
Извещатели ручные
-
Извещатели комбинированные
-
-
Извещатели аварийные
-
Оповещатели
-
Светильники и аварийное освещение
-
Системы активной защиты
-
Распродажа
-
-
Системы охранного телевидения
-
Системы контроля и управления доступом
-
Домофоны
-
IP-домофония
-
Идентификаторы
-
Кнопки выхода
-
Считыватели
-
Кодовые панели
-
Автономные устройства контроля доступа
-
Сетевые системы контроля доступа
-
Биометрический контроль доступа
-
Системы обратной и диспетчерской связи
-
Замки
-
Электрозащелки
-
Доводчики
-
Турникеты
-
Калитки
-
Ограждения
-
Шлагбаумы
-
Автоматика для ворот
-
Досмотровое оборудование
-
-
Системы оповещения
и управление эвакуацией-
СОУЭ Тромбон
-
СОУЭ Ария (Электротехника и Автоматика)
-
СОУЭ Соната (ВИСТЛ)
-
СОУЭ С (ИП Раченков)
-
СОУЭ МЕТА
-
СОУЭ Октава (Полисервис)
-
СОУЭ Рокот (Сибирский Арсенал)
-
СОУЭ РЕЧОР (РУССБЫТ)
-
СОУЭ РЕЧОР-АТ (АНТИТЕРРОР) (РУССБЫТ)
-
СОУЭ ПКИ-Р (СпецКомИнтегРо)
-
Системы оповещения о пожаре Asenware
-
СОУЭ ROXTON
-
Звуковое оборудование RORSYS
-
СОУЭ JDM
-
СОУЭ MKV
-
СОУЭ ZVON
-
СОУЭ INTER-М
-
-
Взрывозащищенное оборудование
-
Извещатели пожарные взрывозащищенные
-
Извещатели пожарные тепловые резервуарные
-
Извещатели пожарные тепловые точечные
-
Извещатели пожарные тепловые максимально-дифференциальные
-
Извещатели пожарные дымовые
-
Извещатели пожарные комбинированные
-
Извещатели пожарные ручные взрывозащищенные
-
Извещатели пожарные пламени взрывозащищенные
-
Комплектующие к пожарным извещателям
-
-
Извещатели пожарные линейные взрывозащищенные
-
Извещатели охранные взрывозащищенные
-
Извещатели аварийные взрывозащищенные
-
Оповещатели взрывозащищенные
-
Табло оповещения взрывозащищённое
-
Приборы приемно-контрольные и пульты управления взрывозащищенные
-
Адресные взрывозащищенные системы
-
Посты управления взрывозащищенные
-
Системы видеонаблюдения взрывозащищенные
-
Системы контроля доступа взрывозащищенные
-
Громкоговорители взрывозащищенные
-
Коробки коммутационные взрывозащищенные
-
Барьеры искрозащиты
-
Кабельные вводы взрывозащищенные
-
-
Источники вторичного электропитания
-
Расходные и монтажные материалы
-
Средства пожаротушения
-
Первичные средства пожаротушения
-
Порошковое пожаротушение
-
Водяное пожаротушение
-
Аэрозольное пожаротушение
-
Газовое пожаротушение
-
Автономные установки пожаротушения
-
Клапан сброса избыточного давления КСИД
-
Водопенное оборудование
-
Шкафы пожарные
-
Дымоудаление
-
Средства защиты и спасения
-
Знаки безопасности и плакаты
-
-
Сетевое оборудование