Исполнение
Стационарный, от электрозапуска
Масса заряда, кГ
0,47
Время действия, сек, не более
0,5
Коэффициент вероятности безотказной работы, не менее
0,95
Защищаемая площадь, кв.м
1 (А. В)
Защищаемый объем,м3
2 (А. В)
Время срабатывания, сек, не более
5
Безопасный ток проверки электропуска, мА, не более
50
Классы тушимых пожаров
A,B,C, Е
Высота установки, м
До 2,5
Крепление
Есть: крепеж. лапки
Тип изделия
Модуль порошкового пожаротушения
Тип установки
Накладной горизонт. и вертикаль.
Порог срабатывания
Не менее 0,2 А
Диапазон рабочих температур, °С
-50...+50
Степень защиты, IP
67
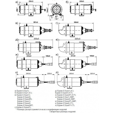
Габаритные размеры, мм
287х118х104
Масса, кг
1,6
Модуль порошкового пожаротушения
1 шт
- Главная
- Каталог
- Оборудование пожаротушения
- Порошковое пожаротушение
- Модули порошкового пожаротушения Буран и ОСП
- Модуль порошкового пожаротушения Буран-0,5 ШМ1
Модуль порошкового пожаротушения Буран-0,5 ШМ1
Буран-0,5 ШМ1 - модуль импульсного порошкового пожаротушения в нормальном исполнении с температурным диапазоном эксплуатации (от -50 до +50°С), без режима самозапуска (при достижении определённой температуры срабатывания) - только электрозапуск предназначен для автоматического подавления очагов пожара классов А (твердых веществ), В (жидких веществ), С (газообразных веществ) и Е (электрооборудования, находящегося под напряжением без учёта параметра пробивного напряжения огнетушащего порошка).
МПП через встроенное крепление устанавливается на вертикальную и горизонтальную поверхности.
Высота установки модуля до 2,5м.
Модуль подлежит обязательному заземлению.
Данный МПП рекомендуется для тушения очагов пожара стационарных объектов: электрощитов и электрошкафов, для защиты кабельных каналов и колодцев, электроустановок (кроме транспорта), межпотолочных и межполовых пространств, фальшполов, складских ячеек.
Указанный модуль является универсальным и недорогим средством порошкового пожаротушения, обеспечивает подавление очагов пожара на ранней стадии возгорания.
Срок службы модуля не менее 10 лет.
Подлежит утилизации (после срабатывания или истечения срока службы).
Важным преимуществом является то, что противопожарный модуль может эксплуатироваться без человеческого вмешательства, что обеспечивает дополнительную безопасность и позволяет сохранить жизни и здоровье людей.
Кроме того, МПП позволяет мгновенно потушить пожар, сохраняя ваше имущество, здоровье и жизнь.
МПП приводится в действие от импульса тока, который может вырабатываться:
- приборами приемно-контрольными охранно-пожарными (ППКОП);
- пусковыми устройствами автоматического пожаротушения таких как: Гранд Магистр ПУ, С2000-АСПТ, ВЭРС ПУ.
- кнопкой ручного пуска;
- электронными узлами запуска таких как: сигнально-пусковые устройства УСПАА-1..., УСП-101..., которые позволяют своевременно определить точку возгорания, благодаря встроенным датчикам и оптическим детекторам.
Последним, но одним из важнейших преимуществ является относительная дешевизна покупки и установки МПП.
Расчет необходимого количества модулей в защищаемых помещениях производить в соответствии с разделом 9 СП 5.13130.2009.
Ввиду того, что изделие может быть модифицировано, сведения, представленные на данной странице (изображение, характеристики, документация и т.п.), могут отличаться от фактических особенностей товара. За дополнительной информацией обращайтесь в техническую поддержку.
-
Охранно-пожарная сигнализация
-
Адресные системы
-
Радиоканальные системы
-
Астра-Р (ТЕКО)
-
Астра-РИ (ТЕКО)
-
Астра-РИ-М (ТЕКО)
-
Астра-Прайм (ТЕКО)
-
Астра-Zитадель (ТЕКО)
-
Ладога-РК (Риэлта)
-
С2000Р (Болид)
-
ВЕКТОР-АР (Сибирский Арсенал)
-
ВЕТТА-2020 (Сибирский Арсенал)
-
ГРАНИТ-РК (Сибирский Арсенал)
-
Риф-Ринг-1 (Альтоника)
-
Риф-Ринг-2 (Альтоника)
-
Риф-Ринг-701 (Альтоника)
-
Риф-Ринг-200 (Альтоника)
-
Lonta Optima (Альтоника)
-
Lonta-202 (Альтоника)
-
ACS (GSN)
-
-
GSM системы
-
Приборы приемно-контрольные
-
Извещатели охранные для помещений
-
Извещатели магнитоконтактные
-
Извещатели тревожной сигнализации
-
Извещатели разбития стекла акустические
-
Извещатели разбития стекла ударноконтактные
-
Извещатели движения ультразвуковые
-
Извещатели движения инфракрасные объемные
-
Извещатели движения пассивные инфракрасные поверхностные (штора)
-
Извещатели движения пассивные инфракрасные линейные (коридор)
-
Извещатели движения пассивные инфракрасные потолочные
-
Извещатели движения комбинированные
-
Извещатели совмещенные
-
Извещатели вибрационные и емкостные
-
-
Извещатели охраны периметра
-
Извещатели охраны периметра линейные ИК-активные
-
Извещатели охраны периметра линейные радиоволновые для установки на открытых участках
-
Извещатели охраны периметра ИК-пассивные
-
Извещатели охраны периметра объемные радиоволновые
-
Извещатели охраны периметра комбинированные
-
Извещатели охраны периметра проводно-волновые
-
Извещатели охраны периметра вибрационные
-
-
Извещатели пожарные
-
Извещатели дымовые 2-х проводные
-
Извещатели дымовые 4-х проводные
-
Извещатели дымовые автономные
-
Извещатели дымовые линейные
-
Извещатели дымовые аспирационные
-
Извещатели тепловые максимальные (пороговые)
-
Извещатели тепловые максимально-дифференциальные
-
Извещатели линейные тепловые пожарные
-
Извещатели пламени
-
Извещатели ручные
-
Извещатели комбинированные
-
-
Извещатели аварийные
-
Оповещатели
-
Светильники и аварийное освещение
-
Системы активной защиты
-
Распродажа
-
-
Системы охранного телевидения
-
Системы контроля и управления доступом
-
Домофоны
-
IP-домофония
-
Идентификаторы
-
Кнопки выхода
-
Считыватели
-
Кодовые панели
-
Автономные устройства контроля доступа
-
Сетевые системы контроля доступа
-
Биометрический контроль доступа
-
Системы обратной и диспетчерской связи
-
Замки
-
Электрозащелки
-
Доводчики
-
Турникеты
-
Калитки
-
Ограждения
-
Шлагбаумы
-
Автоматика для ворот
-
Досмотровое оборудование
-
-
Системы оповещения
и управление эвакуацией-
СОУЭ Тромбон
-
СОУЭ Ария (Электротехника и Автоматика)
-
СОУЭ Соната (ВИСТЛ)
-
СОУЭ С (ИП Раченков)
-
СОУЭ МЕТА
-
СОУЭ Октава (Полисервис)
-
СОУЭ Рокот (Сибирский Арсенал)
-
СОУЭ РЕЧОР (РУССБЫТ)
-
СОУЭ РЕЧОР-АТ (АНТИТЕРРОР) (РУССБЫТ)
-
СОУЭ ПКИ-Р (СпецКомИнтегРо)
-
Системы оповещения о пожаре Asenware
-
СОУЭ ROXTON
-
Звуковое оборудование RORSYS
-
СОУЭ JDM
-
СОУЭ MKV
-
СОУЭ ZVON
-
СОУЭ INTER-М
-
-
Взрывозащищенное оборудование
-
Извещатели пожарные взрывозащищенные
-
Извещатели пожарные тепловые резервуарные
-
Извещатели пожарные тепловые точечные
-
Извещатели пожарные тепловые максимально-дифференциальные
-
Извещатели пожарные дымовые
-
Извещатели пожарные комбинированные
-
Извещатели пожарные ручные взрывозащищенные
-
Извещатели пожарные пламени взрывозащищенные
-
Комплектующие к пожарным извещателям
-
-
Извещатели пожарные линейные взрывозащищенные
-
Извещатели охранные взрывозащищенные
-
Извещатели аварийные взрывозащищенные
-
Оповещатели взрывозащищенные
-
Табло оповещения взрывозащищённое
-
Приборы приемно-контрольные и пульты управления взрывозащищенные
-
Адресные взрывозащищенные системы
-
Посты управления взрывозащищенные
-
Системы видеонаблюдения взрывозащищенные
-
Системы контроля доступа взрывозащищенные
-
Громкоговорители взрывозащищенные
-
Коробки коммутационные взрывозащищенные
-
Барьеры искрозащиты
-
Кабельные вводы взрывозащищенные
-
-
Источники вторичного электропитания
-
Расходные и монтажные материалы
-
Средства пожаротушения
-
Первичные средства пожаротушения
-
Порошковое пожаротушение
-
Водяное пожаротушение
-
Аэрозольное пожаротушение
-
Газовое пожаротушение
-
Автономные установки пожаротушения
-
Клапан сброса избыточного давления КСИД
-
Водопенное оборудование
-
Шкафы пожарные
-
Дымоудаление
-
Средства защиты и спасения
-
Знаки безопасности и плакаты
-
-
Сетевое оборудование