Дальность обнаружения, м
60
Количество ИК лучей
2
Количество ШС
1 (охр)+1 (пит)+ 1 (температур)+2 (тампер вскрытия)
Угол обзора,град.
90 (гор.)/5 (верт.)
Исполнение
Беспроводный (для люб. производителя)
Время готовности к работе, с, не более
10
Количество светодиодов, шт.
2
Тип контактов (НО НЗ)
2 (НЗ - тампер)
Реле выходы
3 (НЗ)/3 (НО)
Максимально комутируемые напряжение/ток, В/А
3,6/0,01
Количество рабочих частотных каналов
4
Батарейка
4х(LSX-20; 3,6В/13Ач)
Управление прибором
DIP - переключателями, вручную
Защита от статики,кВ
До 15
Устойчивость к внешней засветке, лк
Есть
Крепление
Есть: крепёжные отв.; кронштейн (AX-3 приоб)
Тип изделия
Извещатель беспроводной охранный линейный оптикоэлектронный
Режим работы
Круглосуточно
Тип зоны обнаружения
Линейная
Высота установки, м
Любая
Тип установки
Накладной горизонт. и вертикаль.
Тестирование (проверка) работы
Перекрытием луча непрозрач. предметом
Материал
Пластик
Индикация
Световая
Цвет
Черный
Напряжение питания, В
3,6В (LSX-20, 13Ач)
Ток потребления. мА
0,81
Разъем
Клеммы
Диапазон рабочих температур, °С
-20...+60
Степень защиты, IP
55
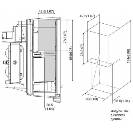
Габаритные размеры, мм
88х162,5х217 (приёмник и излучатель)
Масса, кг
1,6
Извещатель охранный линейный оптико-электронный
1 шт
- Главная
- Каталог
- Средства и системы охранно-пожарной сигнализации
- Извещатели охраны периметра
- Извещатели охраны периметра линейные ИК-активные
- Извещатель охранный линейный оптико-электронный AX-200TFR (Optex)
Извещатель охранный линейный оптико-электронный AX-200TFR (Optex)
Артикул: 2236
72300 р./шт.
(с НДС)
0 р.
| Количество | Ваша цена | Экономия |
|---|---|---|
| Опт от 1 шт. | 59 517.40 р./шт. | 12 782.60 р. |
| Запросить КП на крупный опт |
То же, что и AX-100TFR, дальность 60 м на улице и 120 м в помещении. Питание 3.6 В пост., 810 мкА
Характеристики:
Производитель:
Optex
Описание:
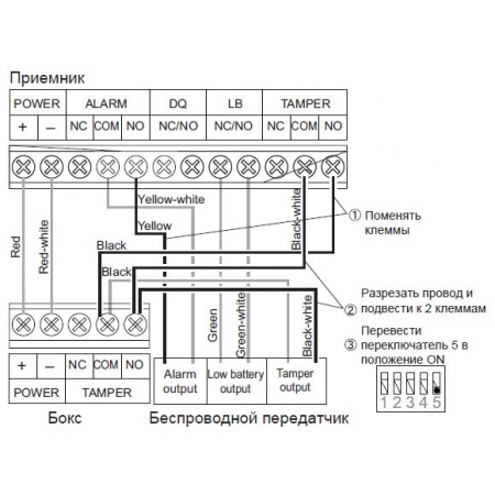
AX-200TFR (Optex) - извещатель охранный линейный оптико-электронный 2-х лучевой активный в составе блоков: излучателя и приёмника, беспроводной (с встраиваемым радиоканальным или GSM-передатчиком любого производителя и совместимым по посадочным габаритам - приобретаются отдельно) предназначен для обнаружения проникновения через периметр охраняемого объекта и формирование извещения о тревоге, разряде батарей, погодной компенсации путем размыкания (установлено по умолчанию)/замыкания (3 НЗ/3 НО) выходных контактов оптоэлектронных реле.
Особенности:
- линейная зона обнаружения;
- микропроцессорный анализ сигнала;
- выбор из 4-х частот;
- контроль вскрытия каждого блока;
- наличие боксов для размещения 2-ух беспроводных передатчиков и 4-х литиевых батарей (LSH-20 приобретаются);
- тестовый режим на перекрытие непрозрачным предметом ИК-лучей;
- установка на стене, потолке через крепёжные отверстия или кронштейн (AX-3 приобретается отдельно).
Срок службы изделия - 8 лет.
Техническая документация
- OPTEX AX-100_200TFR (извещ беспровод активн периметр 2луч 30_60м излуч+приёмн 3,6в 4АКБ 0,81мА -20+50 IP55) паспорт 2020г
- OPTEX AX-100_200TFR (извещ беспровод активн периметр 2луч 30_60м излуч+приёмн 3,6в 4АКБ 0,81мА -20+50 IP55) монтаж 2020г
Сертификаты
Ввиду того, что изделие может быть модифицировано, сведения, представленные на данной странице (изображение, характеристики, документация и т.п.), могут отличаться от фактических особенностей товара. За дополнительной информацией обращайтесь в техническую поддержку.
Каталог товаров
-
Охранно-пожарная сигнализация
-
Адресные системы
-
Радиоканальные системы
-
Астра-Р (ТЕКО)
-
Астра-РИ (ТЕКО)
-
Астра-РИ-М (ТЕКО)
-
Астра-Прайм (ТЕКО)
-
Астра-Zитадель (ТЕКО)
-
Ладога-РК (Риэлта)
-
С2000Р (Болид)
-
ВЕКТОР-АР (Сибирский Арсенал)
-
ВЕТТА-2020 (Сибирский Арсенал)
-
ГРАНИТ-РК (Сибирский Арсенал)
-
Риф-Ринг-1 (Альтоника)
-
Риф-Ринг-2 (Альтоника)
-
Риф-Ринг-701 (Альтоника)
-
Риф-Ринг-200 (Альтоника)
-
Lonta Optima (Альтоника)
-
Lonta-202 (Альтоника)
-
ACS (GSN)
-
-
GSM системы
-
Приборы приемно-контрольные
-
Извещатели охранные для помещений
-
Извещатели магнитоконтактные
-
Извещатели тревожной сигнализации
-
Извещатели разбития стекла акустические
-
Извещатели разбития стекла ударноконтактные
-
Извещатели движения ультразвуковые
-
Извещатели движения инфракрасные объемные
-
Извещатели движения пассивные инфракрасные поверхностные (штора)
-
Извещатели движения пассивные инфракрасные линейные (коридор)
-
Извещатели движения пассивные инфракрасные потолочные
-
Извещатели движения комбинированные
-
Извещатели совмещенные
-
Извещатели вибрационные и емкостные
-
-
Извещатели охраны периметра
-
Извещатели охраны периметра линейные ИК-активные
-
Извещатели охраны периметра линейные радиоволновые для установки на открытых участках
-
Извещатели охраны периметра ИК-пассивные
-
Извещатели охраны периметра объемные радиоволновые
-
Извещатели охраны периметра комбинированные
-
Извещатели охраны периметра проводно-волновые
-
Извещатели охраны периметра вибрационные
-
-
Извещатели пожарные
-
Извещатели дымовые 2-х проводные
-
Извещатели дымовые 4-х проводные
-
Извещатели дымовые автономные
-
Извещатели дымовые линейные
-
Извещатели дымовые аспирационные
-
Извещатели тепловые максимальные (пороговые)
-
Извещатели тепловые максимально-дифференциальные
-
Извещатели линейные тепловые пожарные
-
Извещатели пламени
-
Извещатели ручные
-
Извещатели комбинированные
-
-
Извещатели аварийные
-
Оповещатели
-
Светильники и аварийное освещение
-
Системы активной защиты
-
Распродажа
-
-
Системы охранного телевидения
-
Системы контроля и управления доступом
-
Домофоны
-
IP-домофония
-
Идентификаторы
-
Кнопки выхода
-
Считыватели
-
Кодовые панели
-
Автономные устройства контроля доступа
-
Сетевые системы контроля доступа
-
Биометрический контроль доступа
-
Системы обратной и диспетчерской связи
-
Замки
-
Электрозащелки
-
Доводчики
-
Турникеты
-
Калитки
-
Ограждения
-
Шлагбаумы
-
Автоматика для ворот
-
Досмотровое оборудование
-
-
Системы оповещения
и управление эвакуацией-
СОУЭ Тромбон
-
СОУЭ Ария (Электротехника и Автоматика)
-
СОУЭ Соната (ВИСТЛ)
-
СОУЭ С (ИП Раченков)
-
СОУЭ МЕТА
-
СОУЭ Октава (Полисервис)
-
СОУЭ Рокот (Сибирский Арсенал)
-
СОУЭ РЕЧОР (РУССБЫТ)
-
СОУЭ РЕЧОР-АТ (АНТИТЕРРОР) (РУССБЫТ)
-
СОУЭ ПКИ-Р (СпецКомИнтегРо)
-
Системы оповещения о пожаре Asenware
-
СОУЭ ROXTON
-
Звуковое оборудование RORSYS
-
СОУЭ JDM
-
СОУЭ MKV
-
СОУЭ ZVON
-
СОУЭ INTER-М
-
-
Взрывозащищенное оборудование
-
Извещатели пожарные взрывозащищенные
-
Извещатели пожарные тепловые резервуарные
-
Извещатели пожарные тепловые точечные
-
Извещатели пожарные тепловые максимально-дифференциальные
-
Извещатели пожарные дымовые
-
Извещатели пожарные комбинированные
-
Извещатели пожарные ручные взрывозащищенные
-
Извещатели пожарные пламени взрывозащищенные
-
Комплектующие к пожарным извещателям
-
-
Извещатели пожарные линейные взрывозащищенные
-
Извещатели охранные взрывозащищенные
-
Извещатели аварийные взрывозащищенные
-
Оповещатели взрывозащищенные
-
Табло оповещения взрывозащищённое
-
Приборы приемно-контрольные и пульты управления взрывозащищенные
-
Адресные взрывозащищенные системы
-
Посты управления взрывозащищенные
-
Системы видеонаблюдения взрывозащищенные
-
Системы контроля доступа взрывозащищенные
-
Громкоговорители взрывозащищенные
-
Коробки коммутационные взрывозащищенные
-
Барьеры искрозащиты
-
Кабельные вводы взрывозащищенные
-
-
Источники вторичного электропитания
-
Расходные и монтажные материалы
-
Средства пожаротушения
-
Первичные средства пожаротушения
-
Порошковое пожаротушение
-
Водяное пожаротушение
-
Аэрозольное пожаротушение
-
Газовое пожаротушение
-
Автономные установки пожаротушения
-
Клапан сброса избыточного давления КСИД
-
Водопенное оборудование
-
Шкафы пожарные
-
Дымоудаление
-
Средства защиты и спасения
-
Знаки безопасности и плакаты
-
-
Сетевое оборудование