Количество ШС
4
Ток нагрузки в ШС, мА
3,0
Реле выходы
2
Номинальное сопротивление выносного резистора, кОм
3,9
Время задержки на вход/выход, с
30/60, 60/120
Количество ключей
64
Рекомендуемый АКБ, А*ч
7,0
Напряжение в ШС, В
9,0…14,0
Тип изделия
Прибор приемно-контрольный
Напряжение питания, В
220
Диапазон рабочих температур, °С
-10…+55
Степень защиты, IP
IP30
Габаритные размеры, мм
165x190x79
Масса, кг
1,3
Астра-712/4
Артикул: 20337
По запросу
Данный товар находится в архиве!
Возможность поставки уточняйте у менеджера!!
4 ШС, под акк. 7 Ач управление кнопкой или touch memory, выход на сирену 1А.. 3 реле ПЦН. В комплекте считыватель и кнопка
Характеристики:
Производитель:
Теко
Описание:
Особенности
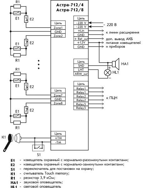
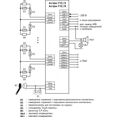
- контроль состояния 4 шлейфов сигнализации (ШС) с включенными охранными или технологическими извещателями;
- управление средствами оповещения;
- выдача тревожных извещений на ПЦН через релейные выходы;
- выдача информации по линии расширения на релейные блоки Астра-822, блоки индикации Астра-861, радиопередающее устройство оконечное объектовое УОО Астра-Y;
- обеспечение питающим напряжением активных извещателей и других устройств.
-
- постановка на охрану/снятие с охраны осуществляется:
- с использованием ключей Touch memory (ТМ) или устройств, генерирующих код формата ТМ, (РР Астра-РИ-М, клавиатура Астра-КТМ-С). Количество регистрируемых идентификаторов ТМ - 28. Регистрация идентификаторов ТМ с помощью кнопки ТМ или с ПК.
- с использованием переключателя или кнопки с фиксированными состояниями “замкнут/разомкнут” (кнопка входит в комплект поставки); - обеспечивается работа ШС по типам "охранный " или "технологический".
В ШС могут быть включены:
- извещатели и приемно-контрольные приборы, имеющие выход типа сухой контакт (релейный) и работающие на замыкание или размыкание;
- пожарные извещатели, питающиеся по шлейфу напряжением не менее 9 В и максимальным остаточным напряжением на сработавшем извещателе не более 6 В; - контроль ШС типа "охранный" производится по сопротивлению в жестких границах состояний ШС "норма", "нарушение". Распознавание состояния ШС "неисправность " не производится;
- контроль ШС типа "технологический” производится по сопротивлению в жестких границах состояний ШС "норма ", "нарушение ", "неисправность ", "внимание ";
- силовой выход для обеспечения питанием устройств оповещения, устройств оконечных РСПИ и других потребителей большого тока непосредственно от АКБ;
- установка основных режимов работы осуществляется с помощью перемычек на плате прибора и предусматривает выбор:
- режима настройки (перемычки или ПК),
- отключение линии расширения,
- способа постановки на охрану (ТМ или КН),
- включение режима автоперевзятия,
- выбор режимов работы ШС ("охранный " - "технологический"),
- времени задержки на вход/выход; - наиболее полная реализация возможностей ППКО осуществляется программированием с ПК:
- выбор набора необходимых функций (ПО Flasher),
- определение режимов работы выбранного набора функций (ПО Pconf-712); - подключение к ПК обеспечивается блоком сопряжения Астра-983.
- постановка на охрану/снятие с охраны осуществляется:
Техническая документация
Сертификаты
Ввиду того, что изделие может быть модифицировано, сведения, представленные на данной странице (изображение, характеристики, документация и т.п.), могут отличаться от фактических особенностей товара. За дополнительной информацией обращайтесь в техническую поддержку.
Каталог товаров
-
Охранно-пожарная сигнализация
-
Адресные системы
-
Радиоканальные системы
-
Астра-Р (ТЕКО)
-
Астра-РИ (ТЕКО)
-
Астра-РИ-М (ТЕКО)
-
Астра-Прайм (ТЕКО)
-
Астра-Zитадель (ТЕКО)
-
Ладога-РК (Риэлта)
-
С2000Р (Болид)
-
ВЕКТОР-АР (Сибирский Арсенал)
-
ВЕТТА-2020 (Сибирский Арсенал)
-
ГРАНИТ-РК (Сибирский Арсенал)
-
Риф-Ринг-1 (Альтоника)
-
Риф-Ринг-2 (Альтоника)
-
Риф-Ринг-701 (Альтоника)
-
Риф-Ринг-200 (Альтоника)
-
Lonta Optima (Альтоника)
-
Lonta-202 (Альтоника)
-
ACS (GSN)
-
-
GSM системы
-
Приборы приемно-контрольные
-
Извещатели охранные для помещений
-
Извещатели магнитоконтактные
-
Извещатели тревожной сигнализации
-
Извещатели разбития стекла акустические
-
Извещатели разбития стекла ударноконтактные
-
Извещатели движения ультразвуковые
-
Извещатели движения инфракрасные объемные
-
Извещатели движения пассивные инфракрасные поверхностные (штора)
-
Извещатели движения пассивные инфракрасные линейные (коридор)
-
Извещатели движения пассивные инфракрасные потолочные
-
Извещатели движения комбинированные
-
Извещатели совмещенные
-
Извещатели вибрационные и емкостные
-
-
Извещатели охраны периметра
-
Извещатели охраны периметра линейные ИК-активные
-
Извещатели охраны периметра линейные радиоволновые для установки на открытых участках
-
Извещатели охраны периметра ИК-пассивные
-
Извещатели охраны периметра объемные радиоволновые
-
Извещатели охраны периметра комбинированные
-
Извещатели охраны периметра проводно-волновые
-
Извещатели охраны периметра вибрационные
-
-
Извещатели пожарные
-
Извещатели дымовые 2-х проводные
-
Извещатели дымовые 4-х проводные
-
Извещатели дымовые автономные
-
Извещатели дымовые линейные
-
Извещатели дымовые аспирационные
-
Извещатели тепловые максимальные (пороговые)
-
Извещатели тепловые максимально-дифференциальные
-
Извещатели линейные тепловые пожарные
-
Извещатели пламени
-
Извещатели ручные
-
Извещатели комбинированные
-
-
Извещатели аварийные
-
Оповещатели
-
Светильники и аварийное освещение
-
Системы активной защиты
-
Распродажа
-
-
Системы охранного телевидения
-
Системы контроля и управления доступом
-
Домофоны
-
IP-домофония
-
Идентификаторы
-
Кнопки выхода
-
Считыватели
-
Кодовые панели
-
Автономные устройства контроля доступа
-
Сетевые системы контроля доступа
-
Биометрический контроль доступа
-
Системы обратной и диспетчерской связи
-
Замки
-
Электрозащелки
-
Доводчики
-
Турникеты
-
Калитки
-
Ограждения
-
Шлагбаумы
-
Автоматика для ворот
-
Досмотровое оборудование
-
-
Системы оповещения
и управление эвакуацией-
СОУЭ Тромбон
-
СОУЭ Ария (Электротехника и Автоматика)
-
СОУЭ Соната (ВИСТЛ)
-
СОУЭ С (ИП Раченков)
-
СОУЭ МЕТА
-
СОУЭ Октава (Полисервис)
-
СОУЭ Рокот (Сибирский Арсенал)
-
СОУЭ РЕЧОР (РУССБЫТ)
-
СОУЭ РЕЧОР-АТ (АНТИТЕРРОР) (РУССБЫТ)
-
СОУЭ ПКИ-Р (СпецКомИнтегРо)
-
Системы оповещения о пожаре Asenware
-
СОУЭ ROXTON
-
Звуковое оборудование RORSYS
-
СОУЭ JDM
-
СОУЭ MKV
-
СОУЭ ZVON
-
СОУЭ INTER-М
-
-
Взрывозащищенное оборудование
-
Извещатели пожарные взрывозащищенные
-
Извещатели пожарные тепловые резервуарные
-
Извещатели пожарные тепловые точечные
-
Извещатели пожарные тепловые максимально-дифференциальные
-
Извещатели пожарные дымовые
-
Извещатели пожарные комбинированные
-
Извещатели пожарные ручные взрывозащищенные
-
Извещатели пожарные пламени взрывозащищенные
-
Комплектующие к пожарным извещателям
-
-
Извещатели пожарные линейные взрывозащищенные
-
Извещатели охранные взрывозащищенные
-
Извещатели аварийные взрывозащищенные
-
Оповещатели взрывозащищенные
-
Табло оповещения взрывозащищённое
-
Приборы приемно-контрольные и пульты управления взрывозащищенные
-
Адресные взрывозащищенные системы
-
Посты управления взрывозащищенные
-
Системы видеонаблюдения взрывозащищенные
-
Системы контроля доступа взрывозащищенные
-
Громкоговорители взрывозащищенные
-
Коробки коммутационные взрывозащищенные
-
Барьеры искрозащиты
-
Кабельные вводы взрывозащищенные
-
-
Источники вторичного электропитания
-
Расходные и монтажные материалы
-
Средства пожаротушения
-
Первичные средства пожаротушения
-
Порошковое пожаротушение
-
Водяное пожаротушение
-
Аэрозольное пожаротушение
-
Газовое пожаротушение
-
Автономные установки пожаротушения
-
Клапан сброса избыточного давления КСИД
-
Водопенное оборудование
-
Шкафы пожарные
-
Дымоудаление
-
Средства защиты и спасения
-
Знаки безопасности и плакаты
-
-
Сетевое оборудование