Огнетушащая способность
0,065 кг/куб.м
Минимальное значение пускового тока, А
0,4 - 1,5
Инерционность срабатывания, с, не более
0,5 - 3
Коэффициент вероятности безотказной работы, не менее
0,98
Контактное сопротивление, Ом:
2,5 - 8
Масса заряда, кГ
3,5
Время действия, сек, не более
41
Безопасный ток проверки электропуска, мА, не более
50
Защищаемый объем,м3
52
Классы тушимых пожаров
A,B,E
Тип установки
Вертикально, горизонтально
Тип изделия
Генератор огнетушащего аэрозоля
Дополнительное оборудование
Есть (указ. при заказе): ВЭЛ, ВЭЛТХ, ВР, ВРТХ
Крепление
Кронштейн
Напряжение питания, В
1,5 - 30
Разъем
Клеммы
Срок службы,лет
10
Диапазон рабочих температур, °С
-50...+50
Степень защиты, IP
54
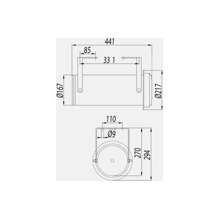
Габаритные размеры, мм
441х294
Масса, кг
14
Генератор огнетушащего аэрозоля
1 шт
- Главная
- Каталог
- Оборудование пожаротушения
- Аэрозольное пожаротушение
- Генератор огнетушащего аэрозоля АГС-6/2
Генератор огнетушащего аэрозоля АГС-6/2
Артикул: 125579
24970.50 р./шт.
(с НДС)
0 р.
Генератор огнетушащего аэрозоля с контактным охлаждением. Защищаемый объем 52м3. Время работы 50с. Масса 16,3 кг. Узел запуска приобретается отдельно
Характеристики:
Производитель:
Гранит-Саламандра
Описание:
АГС-6/2 - генератор огнетушащего аэрозоля предназначен для генерирования газоаэрозольной смеси, необходимая объемная концентрация которой останавливает процесс пламенного горения защищаемого объёма - 52 м3 очагов возгораний и пожаров классов А (твердых горючих веществ), В (жидких горючих веществ), Е (электроустановок, находящихся под напряжением до 1000 В).
Выход аэрозоля по периметру генератора.
Крепление на кронштейне.
Данный АГС рекомендуется для формирования систем пожаротушения помещений средних объемов.
Генератор представляет собой небольшой цилиндр с металлическим корпусом, по боковой поверхности которого в определённом порядке расположены выпускные отверстия.
За счет контактного охладителя внутри корпуса, имеет низкую температуру газоаэрозольной струи.
При подаче электрического и/или теплового импульса на узел запуска (указывается при заказе: ВЭЛ, ВЭЛТХ, ВР, ВРТХ), установленный внутри генератора, происходит воспламенение твердого аэрозолеобразующего заряда.
Продукты горения, проходя сквозь блок охлаждения, выходят через выпускные отверстия генератора в защищаемое помещение.
Срок службы генератора – 10 лет.
Генератор не применяется для тушения щелочных и щелочноземельных металлов, а также веществ, горение которых происходит без доступа воздуха.
Техническая документация
Сертификаты
Ввиду того, что изделие может быть модифицировано, сведения, представленные на данной странице (изображение, характеристики, документация и т.п.), могут отличаться от фактических особенностей товара. За дополнительной информацией обращайтесь в техническую поддержку.
Каталог товаров
-
Охранно-пожарная сигнализация
-
Адресные системы
-
Радиоканальные системы
-
Астра-Р (ТЕКО)
-
Астра-РИ (ТЕКО)
-
Астра-РИ-М (ТЕКО)
-
Астра-Прайм (ТЕКО)
-
Астра-Zитадель (ТЕКО)
-
Ладога-РК (Риэлта)
-
С2000Р (Болид)
-
ВЕКТОР-АР (Сибирский Арсенал)
-
ВЕТТА-2020 (Сибирский Арсенал)
-
ГРАНИТ-РК (Сибирский Арсенал)
-
Риф-Ринг-1 (Альтоника)
-
Риф-Ринг-2 (Альтоника)
-
Риф-Ринг-701 (Альтоника)
-
Риф-Ринг-200 (Альтоника)
-
Lonta Optima (Альтоника)
-
Lonta-202 (Альтоника)
-
ACS (GSN)
-
-
GSM системы
-
Приборы приемно-контрольные
-
Извещатели охранные для помещений
-
Извещатели магнитоконтактные
-
Извещатели тревожной сигнализации
-
Извещатели разбития стекла акустические
-
Извещатели разбития стекла ударноконтактные
-
Извещатели движения ультразвуковые
-
Извещатели движения инфракрасные объемные
-
Извещатели движения пассивные инфракрасные поверхностные (штора)
-
Извещатели движения пассивные инфракрасные линейные (коридор)
-
Извещатели движения пассивные инфракрасные потолочные
-
Извещатели движения комбинированные
-
Извещатели совмещенные
-
Извещатели вибрационные и емкостные
-
-
Извещатели охраны периметра
-
Извещатели охраны периметра линейные ИК-активные
-
Извещатели охраны периметра линейные радиоволновые для установки на открытых участках
-
Извещатели охраны периметра ИК-пассивные
-
Извещатели охраны периметра объемные радиоволновые
-
Извещатели охраны периметра комбинированные
-
Извещатели охраны периметра проводно-волновые
-
Извещатели охраны периметра вибрационные
-
-
Извещатели пожарные
-
Извещатели дымовые 2-х проводные
-
Извещатели дымовые 4-х проводные
-
Извещатели дымовые автономные
-
Извещатели дымовые линейные
-
Извещатели дымовые аспирационные
-
Извещатели тепловые максимальные (пороговые)
-
Извещатели тепловые максимально-дифференциальные
-
Извещатели линейные тепловые пожарные
-
Извещатели пламени
-
Извещатели ручные
-
Извещатели комбинированные
-
-
Извещатели аварийные
-
Оповещатели
-
Светильники и аварийное освещение
-
Системы активной защиты
-
Распродажа
-
-
Системы охранного телевидения
-
Системы контроля и управления доступом
-
Домофоны
-
IP-домофония
-
Идентификаторы
-
Кнопки выхода
-
Считыватели
-
Кодовые панели
-
Автономные устройства контроля доступа
-
Сетевые системы контроля доступа
-
Биометрический контроль доступа
-
Системы обратной и диспетчерской связи
-
Замки
-
Электрозащелки
-
Доводчики
-
Турникеты
-
Калитки
-
Ограждения
-
Шлагбаумы
-
Автоматика для ворот
-
Досмотровое оборудование
-
-
Системы оповещения
и управление эвакуацией-
СОУЭ Тромбон
-
СОУЭ Ария (Электротехника и Автоматика)
-
СОУЭ Соната (ВИСТЛ)
-
СОУЭ С (ИП Раченков)
-
СОУЭ МЕТА
-
СОУЭ Октава (Полисервис)
-
СОУЭ Рокот (Сибирский Арсенал)
-
СОУЭ РЕЧОР (РУССБЫТ)
-
СОУЭ РЕЧОР-АТ (АНТИТЕРРОР) (РУССБЫТ)
-
СОУЭ ПКИ-Р (СпецКомИнтегРо)
-
Системы оповещения о пожаре Asenware
-
СОУЭ ROXTON
-
Звуковое оборудование RORSYS
-
СОУЭ JDM
-
СОУЭ MKV
-
СОУЭ ZVON
-
СОУЭ INTER-М
-
-
Взрывозащищенное оборудование
-
Извещатели пожарные взрывозащищенные
-
Извещатели пожарные тепловые резервуарные
-
Извещатели пожарные тепловые точечные
-
Извещатели пожарные тепловые максимально-дифференциальные
-
Извещатели пожарные дымовые
-
Извещатели пожарные комбинированные
-
Извещатели пожарные ручные взрывозащищенные
-
Извещатели пожарные пламени взрывозащищенные
-
Комплектующие к пожарным извещателям
-
-
Извещатели пожарные линейные взрывозащищенные
-
Извещатели охранные взрывозащищенные
-
Извещатели аварийные взрывозащищенные
-
Оповещатели взрывозащищенные
-
Табло оповещения взрывозащищённое
-
Приборы приемно-контрольные и пульты управления взрывозащищенные
-
Адресные взрывозащищенные системы
-
Посты управления взрывозащищенные
-
Системы видеонаблюдения взрывозащищенные
-
Системы контроля доступа взрывозащищенные
-
Громкоговорители взрывозащищенные
-
Коробки коммутационные взрывозащищенные
-
Барьеры искрозащиты
-
Кабельные вводы взрывозащищенные
-
-
Источники вторичного электропитания
-
Расходные и монтажные материалы
-
Средства пожаротушения
-
Первичные средства пожаротушения
-
Порошковое пожаротушение
-
Водяное пожаротушение
-
Аэрозольное пожаротушение
-
Газовое пожаротушение
-
Автономные установки пожаротушения
-
Клапан сброса избыточного давления КСИД
-
Водопенное оборудование
-
Шкафы пожарные
-
Дымоудаление
-
Средства защиты и спасения
-
Знаки безопасности и плакаты
-
-
Сетевое оборудование