Количество направлений пуска
1
Маркировка взрывозащиты
0ExiaIICT6X
Исполнение
Адресный, искробезопасный
Номинальное сечение жилы,кв.мм
0,2 - 1,5
Номинальное сопротивление выносного резистора, кОм
0,56; 2,2; 10
Количество поддерживаемых считывателей
1
Время готовности к работе, с, не более
1
Максимальное Количество адресных устройств в системе
128
По способу подключения
2-х проводный
Максимальная длина линии связи, м
20 (счит)
Количество светодиодов, шт.
3
Реле выходы
4 (ОК)
Максимальное количество ключей
40
Тип считывателя (без считывателя-о ключи ТМ-тм карты-к)
TM (Proximity с эмуляц TM)-Ex
Тип изделия
Адресный модуль управления пуска устройств пожаротушения взрывозащищённый, искробезопасный
Датчик положения двери (да нет)
Возможно подкл.(НО) до 6 шт.
Материал
Высокопрочный пластик
Управление прибором
Джампером, программир.
Контроль линии (цепи)
Есть
Дополнительное оборудование
Есть: ТМ-1.Ех (3шт.), счит. (TR-R/G ЮТ.Ех)
Режим работы
Круглосуточно
Интеграция с оборудованием или ПО
МИНИТРОНИК A32.Ех
Крепление
На горизонтальную и вертикальную поверхности
Максимально комутируемые напряжение/ток, В/А
Пост. 12 и 24/0,4
Возможность подключения неадресного оборудования
Свет. табло (4 шт), сирена (1 шт), СМК (6 шт)
Цвет
Светло-серый + синий
Индикация
Световая
Напряжение питания, В
DC (9 - 28)/0,1A
Ток потребления. мА
20
Разъем
Клеммы
Диапазон рабочих температур, °С
-20...+70
Степень защиты, IP
41
Габаритные размеры, мм
170х140х44
Масса, кг
1
А16-УТП.Ех
Артикул: 214373
По запросу
Данный товар находится в архиве!
Возможность поставки уточняйте у менеджера!!
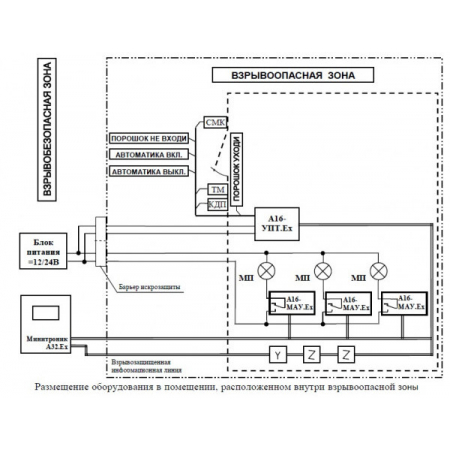
Адресный модуль управления пожаротушением, 1 зона тушения, авт. \ ручн. режимы, управление оповещением, ток подрыва пиропатрона 3А, 0ExiaIIСT6Х, IP41, от -20 С до +70 С Контроль шлейфа управления на обрыв и КЗ. Управление табло Автоматика включена , Автоматика выключена , Порошок (Газ, Аэрозоль) уходи , Порошок (Газ, Аэрозоль) не входи с контролем на обрыв и КЗ. Встроенный звуковой оповещатель (сирена). Контроль шлейфа датчика открытия двери. Контроль кнопки дистанционного пуска. Память 40 ключей Touch Memory. Питание =12/24В через барьер взрывозащиты. Оптическая развязка информационной линии.
Характеристики:
Производитель:
ЮНИТЕСТ
Описание:
А16-УТП.Ex - модуль адресный управления 1-ой зоны пуска устройств порошкового, аэрозольного или газового пожаротушения, искробезопасный, взрывозащищенный (0ExiaIICT6X), степенью защиты (IP41) для работы в составе приемно-контрольного прибора (МИНИТРОНИК A32.Ех) применяется на предприятиях химической, нефтегазодобывающей, нефтегазоперерабатывающей отраслей и взрывоопасных зонах класса (0 и ниже) других производств.
Особенности:
- управляет средствами объектового оповещения: сиреной, световыми табло «Автоматика включена», «Автоматика выключена», «Порошок уходи» («Аэрозоль уходи», «Газ уходи»), «Порошок не входи» («Аэрозоль не входи», «Газ не входи»);
- контролирует датчик открытия двери помещения, считыватель ключей Touch Memory (ТМ) и кнопку дистанционного пуска КДП;
- по команде АПКП с указанием адресного кода либо дистанционно - по команде с КДП включает сирену и световые табло;
- контролирует на обрыв и короткое замыкание шлейф датчика открытия двери, в т. ч. при выключенном автоматическом режиме работы, а также цепи управления световыми табло;
- контролирует короткое замыкание считывателя ТМ.
Срок службы модуля - не менее 10 лет.
Техническая документация
Сертификаты
Ввиду того, что изделие может быть модифицировано, сведения, представленные на данной странице (изображение, характеристики, документация и т.п.), могут отличаться от фактических особенностей товара. За дополнительной информацией обращайтесь в техническую поддержку.
Каталог товаров
-
Охранно-пожарная сигнализация
-
Адресные системы
-
Радиоканальные системы
-
Астра-Р (ТЕКО)
-
Астра-РИ (ТЕКО)
-
Астра-РИ-М (ТЕКО)
-
Астра-Прайм (ТЕКО)
-
Астра-Zитадель (ТЕКО)
-
Ладога-РК (Риэлта)
-
С2000Р (Болид)
-
ВЕКТОР-АР (Сибирский Арсенал)
-
ВЕТТА-2020 (Сибирский Арсенал)
-
ГРАНИТ-РК (Сибирский Арсенал)
-
Риф-Ринг-1 (Альтоника)
-
Риф-Ринг-2 (Альтоника)
-
Риф-Ринг-701 (Альтоника)
-
Риф-Ринг-200 (Альтоника)
-
Lonta Optima (Альтоника)
-
Lonta-202 (Альтоника)
-
ACS (GSN)
-
-
GSM системы
-
Приборы приемно-контрольные
-
Извещатели охранные для помещений
-
Извещатели магнитоконтактные
-
Извещатели тревожной сигнализации
-
Извещатели разбития стекла акустические
-
Извещатели разбития стекла ударноконтактные
-
Извещатели движения ультразвуковые
-
Извещатели движения инфракрасные объемные
-
Извещатели движения пассивные инфракрасные поверхностные (штора)
-
Извещатели движения пассивные инфракрасные линейные (коридор)
-
Извещатели движения пассивные инфракрасные потолочные
-
Извещатели движения комбинированные
-
Извещатели совмещенные
-
Извещатели вибрационные и емкостные
-
-
Извещатели охраны периметра
-
Извещатели охраны периметра линейные ИК-активные
-
Извещатели охраны периметра линейные радиоволновые для установки на открытых участках
-
Извещатели охраны периметра ИК-пассивные
-
Извещатели охраны периметра объемные радиоволновые
-
Извещатели охраны периметра комбинированные
-
Извещатели охраны периметра проводно-волновые
-
Извещатели охраны периметра вибрационные
-
-
Извещатели пожарные
-
Извещатели дымовые 2-х проводные
-
Извещатели дымовые 4-х проводные
-
Извещатели дымовые автономные
-
Извещатели дымовые линейные
-
Извещатели дымовые аспирационные
-
Извещатели тепловые максимальные (пороговые)
-
Извещатели тепловые максимально-дифференциальные
-
Извещатели линейные тепловые пожарные
-
Извещатели пламени
-
Извещатели ручные
-
Извещатели комбинированные
-
-
Извещатели аварийные
-
Оповещатели
-
Светильники и аварийное освещение
-
Системы активной защиты
-
Распродажа
-
-
Системы охранного телевидения
-
Системы контроля и управления доступом
-
Домофоны
-
IP-домофония
-
Идентификаторы
-
Кнопки выхода
-
Считыватели
-
Кодовые панели
-
Автономные устройства контроля доступа
-
Сетевые системы контроля доступа
-
Биометрический контроль доступа
-
Системы обратной и диспетчерской связи
-
Замки
-
Электрозащелки
-
Доводчики
-
Турникеты
-
Калитки
-
Ограждения
-
Шлагбаумы
-
Автоматика для ворот
-
Досмотровое оборудование
-
-
Системы оповещения
и управление эвакуацией-
СОУЭ Тромбон
-
СОУЭ Ария (Электротехника и Автоматика)
-
СОУЭ Соната (ВИСТЛ)
-
СОУЭ С (ИП Раченков)
-
СОУЭ МЕТА
-
СОУЭ Октава (Полисервис)
-
СОУЭ Рокот (Сибирский Арсенал)
-
СОУЭ РЕЧОР (РУССБЫТ)
-
СОУЭ РЕЧОР-АТ (АНТИТЕРРОР) (РУССБЫТ)
-
СОУЭ ПКИ-Р (СпецКомИнтегРо)
-
Системы оповещения о пожаре Asenware
-
СОУЭ ROXTON
-
Звуковое оборудование RORSYS
-
СОУЭ JDM
-
СОУЭ MKV
-
СОУЭ ZVON
-
СОУЭ INTER-М
-
-
Взрывозащищенное оборудование
-
Извещатели пожарные взрывозащищенные
-
Извещатели пожарные тепловые резервуарные
-
Извещатели пожарные тепловые точечные
-
Извещатели пожарные тепловые максимально-дифференциальные
-
Извещатели пожарные дымовые
-
Извещатели пожарные комбинированные
-
Извещатели пожарные ручные взрывозащищенные
-
Извещатели пожарные пламени взрывозащищенные
-
Комплектующие к пожарным извещателям
-
-
Извещатели пожарные линейные взрывозащищенные
-
Извещатели охранные взрывозащищенные
-
Извещатели аварийные взрывозащищенные
-
Оповещатели взрывозащищенные
-
Табло оповещения взрывозащищённое
-
Приборы приемно-контрольные и пульты управления взрывозащищенные
-
Адресные взрывозащищенные системы
-
Посты управления взрывозащищенные
-
Системы видеонаблюдения взрывозащищенные
-
Системы контроля доступа взрывозащищенные
-
Громкоговорители взрывозащищенные
-
Коробки коммутационные взрывозащищенные
-
Барьеры искрозащиты
-
Кабельные вводы взрывозащищенные
-
-
Источники вторичного электропитания
-
Расходные и монтажные материалы
-
Средства пожаротушения
-
Первичные средства пожаротушения
-
Порошковое пожаротушение
-
Водяное пожаротушение
-
Аэрозольное пожаротушение
-
Газовое пожаротушение
-
Автономные установки пожаротушения
-
Клапан сброса избыточного давления КСИД
-
Водопенное оборудование
-
Шкафы пожарные
-
Дымоудаление
-
Средства защиты и спасения
-
Знаки безопасности и плакаты
-
-
Сетевое оборудование