Усилие удержания,кГ
300
Исполнение
Антивандальное, уличное
Ход засовов, мм
24 (задвижка); 12 (защёлка)
Цилиндровый механизм (да нет)
Возможность установки (с двух сторон)
Тип установки
Врезной
Дополнительное оборудование
Есть: ригель - задвижка
Тип изделия
Замок электромеханический
Тип двери (калитки, ворот)
Металл, дерево, пластик
Толщина двери, мм
От 40
Материал
Сталь хромированная
Напряжение питания, В
12
Ток потребления. мА
200
Диапазон рабочих температур, °С
-40...+60
Степень защиты, IP
52
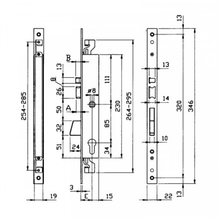
Габаритные размеры, мм
346х22х50
Масса, кг
1,2
7818-02-35 (ISEO) замок электромеханический врезной
Данный товар находится в архиве!
Возможность поставки уточняйте у менеджера!!
ISEO 7818-02-35 - замок электромеханический врезной закрытого типа узкопрофильный, цилиндровый с регулируемой защёлкой предназначен для установки на любые двери толщиной от 40 мм с возможностью дистанционного открывания, в том числе для работы совместно с аудио, видеодомофонами и кодовыми панелями.
Управление ригелем-защелкой: электрически (при подаче питания), от ключа (при установке цилиндра), от ручки (при установке ручки).
Ригель - защёлка закрывается автоматически при захлопывании двери и состоит из 2-ух частей: блокиратора и непосредственно защёлки.
Блокиратор при закрытой двери упирается в запорную планку замка и фиксирует защёлку в закрытом положении.
Дополнительную защиту двери от взлома методом "отжима" обеспечивает ригель - задвижка.
Ригель-задвижка поворотного типа (для замков серии 7818-...) управляется только от ключа.
Ответная планка, цилиндр стандартного профиля и оковка ключевины поставляются отдельно.
- ISEO 5211-10 и другие (замки электромех+диод в цепи пит)
- ISEO 5211-10 и другие (замки наклад врезн электромех+диод в цепи пит) монтаж 2002г
Ввиду того, что изделие может быть модифицировано, сведения, представленные на данной странице (изображение, характеристики, документация и т.п.), могут отличаться от фактических особенностей товара. За дополнительной информацией обращайтесь в техническую поддержку.
-
Охранно-пожарная сигнализация
-
Адресные системы
-
Радиоканальные системы
-
Астра-Р (ТЕКО)
-
Астра-РИ (ТЕКО)
-
Астра-РИ-М (ТЕКО)
-
Астра-Прайм (ТЕКО)
-
Астра-Zитадель (ТЕКО)
-
Ладога-РК (Риэлта)
-
С2000Р (Болид)
-
ВЕКТОР-АР (Сибирский Арсенал)
-
ВЕТТА-2020 (Сибирский Арсенал)
-
ГРАНИТ-РК (Сибирский Арсенал)
-
Риф-Ринг-1 (Альтоника)
-
Риф-Ринг-2 (Альтоника)
-
Риф-Ринг-701 (Альтоника)
-
Риф-Ринг-200 (Альтоника)
-
Lonta Optima (Альтоника)
-
Lonta-202 (Альтоника)
-
ACS (GSN)
-
-
GSM системы
-
Приборы приемно-контрольные
-
Извещатели охранные для помещений
-
Извещатели магнитоконтактные
-
Извещатели тревожной сигнализации
-
Извещатели разбития стекла акустические
-
Извещатели разбития стекла ударноконтактные
-
Извещатели движения ультразвуковые
-
Извещатели движения инфракрасные объемные
-
Извещатели движения пассивные инфракрасные поверхностные (штора)
-
Извещатели движения пассивные инфракрасные линейные (коридор)
-
Извещатели движения пассивные инфракрасные потолочные
-
Извещатели движения комбинированные
-
Извещатели совмещенные
-
Извещатели вибрационные и емкостные
-
-
Извещатели охраны периметра
-
Извещатели охраны периметра линейные ИК-активные
-
Извещатели охраны периметра линейные радиоволновые для установки на открытых участках
-
Извещатели охраны периметра ИК-пассивные
-
Извещатели охраны периметра объемные радиоволновые
-
Извещатели охраны периметра комбинированные
-
Извещатели охраны периметра проводно-волновые
-
Извещатели охраны периметра вибрационные
-
-
Извещатели пожарные
-
Извещатели дымовые 2-х проводные
-
Извещатели дымовые 4-х проводные
-
Извещатели дымовые автономные
-
Извещатели дымовые линейные
-
Извещатели дымовые аспирационные
-
Извещатели тепловые максимальные (пороговые)
-
Извещатели тепловые максимально-дифференциальные
-
Извещатели линейные тепловые пожарные
-
Извещатели пламени
-
Извещатели ручные
-
Извещатели комбинированные
-
-
Извещатели аварийные
-
Оповещатели
-
Светильники и аварийное освещение
-
Системы активной защиты
-
Распродажа
-
-
Системы охранного телевидения
-
Системы контроля и управления доступом
-
Домофоны
-
IP-домофония
-
Идентификаторы
-
Кнопки выхода
-
Считыватели
-
Кодовые панели
-
Автономные устройства контроля доступа
-
Сетевые системы контроля доступа
-
Биометрический контроль доступа
-
Системы обратной и диспетчерской связи
-
Замки
-
Электрозащелки
-
Доводчики
-
Турникеты
-
Калитки
-
Ограждения
-
Шлагбаумы
-
Автоматика для ворот
-
Досмотровое оборудование
-
-
Системы оповещения
и управление эвакуацией-
СОУЭ Тромбон
-
СОУЭ Ария (Электротехника и Автоматика)
-
СОУЭ Соната (ВИСТЛ)
-
СОУЭ С (ИП Раченков)
-
СОУЭ МЕТА
-
СОУЭ Октава (Полисервис)
-
СОУЭ Рокот (Сибирский Арсенал)
-
СОУЭ РЕЧОР (РУССБЫТ)
-
СОУЭ РЕЧОР-АТ (АНТИТЕРРОР) (РУССБЫТ)
-
СОУЭ ПКИ-Р (СпецКомИнтегРо)
-
Системы оповещения о пожаре Asenware
-
СОУЭ ROXTON
-
Звуковое оборудование RORSYS
-
СОУЭ JDM
-
СОУЭ MKV
-
СОУЭ ZVON
-
СОУЭ INTER-М
-
-
Взрывозащищенное оборудование
-
Извещатели пожарные взрывозащищенные
-
Извещатели пожарные тепловые резервуарные
-
Извещатели пожарные тепловые точечные
-
Извещатели пожарные тепловые максимально-дифференциальные
-
Извещатели пожарные дымовые
-
Извещатели пожарные комбинированные
-
Извещатели пожарные ручные взрывозащищенные
-
Извещатели пожарные пламени взрывозащищенные
-
Комплектующие к пожарным извещателям
-
-
Извещатели пожарные линейные взрывозащищенные
-
Извещатели охранные взрывозащищенные
-
Извещатели аварийные взрывозащищенные
-
Оповещатели взрывозащищенные
-
Табло оповещения взрывозащищённое
-
Приборы приемно-контрольные и пульты управления взрывозащищенные
-
Адресные взрывозащищенные системы
-
Посты управления взрывозащищенные
-
Системы видеонаблюдения взрывозащищенные
-
Системы контроля доступа взрывозащищенные
-
Громкоговорители взрывозащищенные
-
Коробки коммутационные взрывозащищенные
-
Барьеры искрозащиты
-
Кабельные вводы взрывозащищенные
-
-
Источники вторичного электропитания
-
Расходные и монтажные материалы
-
Средства пожаротушения
-
Первичные средства пожаротушения
-
Порошковое пожаротушение
-
Водяное пожаротушение
-
Аэрозольное пожаротушение
-
Газовое пожаротушение
-
Автономные установки пожаротушения
-
Клапан сброса избыточного давления КСИД
-
Водопенное оборудование
-
Шкафы пожарные
-
Дымоудаление
-
Средства защиты и спасения
-
Знаки безопасности и плакаты
-
-
Сетевое оборудование